Запчасти Case IH 5420 (9-02) - HITCH (09) - CHASSIS

Схема запчастей Case IH 5420 - (9-02) - HITCH (09) - CHASSIS
FIT
1:1
100%

Артикул

Название

Примечание

Количество

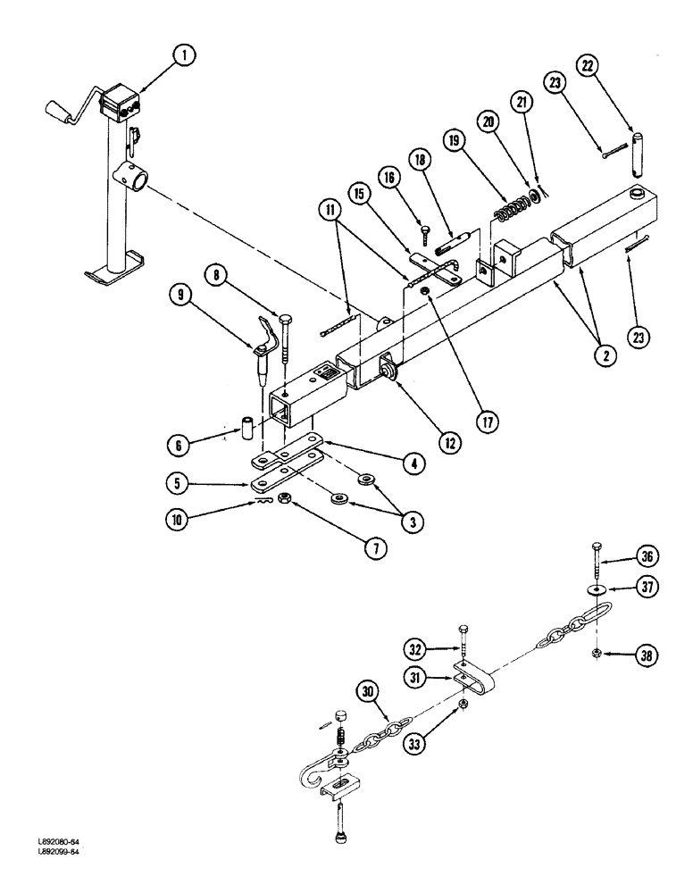
1

119354C1

JACK

ASSEMBLY - hitch

1шт.

2

ZA551050

DRAWBAR

- hitch

1шт.

3

1337165C1

WASHER

- flat, 21/32 x 2 x 1/4 inch

2шт.

4

662145R1

STRAP

CLEVIS - offset

1шт.

5

662144R1

STRAP

CLEVIS - lower

1шт.

6

664455R1

SPACER - bolt

1шт.

7

19508R1

LOCK NUT,5/8"-11, GB

NUT - hex lock, 5/8 inch NC

2шт.

8

273312

BOLT,Hex, 5/8" - 11 x 5 1/2", Gr 5

- hex, 5/8 NC x 5-1/2 inch

2шт.

9

674472R1

BRACKET

PIN - hitch

1шт.

10

407211R1

CLIP

PIN - clip

2шт.

11

NSS

NOT SOLD SEPARAT

ROPE - handle, latch (Purchase locally) 5/16 inch x 14 feet

1шт.

12

96316C1

GUIDE

- rope

1шт.

15

ZA551008

HANDLE

- latch

1шт.

16

180081

BOLT,Hex, 5/16"-18 x 1 1/4", G5

hex, 5/16"-18 NC x 1-1/4", grade 5

1шт.

17

9413952

LOCK NUT,5/16"-18, GB

NUT - hex lock, 5/16 inch NC

1шт.

18

ZA551009

PIN

- latch

1шт.

19

1337167C1

SPRING

- latch

1шт.

20

1337166C1

WASHER

- flat, 7/8 x 1-1/2 x 3/16 inch

1шт.

21

432-1220

COTTER PIN,3/16" x 1 1/4"

Pin, Split (Cotter), 3/16" x 1 1/4"

1шт.

22

ZA551088

PIN

- pivot, hitch

1шт.

23

432-1628

COTTER PIN,1/4" x 1 3/4"

Pin, Split (Cotter), 1/4" x 1 3/4"

2шт.

30

100682C3

CHAIN (AG)

CHAIN ASSEMBLY - safety, 5/16 link x 59-1/4 inch SAFETY CHAIN

1шт.

31

148558C1

CLEVIS

- safety chain

1шт.

Part of safety chain kit P/N 61913C92

1шт.

32

113-628

BOLT,Hex, 5/8" - 11 x 3-1/2", Gr 5

Hex, 5/8"-11 x 3 1/2", G5, Safety Chain

1шт.

Part of safety chain kit P/N 61913C92

1шт.

33

20033R1

LOCK NUT

NUT - hex lock, 5/8 inch NC SAFETY CHAIN

1шт.

36

113-730

BOLT,Hex, 3/4" - 10 x 2-3/4", Gr 5

- hex, 3/4 NC x 2-3/4 inch SAFETY CHAIN

1шт.

Part of safety chain kit P/N 61913C92

1шт.

37

26512R1

WASHER

- flat, 25/32 x 2 x 5/32 inch SAFETY CHAIN

1шт.

Part of safety chain kit P/N 61913C92

1шт.

38

18444R1

NUT,3/4"-10, GB

- hex lock, 3/4 inch NC SAFETY CHAIN

1шт.

Part of safety chain kit P/N 61913C92

1шт.

61913C92

PACKAGE

KIT - clevis and hardware, safety chain, Includes: Ref. 31, 32, 36, 37 and 38 SAFETY CHAIN

1шт.

Выбрано товаров: 34