Качественные детали и логистика
Оригинальные и аналоговые запчасти с доставкой по России, Казахстану и Беларуси
©2022 PartSell ООО "Система" ИНН 2463123282 ОГРН 1212400004838
Центральный офис: г. Красноярск, Академика Киренского, д.87, пом.4
Телефон: 8 (800) 777-65-74 Email: zakaz@partsell.ru
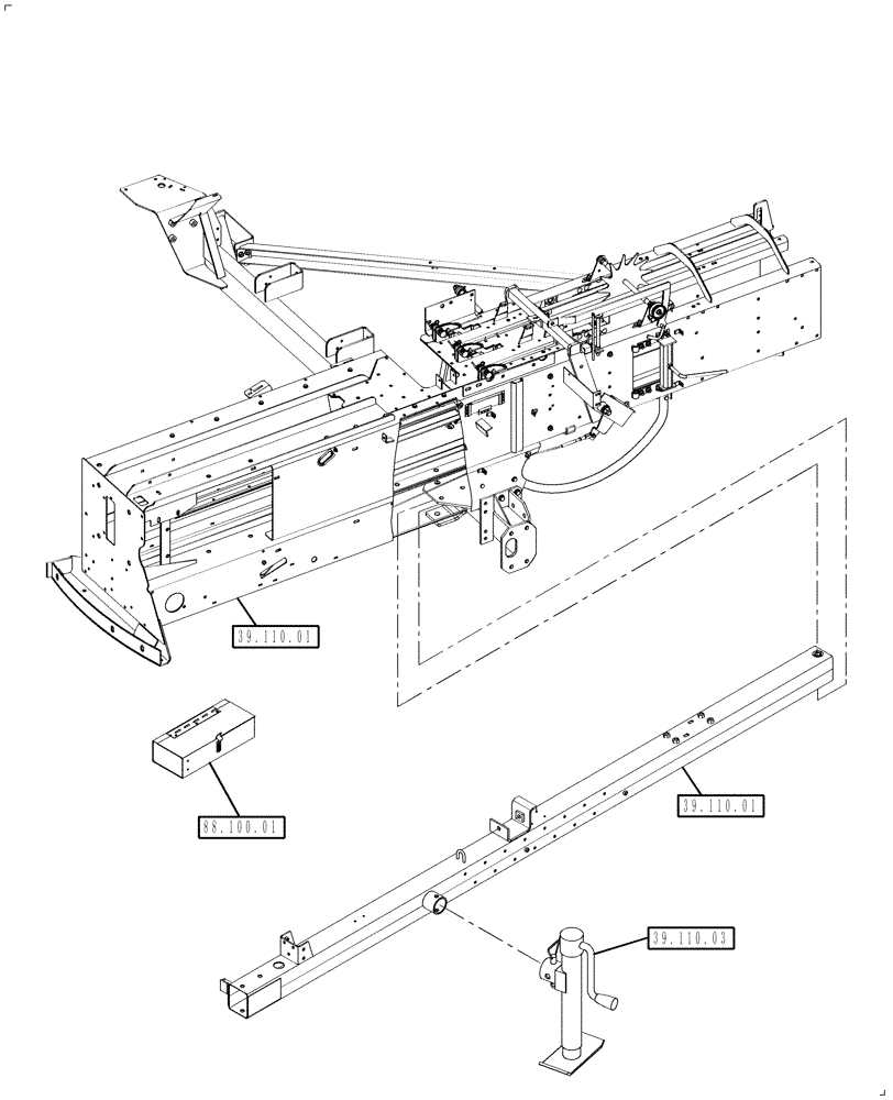
(00.000.39) - PICTORIAL INDEX , FRAME
№
Артикул
Название
Примечание
Количество
39.100.01
MAIN FRAME
1шт.
39.110.01
TONGUE
39.110.02
SAFETY CHAIN
39.110.03
JACK
88.100.01
TOOL BOX
Выбрано товаров: 0