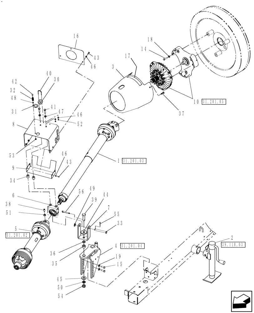
Запчасти Case IH SB521 (31.201.01) - POWER TAKE OFF & CLUTCH (31) - IMPLEMENT POWER TAKE OFF

Схема запчастей Case IH SB521 - (31.201.01) - POWER TAKE OFF & CLUTCH (31) - IMPLEMENT POWER TAKE OFF
31.201.04
46
34
18
43
37
43
6
56
31
5
1
38
15
54
47
14
55
46
44
3
39
19
30
51
45
9
10
52
35
36
8
42
40
46
49
2
48
41
53
33
17
50
7
16
32
4
39.110.03
31.201.02
31.201.03
31.201.05
FIT
1:1
100%

Артикул

Название

Примечание

Количество

1

0C

ORDER COMPONENTS

PTO

1шт.

87399497

1шт.

2

86729155

JACK

1шт.

3

87682375

SHIELD

1шт.

4

0C

ORDER COMPONENTS

Power Pivot

1шт.

9604545

1шт.

5

0C

ORDER COMPONENTS

PTO, Front

1шт.

87399496

1шт.

6

86629487

BEARING ASSY,34.99mm ID

1шт.

7

86626042

YOKE

1шт.

8

87718273

SHIELD

1шт.

9

87480642

PROTECTION PLATE

1шт.

10

87670828

CLUTCH & DISC ASSY

1шт.

Set Slip Clutch Torque Setting According to the Operator's Manual.

1шт.

87670828R

REMAN-CLUTCH ASSY

SB521 (8/08-)

1шт.

87670828C

CORE-CLUTCH ASSEMBLY

Return Number

1шт.

14

120068

BOLT,Hex, M10 x 40mm, Cl 8.8

3шт.

15

9706687

BOLT,M12 x 1.75 x 30mm, Cl 8.8

4шт.

16

87709114

SHIELD

1шт.

18

285072

WASHER,10.3mm ID x 22.2mm OD x 2.7mm Thk

(3/8")

3шт.

19

140046

BELLEVILLE WASHER,M12 Bolt Size x 27mm OD x 1.8mm Thk

4шт.

30

86543545

GUIDE

1шт.

31

321662

COVER

1шт.

32

87711123

SPRING

1шт.

33

29851

PIN,15.87mm OD x 128.8mm L

1шт.

34

167444

SPACER

2шт.

35

285183

BUSHING

1шт.

36

187426

SHIM,.015" Thk

2шт.

37

135270

SERRATED SCREW,5/16" - 18 x 3/4"

3шт.

38

763883

SET SCREW,1/2" - 20 x 1-1/4"

1шт.

39

573958

BOLT

1шт.

40

28114

U-BOLT

1шт.

41

120068

BOLT,Hex, M10 x 40mm, Cl 8.8

2шт.

42

88146

BOLT,Hex, 1/4" - 20 x 1", Gr 5

1шт.

43

120100

BOLT,M6 x 20mm, Cl 8.8

7шт.

44

516161

WASHER

1шт.

45

578092

WASHER,19.4mm ID x 47.6mm OD x 3.43mm Thk

1шт.

46

322357

BELLEVILLE WASHER,M6 Bolt Size x 14mm OD x 1.3mm Thk

9шт.

47

140045

BELLEVILLE WASHER,M10 Bolt Size x 22mm OD x 1.6mm Thk

2шт.

48

9824259

WASHER,6.4mm ID x 12mm OD x 1.6mm Thk

1шт.

49

87365

WASHER,0.66" ID x 1.31" OD x 0.1" Thk

1шт.

50

87340

LOCK WASHER,Helical Spring, 0.759" ID, CST, ZND

1шт.

51

87309

JAM NUT,Jam, 1/2"-20, G2

1шт.

52

87304

NUT,#10-24

2шт.

53

20356

NUT,1/4"-20, GB

1шт.

54

88886

SLOTTED NUT,3/4"-16

1шт.

55

87397

COTTER PIN,3/16" x 1"

1шт.

56

86013355

COTTER PIN

1шт.

Выбрано товаров: 48