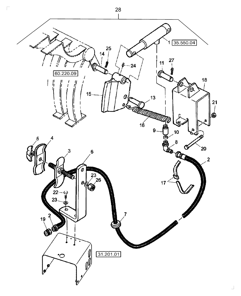
Запчасти Case IH SB521 (35.550.03) - HYDRAULIC PICKUP LIFT (35) - HYDRAULIC SYSTEMS

Схема запчастей Case IH SB521 - (35.550.03) - HYDRAULIC PICKUP LIFT (35) - HYDRAULIC SYSTEMS
35.550.04
5
24
18
6
9
1
14
25
23
19
3
26
17
22
16
23
20
2
13
10
15
28
27
11
21
8
2
4
7
60.220.09
31.201.01
FIT
1:1
100%

Артикул

Название

Примечание

Количество

1

87027465

HYDRAULIC CYLINDER,28.57mm Rod, 76.2mm Stroke

HYDRAULIC, Pickup Lift

1шт.

Manufacturer's Production Date Stamp - (ex. M 02 2008 = M / week / year)

1шт.

2

849307

HOSE

Hydraulic

1шт.

3

42369

CLAMP

Includes: Ref. 4 & 5

1шт.

4

207705

CLAMP,15.8mm ID

1шт.

5

80840

WING NUT

1шт.

6

86630099

SUPPORT

1шт.

7

708115

GROMMET

2" OD x 1-3/8" ID

1шт.

8

76344

90 ELBOW,9/16" - 18 JIC x 9/16" - 18 ORB

Incl. Ref. 12

1шт.

9

86504974

HYD CONNECTOR

Includes: Ref. 12

1шт.

10

261066

ORIFICE,9/16" - 18, 0.813" Orifice

.032"

1шт.

11

322441

CLEVIS PIN,M16 x 65

1шт.

12

9617873

O-RING,0.078" Thk x 0.468" ID, -906, Cl 6, 90 Duro

2шт.

Not Illustrated

1шт.

13

87021826

CLEVIS PIN,16mm OD x 54.5mm L

M16 x 50

1шт.

14

412118

CLEVIS PIN,12mm OD x 65mm L

1шт.

15

86630178

BRACKET

1шт.

16

12

SPRING

1шт.

17

594116

CABLE TIE,5/16" W x 21.5" L

CABLE STRAP Plastic

2шт.

18

86630179

SUPPORT

1шт.

19

87572

BUSHING

Hex, 1/2"-3/8"

1шт.

20

120075

BOLT,M10 x 1.5 x 106.58mm, Cl 8.8

2шт.

21

100037

LOCK NUT,M10 x 1.5, Cl 8

2шт.

22

43138

BOLT,Hex, M10 x 1.5 x 20mm, Cl 8.8

2шт.

23

140045

BELLEVILLE WASHER,M10 Bolt Size x 22mm OD x 1.6mm Thk

3шт.

24

87414

LUBE NIPPLE,1/4" - 28

1шт.

25

80756

COTTER PIN,1/8" x 3/4"

1шт.

26

9628503

NUT,3/8"-16, G5

1шт.

27

86523956

COTTER PIN,5/32" x 1"

1шт.

28

87725907

DIA KIT, HARVESTER

Hydraulic Pickup Lift, Includes: Installation Instructions

1шт.

Refer to Installation Instructions for Correct Assembly Procedure.

1шт.

Выбрано товаров: 31