Запчасти Case IH SB521 (90.105.03) - SHIELDS, FRONT (90) - PLATFORM, CAB, BODYWORK AND DECALS

Схема запчастей Case IH SB521 - (90.105.03) - SHIELDS, FRONT (90) - PLATFORM, CAB, BODYWORK AND DECALS
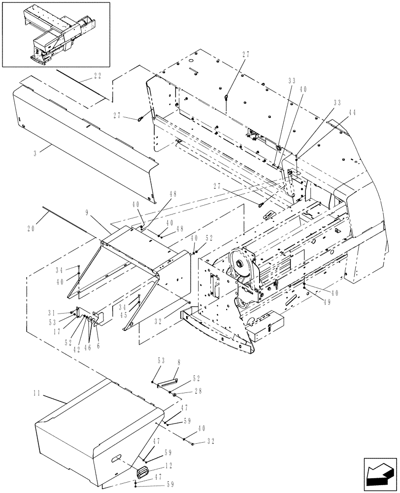
20
45
33
32
3
52
17
27
22
8
48
44
34
47
34
47
32
40
47
40
46
27
31
48
40
40
9
52
40
59
53
27
40
40
11
33
53
59
6
12
52
42
28
59
49
FIT
1:1
100%

Артикул

Название

Примечание

Количество

3

87705266

DOOR

Includes: Ref. 4

1шт.

4

86626958

WARNING DECAL

English

1шт.

Not Illustrated. Refer to Decal Figures for Decal Placement.

1шт.

6

87749603

SUPPORT

1шт.

8

87749605

LATCH

2шт.

9

87708956

FILLER

1шт.

12

3962571

HANDLE

1шт.

17

87749606

BRACKET

1шт.

20

9604432

SPINDLE

1шт.

22

691829

PIN

1шт.

27

264552

FASTENER

3шт.

28

87494304

SPACER

1шт.

31

86521553

BOLT,Hex, 5/16" - 18 x 1", Gr 5

1шт.

32

280350

BOLT

2шт.

33

280641

BOLT,Hex, 1/4" - 20 x 5/8", Gr 5

6шт.

34

87872

BOLT,Hex, 5/16" - 18 x 3/4", Gr 5

6шт.

40

322358

BELLEVILLE WASHER,M8 Bolt Size x 18mm OD x 1.4mm Thk

17шт.

42

80664

WASHER,0.38" ID x 0.88" OD x 0.08" Thk

1шт.

44

87361

WASHER,0.28" ID x 0.62" OD x 0.07" Thk

3шт.

45

83918746

WASHER,0.34" ID x 0.69" OD x 0.07" Thk

3шт.

46

322

WASHER,8.73mm ID x 42.07mm OD x 3.43mm Thk

2шт.

47

9824840

WASHER,4.3mm ID x 9mm OD x 0.8mm Thk

6шт.

48

7770

NUT,Hex, 1/4 - 20, Cl 5

6шт.

49

9635082

NUT,5/16" - 18, Gr 5

3шт.

52

86521605

FLANGE NUT,5/16"-18, Cl 5

2шт.

53

86629544

NUT,5/16” – 18, GR B

3шт.

Выбрано товаров: 26