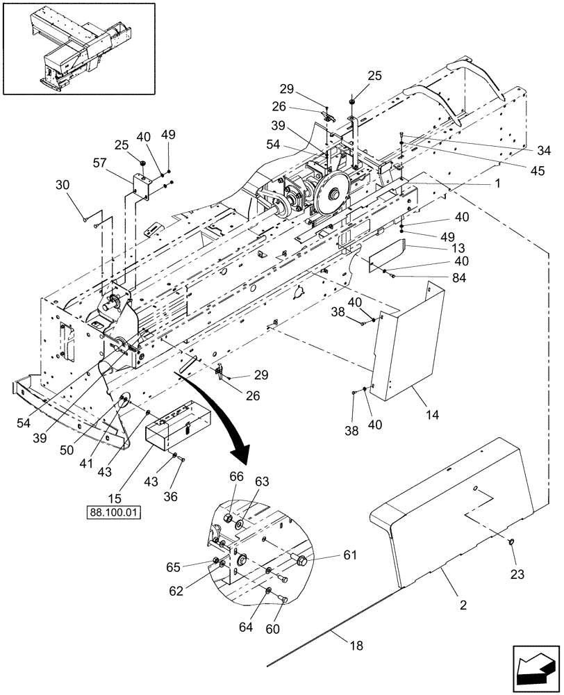
Запчасти Case IH SB521 (90.105.06) - SHIELDS, LH (90) - PLATFORM, CAB, BODYWORK AND DECALS

Схема запчастей Case IH SB521 - (90.105.06) - SHIELDS, LH (90) - PLATFORM, CAB, BODYWORK AND DECALS
40
64
36
40
66
40
25
41
13
38
2
54
45
40
14
50
29
54
57
63
84
39
18
15
38
40
62
30
43
25
43
34
26
88.100.01
65
26
60
1
23
49
49
61
39
29
FIT
1:1
100%

Артикул

Название

Примечание

Количество

1

86626084

HINGE

1шт.

2

87663982

SHIELD

1шт.

3

86630681

BRACKET

Lift

1шт.

4

9622377

DECAL

1шт.

5

87704408

COVER

1шт.

13

87704408

COVER

1шт.

14

87654916

SHIELD

1шт.

15

87727550

TOOL BOX

1шт.

18

244525

PIN

1шт.

23

285412

PLUG

1шт.

25

174265

GROMMET

2шт.

26

244457

LATCH

2шт.

29

84821

SCREW,Truss HD, #10 - 24 x 1/2"

4шт.

30

280497

CARRIAGE BOLT,Short Sq Nk, 5/16" - 18 x 3/4", Gr 5, Full Thd

2шт.

33

9840986

CLIP

1шт.

34

86521553

BOLT,Hex, 5/16" - 18 x 1", Gr 5

3шт.

36

88011

BOLT,Hex, 3/8" - 16 x 1 1/4", Gr 5

2шт.

38

120103

BOLT,M8 x 1.25 x 16mm, Cl 8.8

4шт.

39

322357

BELLEVILLE WASHER,M6 Bolt Size x 14mm OD x 1.3mm Thk

7шт.

40

322358

BELLEVILLE WASHER,M8 Bolt Size x 18mm OD x 1.4mm Thk

7шт.

41

140045

BELLEVILLE WASHER,M10 Bolt Size x 22mm OD x 1.6mm Thk

4шт.

43

80702

WASHER,0.44" ID x 1" OD x 0.08" Thk

5шт.

44

86511919

SCREW,Pan, #10 - 24 x 3/8"

2шт.

45

83918746

WASHER,0.34" ID x 0.69" OD x 0.07" Thk

3шт.

48

280497

CARRIAGE BOLT,Short Sq Nk, 5/16" - 18 x 3/4", Gr 5, Full Thd

2шт.

49

9635082

NUT,5/16" - 18, Gr 5

3шт.

50

9628503

NUT,3/8"-16, G5

4шт.

54

87304

NUT,#10-24

4шт.

55

9635884

BOLT,Hex, 5/16" - 18 1", Full Thd, Gr 5

1шт.

57

88206

BOLT,Hex, 3/8" - 16 x 1", Gr 5

2шт.

60

87872

BOLT,Hex, 5/16" - 18 x 3/4", Gr 5

2шт.

61

86521614

BOLT,Hex, 1/2" - 13 x 1 1/4", Gr 5

1шт.

62

322358

BELLEVILLE WASHER,M8 Bolt Size x 18mm OD x 1.4mm Thk

2шт.

63

86513238

LOCK WASHER,.515” ID x 1.070” OD x .120” TK

1шт.

64

83918746

WASHER,0.34" ID x 0.69" OD x 0.07" Thk

2шт.

65

9635082

NUT,5/16" - 18, Gr 5

3шт.

66

208431

CYLINDER HEAD

1шт.

68

80684

LOCK WASHER,4.9mm ID x 8.48mm OD x 1.19mm Thk

2шт.

74

7770

NUT,Hex, 1/4 - 20, Cl 5

2шт.

80

87304

NUT,#10-24

4шт.

83

87494310

PLATE

1шт.

84

87872

BOLT,Hex, 5/16" - 18 x 3/4", Gr 5

1шт.

Выбрано товаров: 0