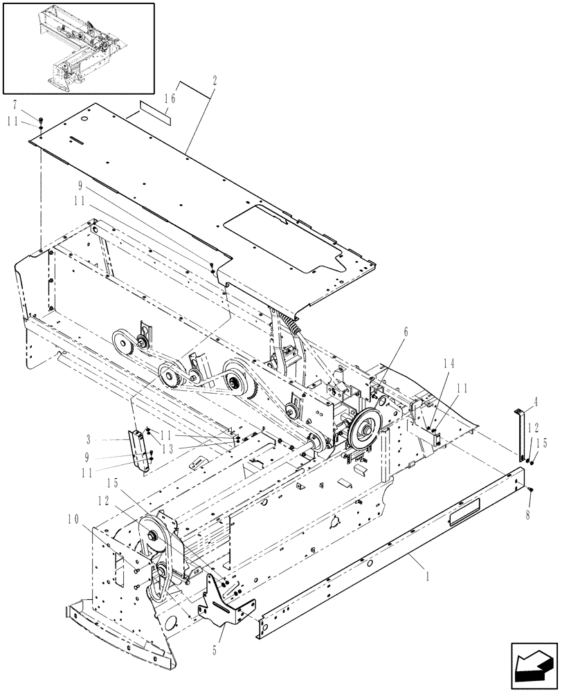
Запчасти Case IH SB531 (90.105.50) - SHIELDS, FEEDER TOP, SB531, AUSTRALIA (90) - PLATFORM, CAB, BODYWORK AND DECALS

Схема запчастей Case IH SB531 - (90.105.50) - SHIELDS, FEEDER TOP, SB531, AUSTRALIA (90) - PLATFORM, CAB, BODYWORK AND DECALS
6
15
2
4
14
12
7
11
3
10
1
11
9
11
12
9
16
8
15
5
13
11
11
FIT
1:1
100%

Артикул

Название

Примечание

Количество

1

87479623

CHANNEL

1шт.

2

87716774

COVER

1шт.

3

87746164

SUPPORT

1шт.

4

86640938

SUPPORT

1шт.

5

87479620

SUPPORT

1шт.

6

80280503

CARRIAGE BOLT,Sht Sq Nk, 3/8" - 16 x 1", Gr 5, Full Thd

1шт.

7

9804258

BOLT,Hex, M8 x 1.25 x 20mm, Cl 8.8

21шт.

8

86521552

BOLT,Hex, 5/16" - 18 x 3/4", Gr 5

2шт.

9

280641

BOLT,Hex, 1/4" - 20 x 5/8", Gr 5

2шт.

10

88682

CARRIAGE BOLT,Short Nk, 3/8"-16 x 1", Gr 5

2шт.

11

322358

BELLEVILLE WASHER,M8 Bolt Size x 18mm OD x 1.4mm Thk

27шт.

12

140045

BELLEVILLE WASHER,M10 Bolt Size x 22mm OD x 1.6mm Thk

3шт.

13

7770

NUT,Hex, 1/4 - 20, Cl 5

2шт.

14

9635082

NUT,5/16" - 18, Gr 5

2шт.

15

9628503

NUT,3/8"-16, G5

3шт.

16

86547781

REFLECTOR,RED

1шт.

Выбрано товаров: 16