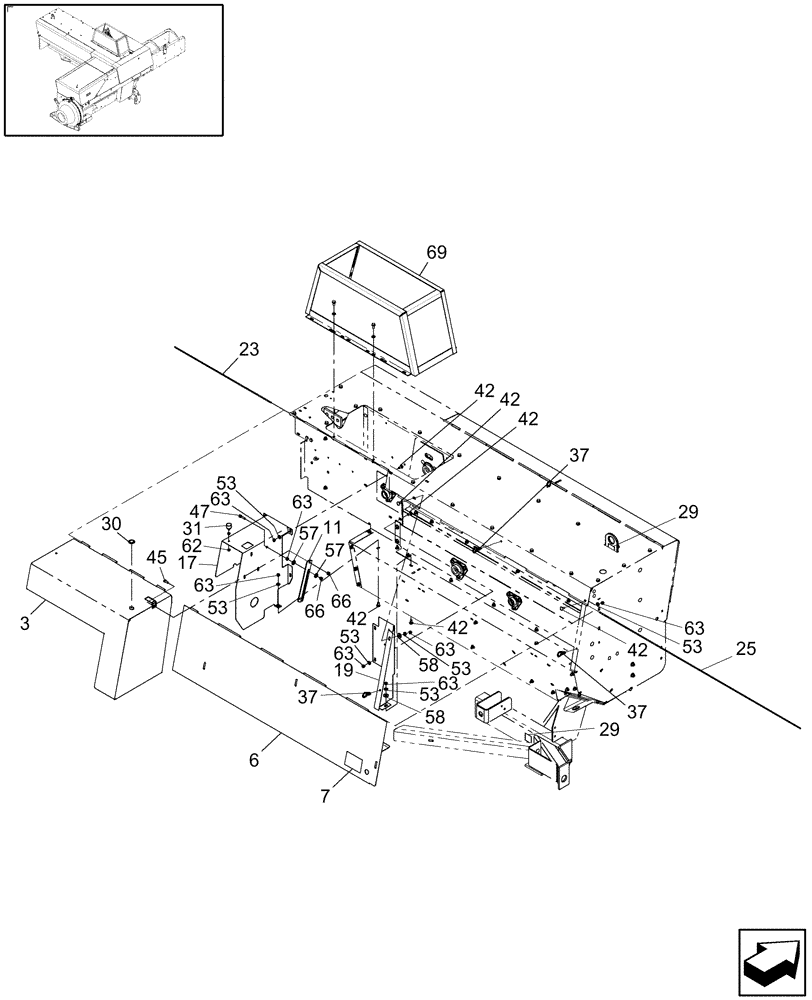
Запчасти Case IH SB531 (90.105.53) - SHIELDS, REAR, SB531 AUSTRALIA (90) - PLATFORM, CAB, BODYWORK AND DECALS

Схема запчастей Case IH SB531 - (90.105.53) - SHIELDS, REAR, SB531 AUSTRALIA (90) - PLATFORM, CAB, BODYWORK AND DECALS
58
53
42
53
69
11
63
47
37
3
42
29
42
45
42
17
66
53
63
63
63
63
58
19
63
31
63
62
53
37
66
57
42
25
7
30
53
42
37
29
57
23
6
53
FIT
1:1
100%

Артикул

Название

Примечание

Количество

3

86635524

COVER

Knotter

1шт.

6

84128998

DOOR

Rear, Includes: Ref. 7

1шт.

11

86629754

LATCH

1шт.

17

87479624

PROTECTION PLATE

Knotter

1шт.

19

87479625

SUPPORT

1шт.

23

637576

PIN,4.76mm OD x 2057.4mm L

1шт.

25

84129003

PIN

1шт.

29

9622377

DECAL

Lift Hook

2шт.

30

285412

PLUG

1шт.

31

9844656

BUMPER

1шт.

37

264552

FASTENER

3шт.

42

280497

CARRIAGE BOLT,Short Sq Nk, 5/16" - 18 x 3/4", Gr 5, Full Thd

8шт.

45

87872

BOLT,Hex, 5/16" - 18 x 3/4", Gr 5

1шт.

47

87657

BOLT,Hex, 5/16" - 18 x 1 1/4", Gr 5

1шт.

50

86521552

BOLT,Hex, 5/16" - 18 x 3/4", Gr 5

1шт.

53

322358

BELLEVILLE WASHER,M8 Bolt Size x 18mm OD x 1.4mm Thk

8шт.

57

80664

WASHER,0.38" ID x 0.88" OD x 0.08" Thk

2шт.

58

80702

WASHER,0.44" ID x 1" OD x 0.08" Thk

2шт.

63

9635082

NUT,5/16" - 18, Gr 5

8шт.

66

86629544

NUT,5/16” – 18, GR B

2шт.

69

87746186

COVER

1шт.

Выбрано товаров: 21