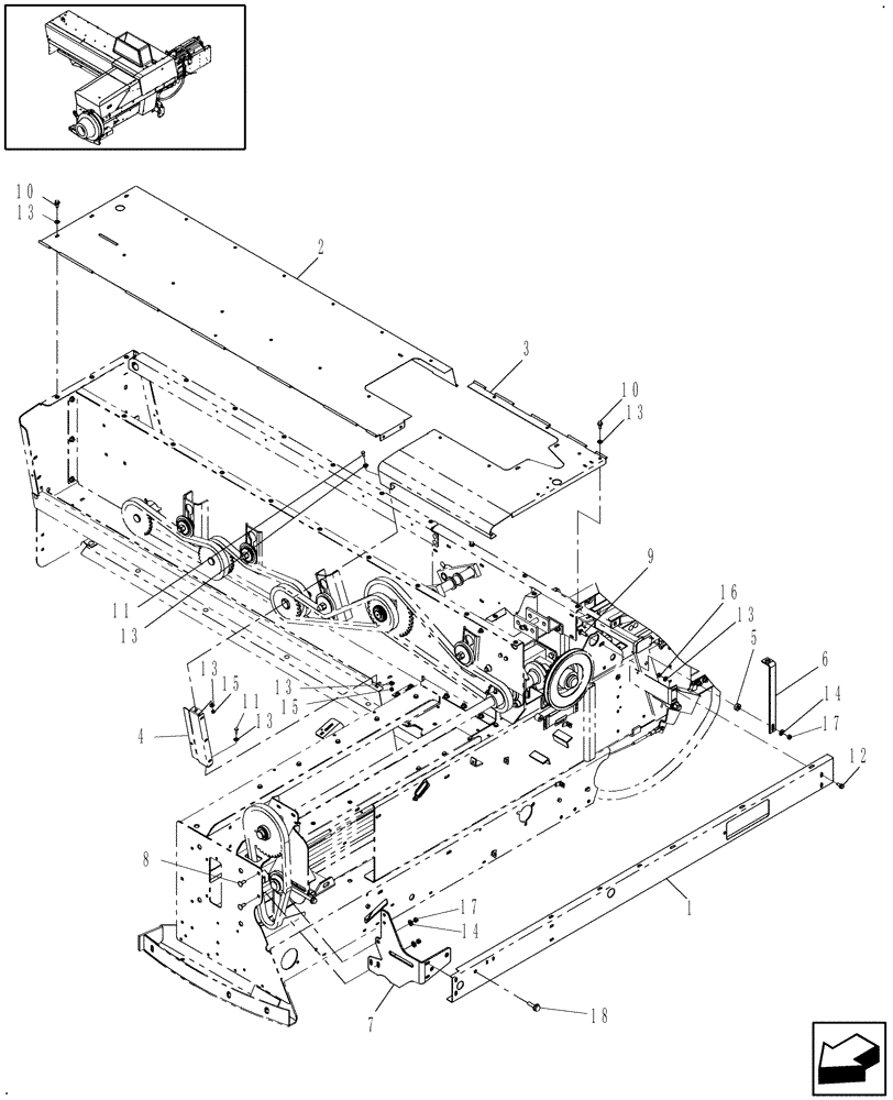
Запчасти Case IH SB541 (90.105.60) - SHIELDS, FEEDER TOP, SB541 AUSTRALIA AND BRAZIL (90) - PLATFORM, CAB, BODYWORK AND DECALS

Схема запчастей Case IH SB541 - (90.105.60) - SHIELDS, FEEDER TOP, SB541 AUSTRALIA AND BRAZIL (90) - PLATFORM, CAB, BODYWORK AND DECALS
13
2
1
9
11
13
10
10
14
4
15
15
5
18
17
13
13
11
16
7
13
12
13
17
13
8
3
6
14
FIT
1:1
100%

Артикул

Название

Примечание

Количество

1

87721883

CHANNEL

1шт.

2

87679073

COVER

RH

1шт.

3

87679070

COVER

LH

1шт.

4

87746164

SUPPORT

1шт.

5

86978500

SPACER

1шт.

6

86640938

SUPPORT

1шт.

7

87479620

SUPPORT

1шт.

8

88682

CARRIAGE BOLT,Short Nk, 3/8"-16 x 1", Gr 5

2шт.

9

86508749

CARRIAGE BOLT,Short Square Neck, 3/8" - 16 x 1 1/4", Grade 5

1шт.

10

9804258

BOLT,Hex, M8 x 1.25 x 20mm, Cl 8.8

23шт.

11

280641

BOLT,Hex, 1/4" - 20 x 5/8", Gr 5

4шт.

12

86521552

BOLT,Hex, 5/16" - 18 x 3/4", Gr 5

2шт.

13

322358

BELLEVILLE WASHER,M8 Bolt Size x 18mm OD x 1.4mm Thk

31шт.

14

140045

BELLEVILLE WASHER,M10 Bolt Size x 22mm OD x 1.6mm Thk

3шт.

15

7770

NUT,Hex, 1/4 - 20, Cl 5

4шт.

16

9635082

NUT,5/16" - 18, Gr 5

2шт.

17

9628503

NUT,3/8"-16, G5

3шт.

18

86521618

BOLT,Hex, 1/2" - 13 x 2 1/2", Gr 5

1шт.

Выбрано товаров: 18