Запчасти Case IH SB541 (31.201.03) - POWER TAKE OFF, REAR (31) - IMPLEMENT POWER TAKE OFF

Схема запчастей Case IH SB541 - (31.201.03) - POWER TAKE OFF, REAR (31) - IMPLEMENT POWER TAKE OFF
14
17
7
8
12
17
10
2
9
15
6
13
5
1
11
4
17
16
3
17
FIT
1:1
100%

Артикул

Название

Примечание

Количество

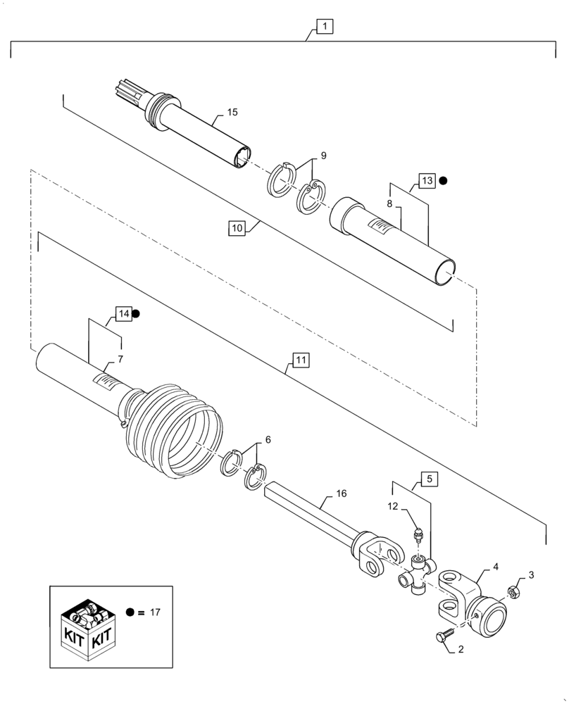
1

0C

ORDER COMPONENTS

PTO, Rear

1шт.

87399498

1шт.

2

4932

BOLT

1шт.

3

85700693

NUT,5/8" - 11, Gr C

1шт.

4

87757082

CLAMP

1шт.

5

86520873

BEARING ASSY

Cross & Bearing Kit

1шт.

6

87050379

REPAIR KIT

Nylon

1шт.

7

849471

DANGER DECAL

English, Included with Ref. 1

1шт.

7

849482

DANGER DECAL

French

1шт.

Locate Decal Adjacent to English Decal Where Possible. Install Decal Over English Decal Where Necessary.

1шт.

7

9801260

DANGER DECAL

Spanish

1шт.

Locate Decal Adjacent to English Decal Where Possible. Install Decal Over English Decal Where Necessary.

1шт.

8

849472

DANGER DECAL

English, Included with Ref. 1

1шт.

8

849483

DANGER DECAL

French

1шт.

Locate Decal Adjacent to English Decal Where Possible. Install Decal Over English Decal Where Necessary.

1шт.

8

9801256

DANGER DECAL

Spanish

1шт.

Locate Decal Adjacent to English Decal Where Possible. Install Decal Over English Decal Where Necessary.

1шт.

9

86505713

NYLON BEARING

Nylon

1шт.

10

87757087

TUBE,PTP Shaft

Tube Half

1шт.

11

87757088

PTO SHAFT

1шт.

12

80714

LUBE NIPPLE,1/4"-28 NPT x .54" lg

1шт.

13

NSS

NOT SOLD SEPARAT

Guard, Inner

1шт.

14

NSS

NOT SOLD SEPARAT

Guard, Outer

1шт.

15

NSS

NOT SOLD SEPARAT

Shaft

1шт.

16

NSS

NOT SOLD SEPARAT

Tube & Yoke

1шт.

17

84180548

GUARD

Set, Includes: Ref. 13 & 14

1шт.

Выбрано товаров: 26