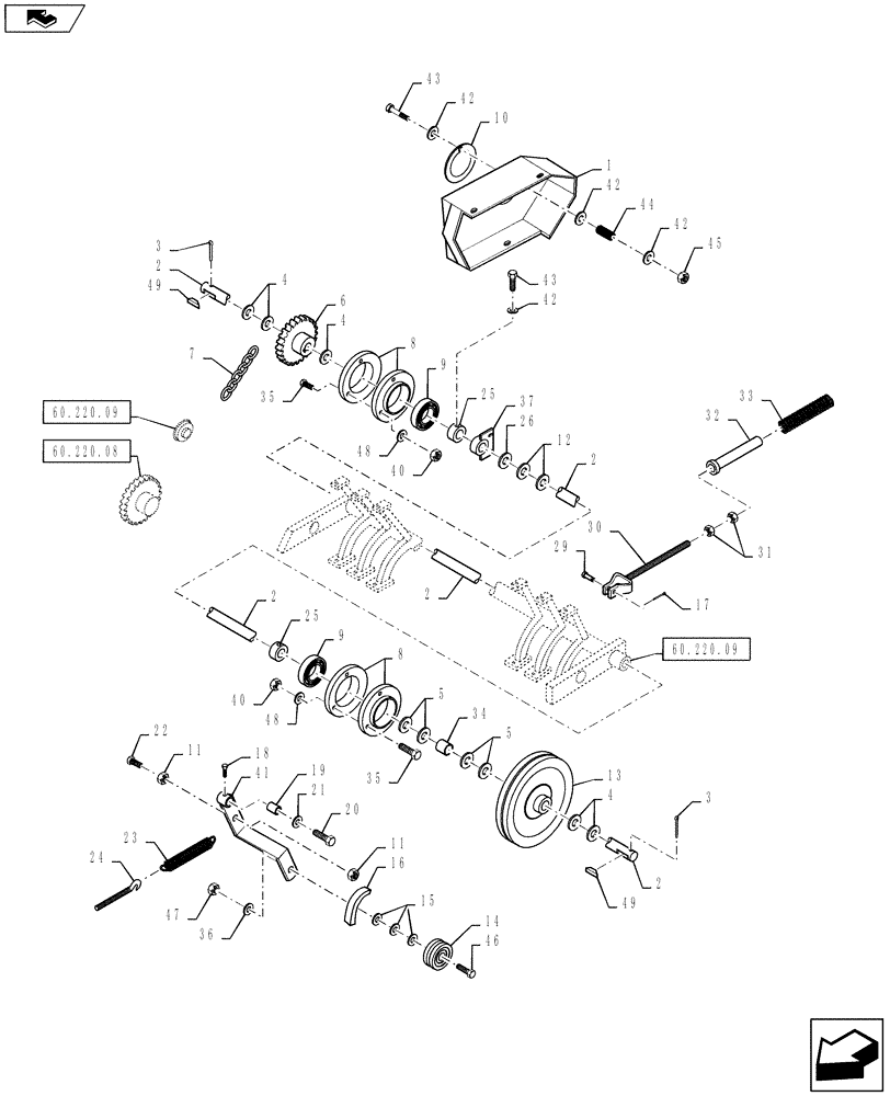
Запчасти Case IH SB541 (60.220.07) - PICKUP DRIVE (60) - PRODUCT FEEDING

Схема запчастей Case IH SB541 - (60.220.07) - PICKUP DRIVE (60) - PRODUCT FEEDING
60.220.09
2
46
34
19
3
11
home
49
49
29
16
14
43
13
47
26
41
37
32
33
8
10
6
44
48
42
3
25
4
40
9
36
42
23
22
35
2
5
15
7
1
24
18
48
8
31
42
45
42
2
4
40
21
2
20
2
30
4
25
17
11
5
12
9
35
43
60.220.08
60.220.09
FIT
1:1
100%

Артикул

Название

Примечание

Количество

1

86626118

SHIELD

RH, SB531, No Hole for Ref. 10

1шт.

1

87735724

SHIELD

RH, SB541, Has Hole & Uses Ref. 10

1шт.

2

87735726

SHAFT

Pickup Drive

1шт.

3

87399

COTTER PIN,1/2 x 3 Bolt

2шт.

4

26402

WASHER,25.8mm ID x 38.1mm OD x 1.7mm Thk

SB531

13/ARшт.

4

128303

WASHER

SB541

9/ARшт.

5

26301

WASHER

7ARшт.

6

86630312

DRIVING SPROCKET

17T, SB531

1шт.

6

86630873

DRIVING SPROCKET

17T, SB541

1шт.

7

9621911

CHAIN,RC 2050, 35 Links x 31.75mm = 1111.25mm

Roller, RC 2050, 35 Pitches, Includes: Ref. 38, 39 & 47

1шт.

8

86603075

FLANGE,Bearing, 52.01 mm ID x 95.3 mm OD x 8.7 mm

SB531

4шт.

8

86548970

FLANGED BEARING

SB541

4шт.

9

574844

BALL BEARING,25.4mm ID x 52mm OD x 15mm W

SB531

2шт.

9

45882

BALL BEARING,28.57mm ID x 62mm OD x 18mm W

SB541

4шт.

10

87735723

COVER

SB541

1шт.

11

9628503

NUT,3/8"-16, G5

9шт.

12

86529375

WASHER,2.44" ID x 3.5" OD x 0.24" Thk

1шт.

13

86629583

SHEAVE

SB531

1шт.

13

86633414

SHEAVE

SB541

1шт.

14

86636724

IDLER,101.6mm Idler Dia x 115.49mm OD x 37.31mm W

1шт.

15

87364

WASHER,0.53" ID x 1.06" OD x 0.1" Thk

3шт.

16

86629763

V-BELT,0.66" W x 82.90" L

1шт.

17

80755

COTTER PIN,1/8" OD x 1" L

2шт.

18

87569

LUBE NIPPLE,45 Degree, 1/4" NPT x 4/5" L, Drive

1шт.

19

334712

BUSHING,11mm ID x 20mm OD x 30mm L

1шт.

20

120069

BOLT,M10 x 1.5 x 56.58mm OAL, Cl 8.8

1шт.

21

140045

BELLEVILLE WASHER,M10 Bolt Size x 22mm OD x 1.6mm Thk

1шт.

22

88011

BOLT,Hex, 3/8" - 16 x 1 1/4", Gr 5

3шт.

23

86633427

SPRING

Tension

1шт.

24

27953

EYEBOLT

G2, 3/8"-16 x 5-1/2"

1шт.

25

38260

COLLAR

Locking, SB531

2шт.

25

45876

COLLAR,28.6mm ID x 44.45mm OD x 16mm W

Locking, SB541

2шт.

26

86529374

WASHER,2.5" ID x 3.5" OD x 0.13" Thk

2-1/2" ID, 3-1/2" OD x .13" Thick

1шт.

27

128303

WASHER

1-1/8"

1шт.

29

76877

CLEVIS PIN,12.6mm OD x 34.52mm L

1/2" x 1-3/8", SB531

2шт.

29

76877

CLEVIS PIN,12.6mm OD x 34.52mm L

1/2" x 1-3/8", SB541

3шт.

30

573004

CLEVIS

SB531

2шт.

30

573004

CLEVIS

SB541

3шт.

31

9636972

JAM NUT,Jam, 5/8"-11, G2

SB531

4шт.

31

9636972

JAM NUT,Jam, 5/8"-11, G2

SB541

6шт.

32

86629628

TUBE

2шт.

33

50564

SPRING

2шт.

34

706279

HUB

1шт.

35

120104

BOLT,Hex, M8 x 1.25 x 20mm, Cl 8.8

6шт.

36

86513238

LOCK WASHER,.515” ID x 1.070” OD x .120” TK

Belleville, 1/2"

1шт.

37

226036

TUBE

1шт.

38

25810

LINK CHAIN

Roller, RC 2050, Cotter Style, SB531

35шт.

Not Illustrated

1шт.

38

25810

LINK CHAIN

Roller, RC 2050, Cotter Style, SB541

33шт.

Not Illustrated

1шт.

39

86977795

CONNECTING LINK

1шт.

40

9706690

NUT,M8 x 1.25, Cl 8

6шт.

41

87044685

ARM

1шт.

42

80701

WASHER,0.31" ID x 0.73" OD x 0.07" Thk

SB541

3шт.

43

280164

BOLT,Hex, 1/4" - 20 x 1 3/4", Gr 5

SB541

1шт.

44

37193

SPRING

SB541

1шт.

45

20356

NUT,1/4"-20, GB

SB541

1шт.

46

87972

BOLT,Hex, 1/2" - 13 x 2 1/2", Gr 5

1шт.

47

86595273

LINK,31.75mm Pitch

Offset, SB541

1шт.

Not Illustrated

1шт.

48

322358

BELLEVILLE WASHER,M8 Bolt Size x 18mm OD x 1.4mm Thk

SB531

6шт.

48

140045

BELLEVILLE WASHER,M10 Bolt Size x 22mm OD x 1.6mm Thk

SB541

6шт.

49

80768

WOODRUFF KEY,#15, 1/4" x 1"

SB531

2шт.

49

84361

WOODRUFF KEY,#21, 1/4" x 1 1/4"

SB541

2шт.

50

280431

NUT,1/2"-13, G5

1шт.

Выбрано товаров: 65