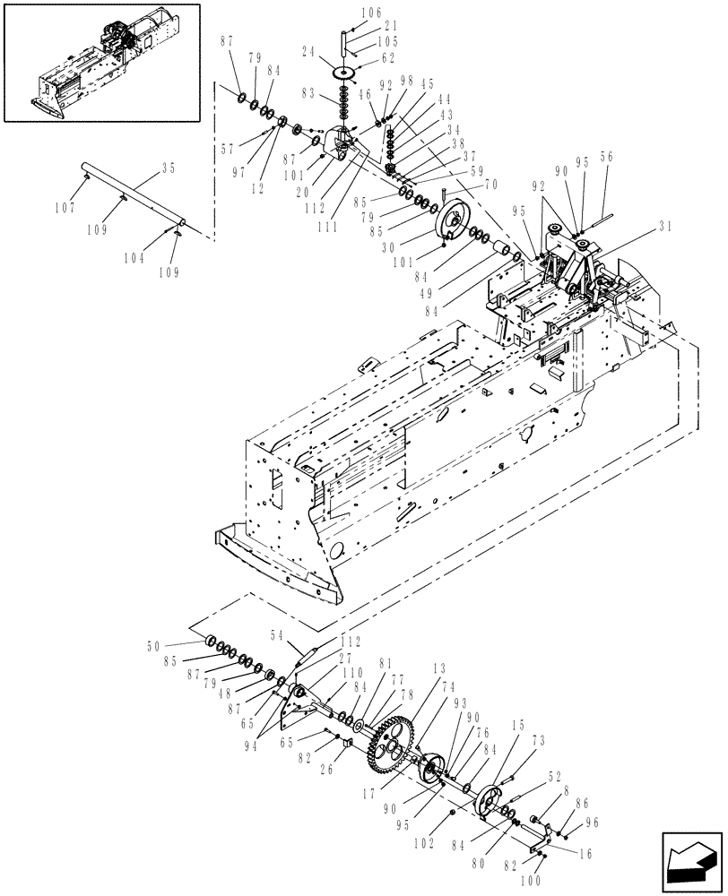
Запчасти Case IH SB541 (68.180.11) - WIRE TWISTER DRIVE (68) - TYING/WRAPPING

Схема запчастей Case IH SB541 - (68.180.11) - WIRE TWISTER DRIVE (68) - TYING/WRAPPING
31
101
35
95
79
16
34
84
20
52
87
109
78
110
82
77
85
15
46
21
112
94
90
105
109
44
54
62
93
96
106
27
74
92
38
98
79
30
84
86
17
84
92
87
48
65
59
43
79
102
107
65
49
85
24
90
104
50
26
90
82
37
57
100
84
101
83
12
97
84
80
8
13
84
87
76
70
56
95
111
81
45
85
95
87
73
112
FIT
1:1
100%

Артикул

Название

Примечание

Количество

8

36800

ROLLER BEARING

1шт.

12

267596

COLLAR

2шт.

13

848596

GEAR

39T

1шт.

15

848847

CLUTCH MECHANISM

1шт.

16

87609552

LEVER,173mm L

Arm

1шт.

17

86502134

LATCH

1шт.

20

570278

MUFFLER

1шт.

21

54564

SHAFT

1шт.

24

43801

GEAR

1шт.

26

166244

STOP

1шт.

27

84133799

SUPPORT

LH, Includes: Ref. 28

1шт.

28

222939

BUSHING,35.13mm ID x 41.34mm OD x 19.05mm L

2шт.

30

694701

BEVEL GEAR

1шт.

31

694642

FRAME

1шт.

34

58074

BEVEL PINION

1шт.

35

87658712

SHAFT

Twister

1шт.

37

58075

WEAR PLATE

1шт.

38

58076

SHIM,.010" Thk

2шт.

43

187425

SHIM,.005" Thk

2шт.

44

187426

SHIM,.015" Thk

2шт.

45

195903

SHIM,.025" Thk

2шт.

46

224327

RUBBER WASHER

1шт.

48

602703

SPACER

1шт.

49

615996

SPACER

1шт.

50

620972

SPACER

1шт.

52

18

SPRING

1шт.

54

86640793

SPRING

1шт.

56

198829

ADJUSTMENT SCREW,3/8" - 16 x 5 1/2"

1шт.

57

86512812

SET SCREW,Sq Hd, 5/16" - 18 x 3/4", Cup Pt

2шт.

59

88104

SCREW,Flat Hd, CSK, #6 - 32 x 1/2", Brass

2шт.

62

80428

SET SCREW,5/16"-18 x 3/8"

2шт.

65

9635884

BOLT,Hex, 5/16" - 18 1", Full Thd, Gr 5

2шт.

70

88546

BOLT,Hex, 3/8" - 16 x 2 1/4", Gr 5

1шт.

73

87972

BOLT,Hex, 1/2" - 13 x 2 1/2", Gr 5

1шт.

74

84443

SQUARE BOLT,3/8" - 16 x 3/4", Gr 2

1шт.

76

280266

BOLT,Hex, 3/8" - 24 x 3/4", Gr 5, Full Thd

1шт.

77

800958

SHEAR BOLT

Kit, Includes: (6) Ref. 78 & (6) Ref. 93

1шт.

78

58146

SHEAR BOLT

6шт.

79

267571

WASHER

4шт.

80

27697

WASHER,16.66mm ID x 27mm OD x 1.52mm Thk

2шт.

81

33004

WASHER

1шт.

82

48055

WASHER

2шт.

83

45960

WASHER

6шт.

84

58630

WASHER,.0299" Thk

11шт.

85

570275

WASHER

6шт.

86

285072

WASHER,10.3mm ID x 22.2mm OD x 2.7mm Thk

(3/8")

1шт.

87

9800957

WASHER,35.81mm ID x 50.8mm OD x 1.52mm Thk

5шт.

90

80680

LOCK WASHER,3/8 0.381 CST ZND

3шт.

92

80702

WASHER,0.44" ID x 1" OD x 0.08" Thk

3шт.

93

88015

LOCK NUT,Flg, #12

1шт.

94

9635082

NUT,5/16" - 18, Gr 5

2шт.

95

9628503

NUT,3/8"-16, G5

3шт.

96

84950

NUT,3/8"-16, G2

1шт.

97

9626568

JAM NUT,Jam, 5/16"-18, G2

2шт.

98

86509499

JAM NUT,3/8"-16, G2

2шт.

100

86629544

NUT,5/16” – 18, GR B

1шт.

101

9637692

NUT,3/8"-16, GB

2шт.

102

9636698

NUT,1/2"-13, GB

1шт.

104

87399

COTTER PIN,1/2 x 3 Bolt

2шт.

105

50598

GROOVED PIN,6.35mm OD x 31.75mm L

1шт.

106

80810

WOODRUFF KEY,#9, 3/16" x 3/4"

1шт.

107

280414

WOODRUFF KEY,#C, 5/16" x 1 1/8"

1шт.

109

87122

WOODRUFF KEY,#128, 5/16" x 2 1/8"

2шт.

110

88775

LUBE NIPPLE,1/4"-28

1шт.

111

87569

LUBE NIPPLE,45 Degree, 1/4" NPT x 4/5" L, Drive

2шт.

112

87414

LUBE NIPPLE,1/4" - 28

2шт.

Выбрано товаров: 66