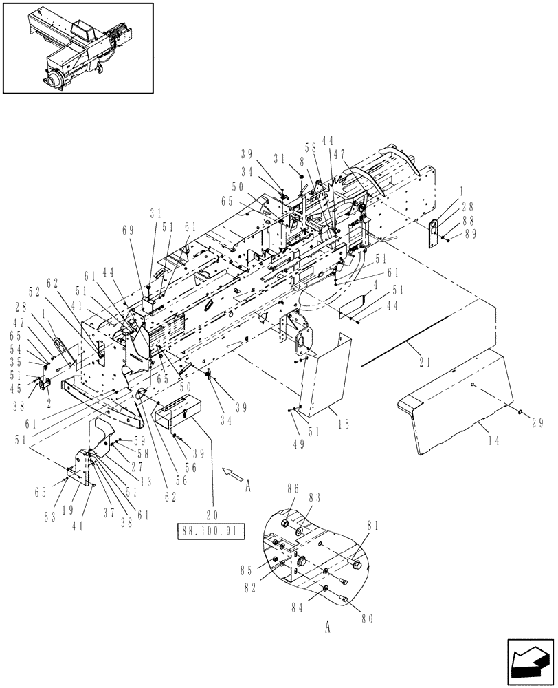
Запчасти Case IH SB541C (90.105.61) - SHIELDS, LH, SB541 AUSTRALIA (90) - PLATFORM, CAB, BODYWORK AND DECALS

Схема запчастей Case IH SB541C - (90.105.61) - SHIELDS, LH, SB541 AUSTRALIA (90) - PLATFORM, CAB, BODYWORK AND DECALS
62
51
62
56
69
39
81
47
49
1
65
80
61
51
a
28
84
54
45
61
51
14
56
50
19
61
88.100.01
51
58
65
47
a
15
51
28
31
51
52
44
20
89
41
82
53
61
37
34
31
29
83
58
35
65
50
88
34
39
44
13
65
86
51
4
1
61
85
38
59
27
38
41
39
21
2
44
51
8
FIT
1:1
100%

Артикул

Название

Примечание

Количество

1

86630681

BRACKET

2шт.

2

86515300

BRACKET

1шт.

4

87704408

COVER

1шт.

8

86626084

HINGE

1шт.

13

86630685

SHIELD

1шт.

14

87663982

SHIELD

1шт.

15

87654916

SHIELD

1шт.

19

86630694

SUPPORT

1шт.

20

87727550

TOOL BOX

1шт.

21

244525

PIN

1шт.

27

37193

SPRING

1шт.

28

9622377

DECAL

4шт.

29

285412

PLUG

1шт.

31

174265

GROMMET

1шт.

34

244457

LATCH

2шт.

35

9840986

CLIP

1шт.

37

47325

CLIP

1шт.

38

86511919

SCREW,Pan, #10 - 24 x 3/8"

3шт.

39

84821

SCREW,Truss HD, #10 - 24 x 1/2"

4шт.

41

280497

CARRIAGE BOLT,Short Sq Nk, 5/16" - 18 x 3/4", Gr 5, Full Thd

15шт.

44

87872

BOLT,Hex, 5/16" - 18 x 3/4", Gr 5

14шт.

45

9635884

BOLT,Hex, 5/16" - 18 1", Full Thd, Gr 5

2шт.

47

88206

BOLT,Hex, 3/8" - 16 x 1", Gr 5

6шт.

48

88011

BOLT,Hex, 3/8" - 16 x 1 1/4", Gr 5

2шт.

49

120103

BOLT,M8 x 1.25 x 16mm, Cl 8.8

4шт.

50

322357

BELLEVILLE WASHER,M6 Bolt Size x 14mm OD x 1.3mm Thk

5шт.

51

322358

BELLEVILLE WASHER,M8 Bolt Size x 18mm OD x 1.4mm Thk

45шт.

52

140045

BELLEVILLE WASHER,M10 Bolt Size x 22mm OD x 1.6mm Thk

6шт.

53

86544338

LOCK WASHER,Ext-Int Tooth, #10

1шт.

54

80684

LOCK WASHER,4.9mm ID x 8.48mm OD x 1.19mm Thk

2шт.

56

80702

WASHER,0.44" ID x 1" OD x 0.08" Thk

8шт.

58

87362

WASHER,5/16" SAE

7шт.

59

86629542

NUT,M8 x 1.25, Cl 8.8

1шт.

61

9635082

NUT,5/16" - 18, Gr 5

27шт.

62

9628503

NUT,3/8"-16, G5

8шт.

65

87304

NUT,#10-24

7шт.

69

87494310

PLATE

1шт.

80

87872

BOLT,Hex, 5/16" - 18 x 3/4", Gr 5

2шт.

81

86521614

BOLT,Hex, 1/2" - 13 x 1 1/4", Gr 5

1шт.

82

322358

BELLEVILLE WASHER,M8 Bolt Size x 18mm OD x 1.4mm Thk

2шт.

83

86513238

LOCK WASHER,.515” ID x 1.070” OD x .120” TK

1шт.

84

87362

WASHER,5/16" SAE

2шт.

85

9635082

NUT,5/16" - 18, Gr 5

2шт.

86

280431

NUT,1/2"-13, G5

1шт.

87

88206

BOLT,Hex, 3/8" - 16 x 1", Gr 5

2шт.

88

140045

BELLEVILLE WASHER,M10 Bolt Size x 22mm OD x 1.6mm Thk

2шт.

89

9628503

NUT,3/8"-16, G5

2шт.

Выбрано товаров: 47