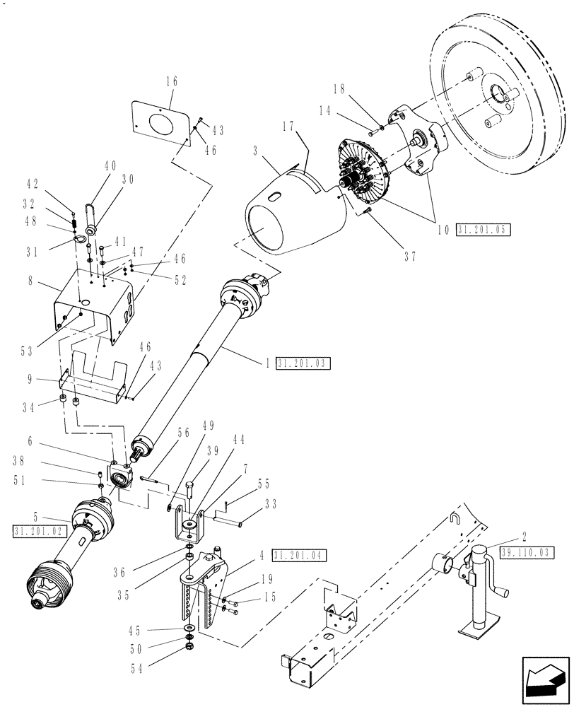
Запчасти Case IH SB551 (31.201.01) - PTO & CLUTCH (31) - IMPLEMENT POWER TAKE OFF

Схема запчастей Case IH SB551 - (31.201.01) - PTO & CLUTCH (31) - IMPLEMENT POWER TAKE OFF
38
46
15
16
19
54
48
49
1
17
41
14
40
43
36
39
9
32
42
5
45
51
31.201.05
31.201.02
39.110.03
31.201.04
31.201.03
33
47
18
2
31
34
43
46
10
35
52
7
30
46
56
8
6
50
53
44
55
4
37
3
FIT
1:1
100%

Артикул

Название

Примечание

Количество

1

87399498

PTO

PTO, Rear

1шт.

84134283

1шт.

2

86729155

JACK

1шт.

3

87682375

SHIELD

1шт.

4

0C

ORDER COMPONENTS

Power Pivot

1шт.

9604546

1шт.

5

0C

ORDER COMPONENTS

PTO, Front

1шт.

87399499

1шт.

6

86629487

BEARING ASSY,34.99mm ID

1шт.

7

84134301

YOKE

1шт.

8

87709084

SHIELD

1шт.

9

87480642

PROTECTION PLATE

1шт.

10

87627909

CLUTCH PACK

1шт.

Set Slip Clutch Torque Setting According to the Operator's Manual.

1шт.

14

9503185

BOLT,Hex, M12 x 55mm, Cl 10.9

3шт.

15

9706687

BOLT,M12 x 1.75 x 30mm, Cl 8.8

4шт.

16

87709114

SHIELD

1шт.

17

221252

DECAL

1шт.

18

262183

WASHER

3шт.

19

140046

BELLEVILLE WASHER,M12 Bolt Size x 27mm OD x 1.8mm Thk

4шт.

30

86543545

GUIDE

1шт.

31

321662

COVER

1шт.

32

87711123

SPRING

1шт.

33

84134303

PIN,15.87mm OD x 128.8mm L

1шт.

34

167444

SPACER

2шт.

35

86640860

BUSHING

1шт.

36

187426

SHIM,.015" Thk

1шт.

37

271288

BOLT,Hex Serr, 5/16" - 18 x 5/8", 5SPL, Full Thd

3шт.

38

763883

SET SCREW,1/2" - 20 x 1-1/4"

1шт.

39

573958

BOLT

1шт.

40

28114

U-BOLT

1шт.

41

120068

BOLT,Hex, M10 x 40mm, Cl 8.8

2шт.

42

88146

BOLT,Hex, 1/4" - 20 x 1", Gr 5

1шт.

43

120100

BOLT,M6 x 20mm, Cl 8.8

7шт.

44

516161

WASHER

1шт.

45

578092

WASHER,19.4mm ID x 47.6mm OD x 3.43mm Thk

1шт.

46

322357

BELLEVILLE WASHER,M6 Bolt Size x 14mm OD x 1.3mm Thk

9шт.

47

140045

BELLEVILLE WASHER,M10 Bolt Size x 22mm OD x 1.6mm Thk

2шт.

48

9824259

WASHER,6.4mm ID x 12mm OD x 1.6mm Thk

1шт.

49

87365

WASHER,0.66" ID x 1.31" OD x 0.1" Thk

1шт.

50

87340

LOCK WASHER,Helical Spring, 0.759" ID, CST, ZND

1шт.

51

87309

JAM NUT,Jam, 1/2"-20, G2

1шт.

52

87304

NUT,#10-24

2шт.

53

20356

NUT,1/4"-20, GB

1шт.

54

88886

SLOTTED NUT,3/4"-16

1шт.

55

87397

COTTER PIN,3/16" x 1"

1шт.

56

86013355

COTTER PIN

3/16" x 1-1/2"

1шт.

Выбрано товаров: 47