Запчасти Case IH SB551 (35.550.01) - HYDRAULIC TONGUE SWING (35) - HYDRAULIC SYSTEMS

Схема запчастей Case IH SB551 - (35.550.01) - HYDRAULIC TONGUE SWING (35) - HYDRAULIC SYSTEMS
35.550.02
20
6
21
24
12
8
23
19
10
21
5
15
20
2
4
17
9
24
18
7
16
21
14
6
13
3
11
31.201.01
FIT
1:1
100%

Артикул

Название

Примечание

Количество

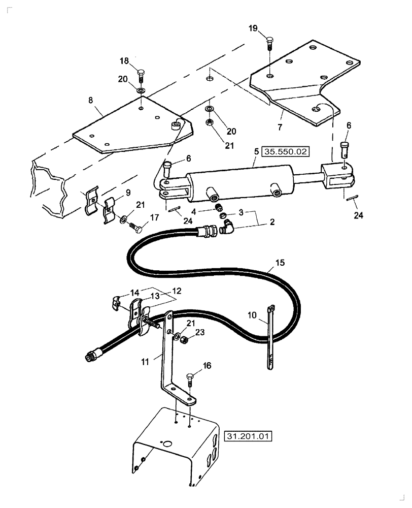
1

87725908

DIA KIT, HARVESTER

Hydraulic Tongue Swing

1шт.

2

76347

ELBOW,90 Degree, 9/16" - 18 JIC x 3/4" - 16 ORB

2шт.

3

128825

O-RING,0.087" Thk x 0.644" ID, -908, Cl 6, 90 Duro

2шт.

4

849287

ORIFICE

Plate, .0465"

1шт.

5

87018094

HYDRAULIC CYLINDER,Double Acting, 28.7mm Rod, 165.1mm Stroke

Tongue Swing

1шт.

Manufacturers' Production Date Stamp (ex. - M / 02 / 2008 = M / week / year).

1шт.

6

514864

PIN

Clevis, 1" x 3-1/8"

2шт.

7

86630101

BRACKET

1шт.

8

86630097

BRACKET

1шт.

9

207705

CLAMP,15.8mm ID

4шт.

10

529070

CABLE TIE,368.3mm L

CABLE STRAP

1шт.

11

854045

SUPPORT

Replace Existing Hardware

1шт.

12

42369

CLAMP

Includes: Ref. 13 & 14

1шт.

13

207705

CLAMP,15.8mm ID

1шт.

14

80840

WING NUT

1шт.

15

795480

FLEXIBLE HOSE,0.38" ID x 184.00", SAE 100R1

2шт.

16

120069

BOLT,M10 x 1.5 x 56.58mm OAL, Cl 8.8

Required for Use w/Heavy Duty PTO, w/Spacers Installed Under Shield

2шт.

17

43140

BOLT,Hex, M10 x 1.5 x 30mm, Cl 8.8

2шт.

18

43168

BOLT,Hex, M16 x 40mm, Cl 8.8

4шт.

19

385923

BOLT,Hex, M16 x 2 x 55mm, Cl 8.8, Full Thd

5шт.

20

394631

WASHER,17mm ID x 34mm OD x 4mm Thk

14шт.

21

140045

BELLEVILLE WASHER,M10 Bolt Size x 22mm OD x 1.6mm Thk

3шт.

22

100020

NUT,M16 x 2.0, Cl 8

5шт.

23

9628503

NUT,3/8"-16, G5

1шт.

24

86511448

COTTER PIN,0.148" Dia x 3.31" L

2шт.

Выбрано товаров: 25