Запчасти Case IH SB551 (39.110.01) - TONGUE (39) - FRAMES AND BALLASTING

Схема запчастей Case IH SB551 - (39.110.01) - TONGUE (39) - FRAMES AND BALLASTING
33
13
25
33
8
1
14
31
20
16
32
18
24
29
2
5
33
9
2
28
12
6
31
22
19
15
17
23
25
4
25
21
26
3
11
10
28
27
32
30
33
7
FIT
1:1
100%

Артикул

Название

Примечание

Количество

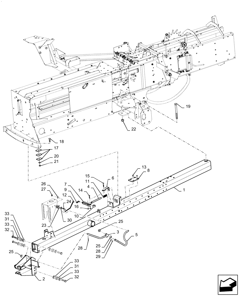
1

87729287

TONGUE

1шт.

2

87667600

HITCH

1шт.

3

87718268

SUPPORT

1шт.

4

86629458

PIN

1шт.

5

849038

HOOK

1шт.

6

226244

BRACKET

1шт.

7

226245

LATCH

1шт.

8

785127

PAD

1шт.

9

86900721

SPRING

1шт.

10

228127

SPACER,8.73mm ID x 34.92mm OD x 15.88mm L

1шт.

11

86629495

SPRING

1шт.

12

50273

ROPE

1шт.

13

88961

HEX SOC SCREW,Flat Csk Hd, 1/4" - 20 x 3/4"

4шт.

14

88275

BOLT,Hex, 5/16" - 18 x 1 1/2", Gr 5

1шт.

15

9636711

BOLT,Hex, 5/16 - 18" x 2", Gr 5

1шт.

16

86629544

NUT,5/16” – 18, GR B

2шт.

17

86547944

CLIP

3шт.

18

9707516

BOLT,1/2"-13 x 1-3/4", Cl 5

1шт.

19

381523

BOLT,Hex, M20 x 2.5 x 210mm OAL, Cl 8.8

1шт.

20

86513238

LOCK WASHER,.515” ID x 1.070” OD x .120” TK

1шт.

21

280431

NUT,1/2"-13, G5

1шт.

22

380424

NUT,M20 x 2.5, Cl 8

1шт.

23

86631407

SPRING CLIP

1шт.

24

9707580

BOLT,Hex, 1/4" - 20 x 3/4", Gr 5, Full Thd

1шт.

25

87365

WASHER,0.66" ID x 1.31" OD x 0.1" Thk

3шт.

26

322357

BELLEVILLE WASHER,M6 Bolt Size x 14mm OD x 1.3mm Thk

1шт.

27

7770

NUT,Hex, 1/4 - 20, Cl 5

1шт.

28

80755

COTTER PIN,1/8" OD x 1" L

2шт.

29

80777

GROOVED PIN,3/16" x 1 1/4", Type A

1шт.

30

80701

WASHER,0.31" ID x 0.73" OD x 0.07" Thk

1шт.

31

86640836

SPACER

4шт.

32

323866

BOLT,Hex, M16 x 2.0 x 60mm, Cl 8.8

4шт.

33

130358

WASHER,16.28mm ID x 38.35mm OD x 4.11mm Thk

8шт.

Выбрано товаров: 33