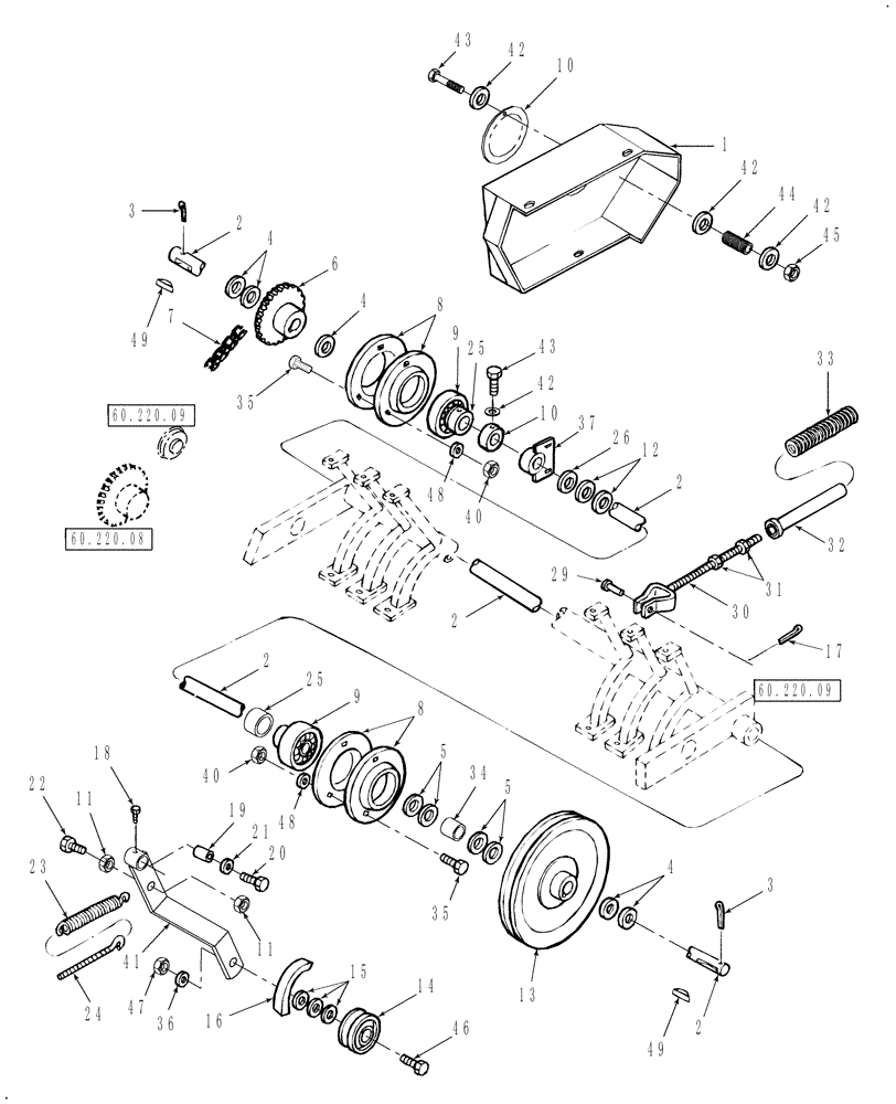
Запчасти Case IH SB551 (60.220.07) - PICKUP DRIVE (60) - PRODUCT FEEDING

Схема запчастей Case IH SB551 - (60.220.07) - PICKUP DRIVE (60) - PRODUCT FEEDING
31
48
16
36
49
23
2
40
2
25
21
22
35
32
12
8
4
3
33
25
20
29
45
2
9
10
60.220.09
60.220.09
60.220.08
9
17
5
40
46
5
4
42
14
43
3
18
10
6
41
2
13
11
4
26
24
19
42
2
48
49
1
8
43
15
37
42
30
34
11
42
44
47
35
7
FIT
1:1
100%

Артикул

Название

Примечание

Количество

1

87044859

SHIELD

RH

1шт.

2

87044752

SHAFT

Pickup Drive (2620mm Long)

1шт.

3

87399

COTTER PIN,1/2 x 3 Bolt

2шт.

4

128303

WASHER

9/ARшт.

5

26301

WASHER

7/ARшт.

6

86630873

DRIVING SPROCKET

17T

1шт.

7

9621911

CHAIN,RC 2050, 35 Links x 31.75mm = 1111.25mm

Roller, RC 2050, 35 Pitches, Includes: Ref. 38, 39 & 47

1шт.

8

86548970

FLANGED BEARING

4шт.

9

45882

BALL BEARING,28.57mm ID x 62mm OD x 18mm W

2шт.

10

87044861

COVER

1шт.

11

9628503

NUT,3/8"-16, G5

9шт.

12

86529375

WASHER,2.44" ID x 3.5" OD x 0.24" Thk

1шт.

13

86633414

SHEAVE

1шт.

14

86636724

IDLER,101.6mm Idler Dia x 115.49mm OD x 37.31mm W

1шт.

15

87364

WASHER,0.53" ID x 1.06" OD x 0.1" Thk

3шт.

16

86629764

V-BELT,0.66" W x 84.90" L

1шт.

17

80755

COTTER PIN,1/8" OD x 1" L

2шт.

18

87569

LUBE NIPPLE,45 Degree, 1/4" NPT x 4/5" L, Drive

1шт.

19

334712

BUSHING,11mm ID x 20mm OD x 30mm L

1шт.

20

120069

BOLT,M10 x 1.5 x 56.58mm OAL, Cl 8.8

1шт.

21

140045

BELLEVILLE WASHER,M10 Bolt Size x 22mm OD x 1.6mm Thk

1шт.

22

88011

BOLT,Hex, 3/8" - 16 x 1 1/4", Gr 5

3шт.

23

86633427

SPRING

Tension

1шт.

24

27953

EYEBOLT

G2, 3/8"-16 x 5-1/2"

1шт.

25

45876

COLLAR,28.6mm ID x 44.45mm OD x 16mm W

Locking

2шт.

26

86529374

WASHER,2.5" ID x 3.5" OD x 0.13" Thk

2-1/2" ID, 3-1/2" OD x .13" Thick

1шт.

27

128303

WASHER

1-1/8"

1шт.

29

76877

CLEVIS PIN,12.6mm OD x 34.52mm L

1/2" x 1-3/8"

3шт.

30

573004

CLEVIS

3шт.

31

9636972

JAM NUT,Jam, 5/8"-11, G2

6шт.

32

86629628

TUBE

2шт.

34

706279

HUB

1шт.

35

43138

BOLT,Hex, M10 x 1.5 x 20mm, Cl 8.8

6шт.

37

226036

TUBE

1шт.

38

25810

LINK CHAIN

Roller, RC 2050, Cotter Style

33шт.

Not Illustrated

1шт.

39

86977795

CONNECTING LINK

1шт.

40

9706690

NUT,M8 x 1.25, Cl 8

6шт.

41

87044685

ARM

1шт.

42

80701

WASHER,0.31" ID x 0.73" OD x 0.07" Thk

3шт.

43

280164

BOLT,Hex, 1/4" - 20 x 1 3/4", Gr 5

1шт.

44

37193

SPRING

1шт.

45

20356

NUT,1/4"-20, GB

1шт.

46

87972

BOLT,Hex, 1/2" - 13 x 2 1/2", Gr 5

1шт.

47

86595273

LINK,31.75mm Pitch

Offset

1шт.

Not Illustrated

1шт.

46

87972

BOLT,Hex, 1/2" - 13 x 2 1/2", Gr 5

1шт.

47

86595273

LINK,31.75mm Pitch

Offset

1шт.

Not Illustrated

1шт.

48

140045

BELLEVILLE WASHER,M10 Bolt Size x 22mm OD x 1.6mm Thk

6шт.

49

84361

WOODRUFF KEY,#21, 1/4" x 1 1/4"

2шт.

Выбрано товаров: 51