Запчасти Case IH SBX530 (055) - HYDRAULIC PICKUP LIFT (35) - HYDRAULIC SYSTEMS

Схема запчастей Case IH SBX530 - (055) - HYDRAULIC PICKUP LIFT (35) - HYDRAULIC SYSTEMS
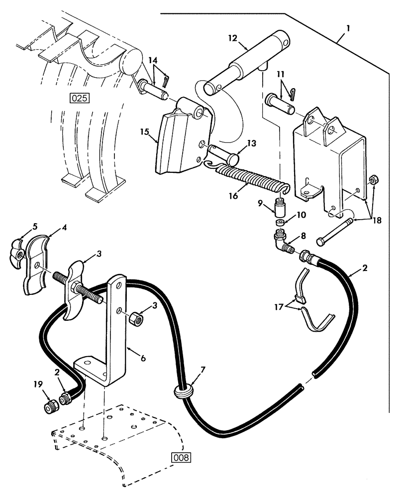
1
3
6
13
19
14
2
7
3
4
10
16
11
2
5
15
18
12
17
9
8
FIT
1:1
100%

Артикул

Название

Примечание

Количество

1

87546826

DIA KIT, HARVESTER

Hydraulic Pickup Lift, Includes: Installtion Instructions

1шт.

2

849307

HOSE

Hydraulic

1шт.

3

86630098

CLAMP

Includes: Ref. 4 & 5

1шт.

140045

BELLEVILLE WASHER,M10 Bolt Size x 22mm OD x 1.6mm Thk

1шт.

425-106

NUT,3/8"-16, Cl 5

1шт.

4

207705

CLAMP,15.8mm ID

1шт.

5

PL

PROCURE LOCALLY

Wing Nut

1шт.

6

86630099

SUPPORT

Use Existing Hardware for SBX520

1шт.

814-10050

BOLT,Hex, M10 x 1.5 x 50mm, Cl 8.8

SBX530, SBX540

2шт.

140045

BELLEVILLE WASHER,M10 Bolt Size x 22mm OD x 1.6mm Thk

2шт.

7

173011

GROMMET,1” ID x 1.750” OD x .500” Tk

1-3/4" OD x 1" ID

1шт.

8

218-5105

ELBOW,90 Degree Elbow, 9/16" - 18 Male JIC x 9/16" - 18 Male ORB

3/8" Tube

1шт.

9

86504974

HYD CONNECTOR

Includes: 237-6006 O-Ring

1шт.

10

261066

ORIFICE,9/16" - 18, 0.813" Orifice

.032"

1шт.

495-31022

WASHER,#10

2шт.

11

322441

CLEVIS PIN,M16 x 65

1шт.

11

32-1016

COTTER PIN

Pin, Cotter, 5/32" x 1"

1шт.

12

849372

CYLINDER

Pickup Lift, Serial Range: Refer-Fig.054

1шт.

Manufacturer's Production Date Stamp - (ex. 02 03 = week / year )

1шт.

12

87018193

HYDRAULIC CYLINDER

Pickup Lift, Serial Range: Refer-Fig.054

1шт.

Manufacturer's Production Date Stamp - (ex. M 02 2003 = M / week / year )

1шт.

13

9503184

CLEVIS PIN,M16 x 50

1шт.

Component of 849372 Hydraulic Cylinder

1шт.

13

87021826

CLEVIS PIN,16mm OD x 54.5mm L

M16 x 50

1шт.

Component of 87027465 Hydraulic Cylinder

1шт.

32-1016

COTTER PIN

Pin, Cotter, 5/32" x 1"

1шт.

14

412118

CLEVIS PIN,12mm OD x 65mm L

1шт.

14

432-812

COTTER PIN,3/4" OAL x 1/8" W

1шт.

219-87

LUBE NIPPLE,1/4" - 28 NPTF

1шт.

15

86630178

BRACKET

1шт.

16

12

SPRING

1шт.

17

594116

CABLE TIE,5/16" W x 21.5" L

CABLE STRAP 5/16" x 21-1/2"

2шт.

18

86630179

SUPPORT

1шт.

814-10100

BOLT,Hex, M10 x 1.5 x 100mm, Cl 8.8

2шт.

832-46410

NUT,M10 x 1.5, Cl 8

2шт.

19

217-1035

REDUCER FITTING,1/2" - 14 Male NPTF x 3/8" - 18 Female NPTF

1шт.

Выбрано товаров: 36