Запчасти Case IH SBX540 (038) - PLUNGER (62) - PRESSING - BALE FORMATION

Схема запчастей Case IH SBX540 - (038) - PLUNGER (62) - PRESSING - BALE FORMATION
2
19
43
13
44
22
3
42
17
48
24
37
4
25
14
28
7
4
5
9
21
3
31
14
6
41
1
45
12
29
46
11
15
2
8
24
34
13
2
10
33
27
2
16
42
30
40
39
44
20
26
45
32
3
43
18
47
20
38
23
46
36
FIT
1:1
100%

Артикул

Название

Примечание

Количество

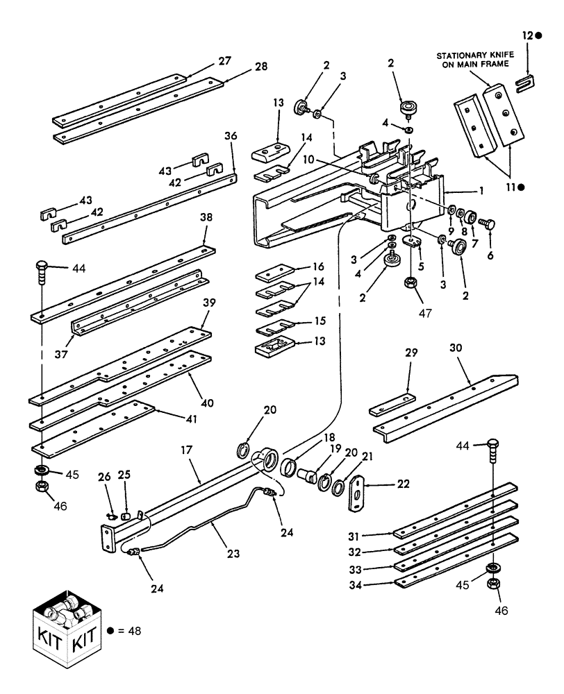
1

9807793

PLUNGER

1шт.

2

861325

BEARING ASSY,0.75" ID x 2.5" OD x 2.25"

Plunger

4шт.

86547668

LOCK NUT,3/4" - 16, GB

Nylon

3шт.

3

86512328

WASHER,19.46mm ID x 35.05mm OD x 3.43mm Thk

3шт.

4

86629517

WASHER

4шт.

5

691326

CAM

1шт.

6

9627896

BOLT,Hex, 5/8" - 11 x 1 3/4", Gr 5

1шт.

7

667925R91

ROLLER BEARING,0.628" ID x 2" OD x 15 mm

1шт.

8

27367

WASHER,16.67mm ID x 31.75mm OD x 3.43mm Thk

1шт.

9

86977690

LOCK WASHER,Ext Tooth, 5/8"

1шт.

10

284620

BEARING LOCK NUT

Bearing

1шт.

11

625972

KNIFE,342.9mm L x 76.99mm W x 9.13mm Thk

Slicing

2шт.

280320

PLOW BOLT,#3, 1/2" - 13 x 1 1/2", Gr 5, Full Thd

6шт.

86513238

LOCK WASHER,.515” ID x 1.070” OD x .120” TK

Belleville, 1/2"

6шт.

425-108

NUT,1/2" - 13, Gr 5

6шт.

12

686876

SHIM,.010" Thk

1шт.

12

686877

SHIM,.024" Thk

.024" bThk.

1шт.

13

848530

GUIDE

Plunger

2шт.

811-10030

CARRIAGE BOLT,Sht Sq Nk, M10 x 1.5 x 30mm, Cl 8.8

Top Slide

2шт.

140045

BELLEVILLE WASHER,M10 Bolt Size x 22mm OD x 1.6mm Thk

4шт.

825-1410

NUT,M10, Cl 8

4шт.

811-10040

CARRIAGE BOLT,Sht Sq Nk, M10 x 1.5 x 40mm, Cl 8.8

Bottom Slide

2шт.

35097

WASHER,10.3mm ID x 25.4mm OD x 5mm Thk

3/16" x 1" OD, Bottom Slide

2шт.

14

848533

SHIM,0.8mm Thk

1шт.

15

848534

SHIM,1.5mm Thk

2шт.

16

848536

SPACER

1шт.

17

848545

CONNECTING ROD

1шт.

18

848532

SPHERICAL BEARING,38.09mm ID x 61.91mm OD x 33.3mm W

Spherical

1шт.

19

848535

PIN,45mm OD x 91mm L

1шт.

20

370012

RING,M62, Internal

2шт.

21

443076

WASHER

1шт.

22

848531

PLATE

1шт.

614-8020

BOLT,Hex, M8 x 1.25 x 20mm

2шт.

492-11031

LOCK WASHER,5/16"

2шт.

825-1408

NUT,M8, Cl 8

2шт.

23

848537

TUBE

Grease

1шт.

24

11787

FITTING,3/8"-24 Fem x 1/8" NPT

Includes: 13362 Sleeve & 13367 Nut

2шт.

25

91932

COUPLING,1/8" - 27 NPT x 1/8" - 27 NPT

1/8" NPT

1шт.

26

219-55

LUBE NIPPLE,90 Degree Elbow, 1/8" - 27 NPTF

1шт.

27

848910

SPACER

2" x 29.45" x .135", SBX520

1шт.

27

848903

SPACER

2" x 29.45" x 4 mm, SBX530, SBX540

1шт.

28

86640960

GUIDE

Rail, Upper, RH, 35.98" Long

1шт.

614-8016

BOLT,Hex, M8 x 1.25 x 16mm, Cl 8.8, Full Thd

5шт.

492-11031

LOCK WASHER,5/16"

5шт.

29

849003

SPACER

3.5 mm, SBX520

1шт.

29

848490

SPACER

4 mm, SBX530, SBX540

1шт.

30

86640958

GUIDE

Rail, Plunger, Upper, LH, 34.25" Long, Standard Duty

1шт.

30

87013730

GUIDE

Rail, Plunger, Upper, LH, 34.25" Long, Optional, Hardened for Heavy Duty Applications.

1шт.

614-8016

BOLT,Hex, M8 x 1.25 x 16mm, Cl 8.8, Full Thd

6шт.

492-11031

LOCK WASHER,5/16"

6шт.

31

86641541

SIDE RAIL

Lower, LH, 31.5" Long

1шт.

86511045

PLOW BOLT,#3, 5/16" - 18 x 1 1/4", Gr 5

5шт.

492-11031

LOCK WASHER,5/16"

5шт.

425-105

NUT,5/16"-18, G5

5шт.

32

9615574

SHIM,1mm Thk

1шт.

33

9615575

SHIM,2mm Thk

SBX520

1шт.

34

9615572

SPACER

3.5 mm, SBX530

1шт.

34

9615573

SPACER

4 mm, SBX530, SBX540

1шт.

36

86640959

SIDE RAIL

53.58"

1шт.

614-8020

BOLT,Hex, M8 x 1.25 x 20mm

6шт.

492-11031

LOCK WASHER,5/16"

6шт.

37

86640964

GUIDE

Plunger, RH Lower, 35.98"

1шт.

614-8016

BOLT,Hex, M8 x 1.25 x 16mm, Cl 8.8, Full Thd

6шт.

492-11031

LOCK WASHER,5/16"

6шт.

38

86640957

GUIDE

Rail, Lower, RH, 55" Long

1шт.

86511045

PLOW BOLT,#3, 5/16" - 18 x 1 1/4", Gr 5

7шт.

492-11031

LOCK WASHER,5/16"

7шт.

425-105

NUT,5/16"-18, G5

7шт.

39

849008

SHIM,2 mm Thk

SBX520

1шт.

614-8016

BOLT,Hex, M8 x 1.25 x 16mm, Cl 8.8, Full Thd

6шт.

492-11031

LOCK WASHER,5/16"

6шт.

40

86641518

SHIM

1 mm

1шт.

41

849011

SPACER

3.5 mm, SBX520

1шт.

41

848489

SPACER

4 mm, SBX530, SBX540

1шт.

42

48527

SHIM,.015" Thk

1шт.

43

615179

SHIM,.005" Thk

1шт.

44

86511045

PLOW BOLT,#3, 5/16" - 18 x 1 1/4", Gr 5

12шт.

45

492-11031

LOCK WASHER,5/16"

12шт.

46

425-105

NUT,5/16"-18, G5

12шт.

47

86547668

LOCK NUT,3/4" - 16, GB

4шт.

48

87012132

KIT

Plunger Knife, Includes: (2) Ref. 11 Knives, (6) Knife Hardware, & (10) of Each Ref. 12 Shims

1шт.

Выбрано товаров: 81