Запчасти Case IH SBX540 (046) - TWISTER FRAME, WIRE (68) - TYING/WRAPPING

Схема запчастей Case IH SBX540 - (046) - TWISTER FRAME, WIRE (68) - TYING/WRAPPING
21
15
1
13
22
2
14
5
20
3
16
8
19
9
7
9
12
24
19
7
17
10
20
8
25
24
4
3
22
21
24
11
6
23
3
18
FIT
1:1
100%

Артикул

Название

Примечание

Количество

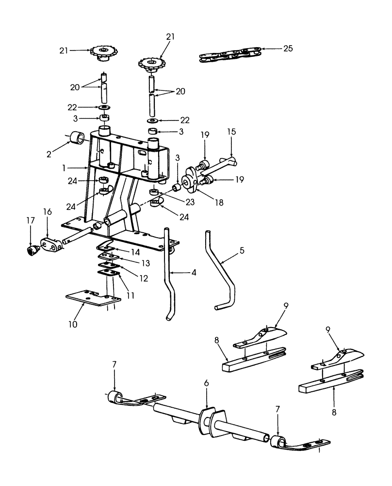
1

694642

FRAME

Twister, Includes: (2) Ref. 3

1шт.

219-87

LUBE NIPPLE,1/4" - 28 NPTF

4шт.

87894

SET SCREW,Sq Hd, 1/4" - 20 x 1/2"

12шт.

2

222939

BUSHING,35.13mm ID x 41.34mm OD x 19.05mm L

2шт.

3

47584

BUSHING,19.08mm ID x 22.26mm OD x 25mm L

6шт.

4

577687

ROD

Wrapper

2шт.

5

47414

GUIDE

Wire

2шт.

6

634887

CLAMP

1шт.

485-13116

SET SCREW,Sq Hd, 5/16"-18 x 1", Cup pt

4шт.

425-145

JAM NUT,Jam, 5/16"-18, G5

4шт.

7

86977045

BRACKET

2шт.

433-520

CARRIAGE BOLT,Sq Nk, 5/16" - 18 x 1 1/4", Gr 5

4шт.

495-11034

WASHER,5/16", SAE

4шт.

492-11031

LOCK WASHER,5/16"

4шт.

425-105

NUT,5/16"-18, G5

4шт.

8

44000

KNIFE

Knife

2шт.

280458

BOLT,Hex, 3/8" - 24 x 2 3/4", Gr 8

2шт.

232-4646

LOCK NUT,3/8"-24, GC

2шт.

9

86977106

CLAMP

2шт.

219-87

LUBE NIPPLE,1/4" - 28 NPTF

2шт.

413-512

BOLT,Hex, 5/16" - 18 x 3/4", Gr 5

2шт.

492-11031

LOCK WASHER,5/16"

2шт.

10

86977072

PLATE

Ledger

2шт.

11

43793

SPACER

Wire Clamp, Lower

4шт.

12

632749

PLATE

4шт.

13

128535

SPACER

Wire Clamp, Upper

4шт.

413-524

BOLT,Hex, 5/16" - 18 x 1-1/2", Gr 5

6шт.

413-528

BOLT,Hex, 5/16" - 18 x 1-3/4", Gr 5

2шт.

492-11031

LOCK WASHER,5/16"

8шт.

425-105

NUT,5/16"-18, G5

8шт.

14

86977044

GUARD

Wire

2шт.

15

132378

SHAFT

1шт.

16

86977046

SUPPORT

Cam, Shuttle Follower

1шт.

38-11620

PIN,1/4" x 1 1/4", Slotted

1шт.

17

59804

CAMSHAFT BEARING

Follower

1шт.

218-1252

BHD LOCK NUT,Blkhd, 7/16"-20

2шт.

18

86900115

KIT

Cam Follower, Includes: Set Screws

1шт.

80430

SET SCREW,1/4" - 20 x 1/4"

2шт.

19

132548

CAM FOLLOWER

Follower

2шт.

20

128658

SHAFT

Twister Hook

2шт.

21

86977259

DRIVEN SPROCKET

15T

2шт.

80428

SET SCREW,5/16"-18 x 3/8"

4шт.

22

45960

WASHER

25/32" x 1-1/2"

1шт.

23

11182

COLLAR

Set

2шт.

80428

SET SCREW,5/16"-18 x 3/8"

4шт.

24

617975

HOOK

Twister

2шт.

61-33112

HEX SOC SCREW,5/16"-18 x 3/4"

2шт.

25

251885

CHAIN

RC40, 60 Pitches, SBX530, SBX540

1шт.

241-1314

CHAIN LINK

Coupler

1шт.

25

251885

CHAIN

RC40, 61 Total Pitches

1шт.

Remove (1) Offset Link for use on SBX540

1шт.

241-1314

CHAIN LINK

Coupler, (Not Shown)

1шт.

Выбрано товаров: 52