Запчасти Case IH SBX540 (047) - CARRIER & GUIDES, WIRE (68) - TYING/WRAPPING

Схема запчастей Case IH SBX540 - (047) - CARRIER & GUIDES, WIRE (68) - TYING/WRAPPING
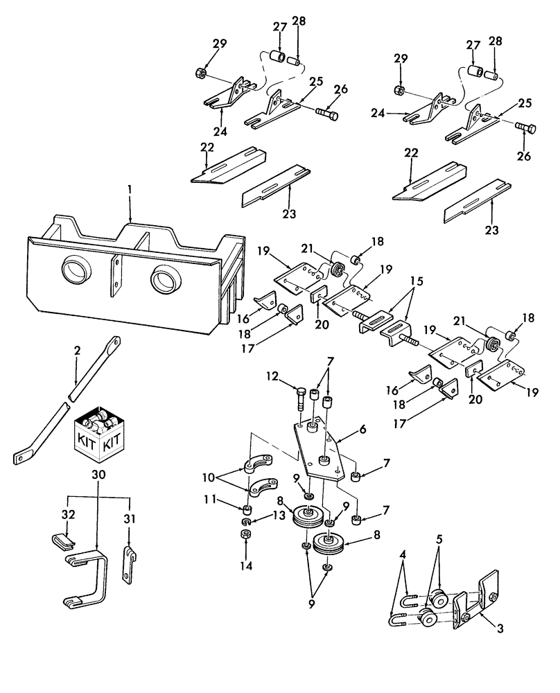
29
7
6
7
18
10
4
20
23
27
16
8
19
18
13
24
19
16
22
21
20
14
19
17
15
9
8
27
21
11
17
7
1
9
31
30
2
18
18
25
28
5
12
32
3
19
28
26
9
24
25
29
22
23
26
FIT
1:1
100%

Артикул

Название

Примечание

Количество

1

86635592

SUPPORT

Wire Carrier

1шт.

433-648

CARRIAGE BOLT,Sq Nk, 3/8" - 16 x 3", Gr 5

2шт.

435-1828

GROOVED PIN,1/4" x 1 3/4", Type A

2шт.

425-106

NUT,3/8"-16, Cl 5

2шт.

2

86635603

BRACE

34.6"

1шт.

413-820

BOLT,Hex, 1/2" - 13 x 1-1/4", Gr 5

2шт.

140045

BELLEVILLE WASHER,M10 Bolt Size x 22mm OD x 1.6mm Thk

2шт.

425-108

NUT,1/2" - 13, Gr 5

2шт.

3

785218

BRACKET

1шт.

413-616

BOLT,Hex, 3/8" - 16 x 1", Gr 5

2шт.

140045

BELLEVILLE WASHER,M10 Bolt Size x 22mm OD x 1.6mm Thk

2шт.

4

28114

U-BOLT

#10-24 x 1-15/16"

2шт.

322357

BELLEVILLE WASHER,M6 Bolt Size x 14mm OD x 1.3mm Thk

4шт.

225-14110

NUT,#10-24

4шт.

5

86640855

GUIDE

13mm ID x 35mm OD

2шт.

6

785217

PLATE

1шт.

433-632

CARRIAGE BOLT,Sq Nk, 3/8" - 16 x 2", Gr 5

2шт.

9827956

WASHER,10.3mm ID x 25.4mm OD x 2.67mm Thk

Hardened

2шт.

140045

BELLEVILLE WASHER,M10 Bolt Size x 22mm OD x 1.6mm Thk

2шт.

425-106

NUT,3/8"-16, Cl 5

2шт.

7

86636659

SPACER,10.28mm ID x 15.85mm OD x 21.84mm L

4шт.

8

768632

IDLER WHEEL,100.84mm OD x 20.32mm W

2шт.

433-648

CARRIAGE BOLT,Sq Nk, 3/8" - 16 x 3", Gr 5

2шт.

140045

BELLEVILLE WASHER,M10 Bolt Size x 22mm OD x 1.6mm Thk

2шт.

425-106

NUT,3/8"-16, Cl 5

2шт.

9

285072

WASHER,10.3mm ID x 22.2mm OD x 2.7mm Thk

(3/8")

4шт.

10

768631

GUIDE

2шт.

433-632

CARRIAGE BOLT,Sq Nk, 3/8" - 16 x 2", Gr 5

3шт.

140045

BELLEVILLE WASHER,M10 Bolt Size x 22mm OD x 1.6mm Thk

4шт.

425-106

NUT,3/8"-16, Cl 5

4шт.

11

145290

BUSHING

1шт.

Used in Addition to Ref. 7 Spacer W/ Ref. 12 Bolt on Ref. 10

1шт.

12

433-648

CARRIAGE BOLT,Sq Nk, 3/8" - 16 x 3", Gr 5

1шт.

13

140045

BELLEVILLE WASHER,M10 Bolt Size x 22mm OD x 1.6mm Thk

1шт.

14

825-1410

NUT,M10, Cl 8

1шт.

14

425-106

NUT,3/8"-16, Cl 5

1шт.

15

575425

STUD

2шт.

434-620

CARRIAGE BOLT,Sht Sq Nk, 3/8" - 16 x 1 1/4", Gr 5

2шт.

145788

WASHER,10.32mm ID x 22.23mm OD x 3.5mm Thk

Hardened, 3/8"

2шт.

140045

BELLEVILLE WASHER,M10 Bolt Size x 22mm OD x 1.6mm Thk

2шт.

425-106

NUT,3/8"-16, Cl 5

2шт.

16

785214

PLATE

RH

2шт.

17

785215

PLATE

LH

2шт.

18

133380

SPACER

4шт.

19

784869

ROLLER

Wire & Flat

4шт.

413-416

BOLT,Hex, 1/4" - 20 x 1", Gr 5

6шт.

492-11025

LOCK WASHER,1/4"

6шт.

492-11038

LOCK WASHER,3/8"

2шт.

425-104

NUT,1/4"-20, Cl 5

6шт.

425-106

NUT,3/8"-16, Cl 5

2шт.

20

34813

TRACK SHOE

Lever Reinforcement

2шт.

21

7714660

ROLLER ASSY.

Bearing

2шт.

22

86977108

DEFLECTOR

RH

2шт.

23

86977107

DEFLECTOR

LH

2шт.

24

86977075

SUPPORT

Roller, RH

2шт.

433-520

CARRIAGE BOLT,Sq Nk, 5/16" - 18 x 1 1/4", Gr 5

4шт.

495-11034

WASHER,5/16", SAE

4шт.

492-11031

LOCK WASHER,5/16"

4шт.

425-105

NUT,5/16"-18, G5

4шт.

25

86977088

SUPPORT

Roller, LH

2шт.

433-520

CARRIAGE BOLT,Sq Nk, 5/16" - 18 x 1 1/4", Gr 5

4шт.

495-11034

WASHER,5/16", SAE

4шт.

492-11031

LOCK WASHER,5/16"

4шт.

26

413-644

BOLT,Hex, 3/8" - 16 x 2-3/4", Gr 5

2шт.

27

86977089

ROLLER,31.88mm OD x 43.94mm L

2шт.

28

133172

SPACER

2шт.

29

232-4146

NUT,3/8"-16, GC

2шт.

30

50771

BRACKET

Kit, Wire Splicer, Includes: Ref. 31 & 32

1шт.

31

48886

LEVER

Twist

1шт.

32

86629501

CLIP

Speed

1шт.

Выбрано товаров: 70