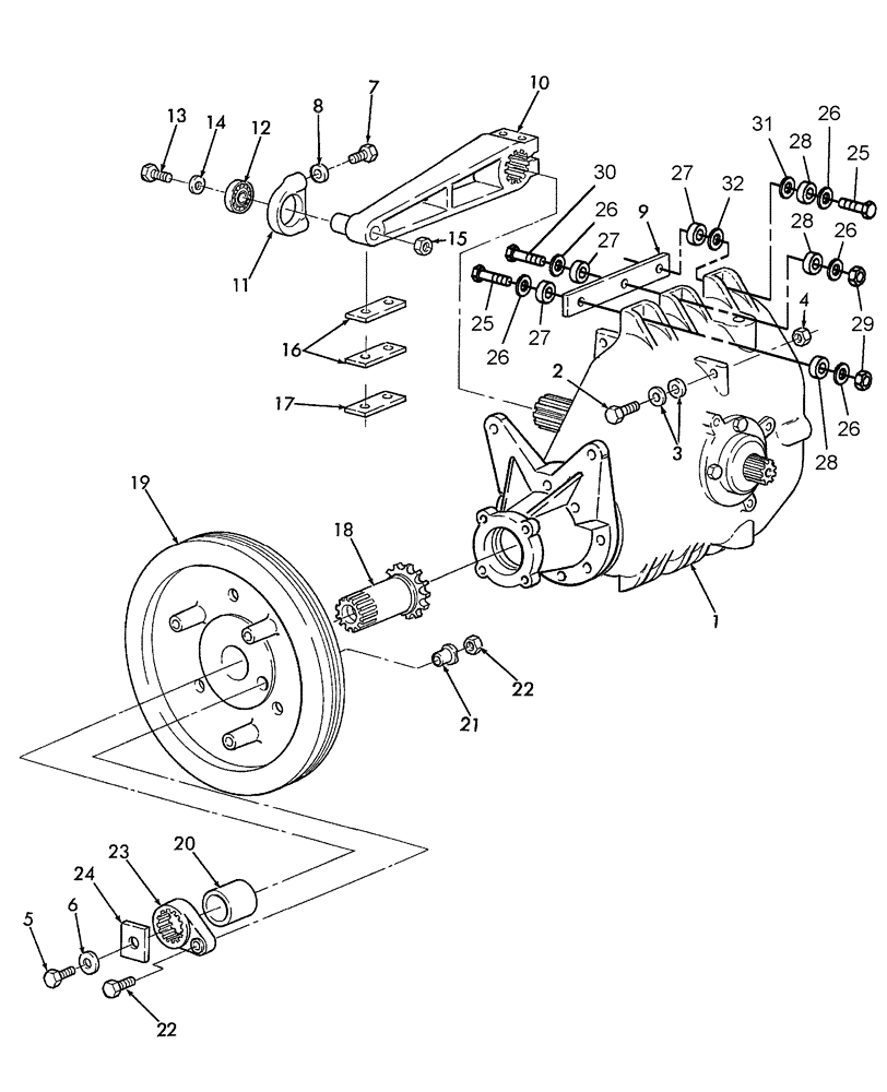
Запчасти Case IH SBX550 (012) - GEARBOX & FLYWHEEL (31) - IMPLEMENT POWER TAKE OFF

Схема запчастей Case IH SBX550 - (012) - GEARBOX & FLYWHEEL (31) - IMPLEMENT POWER TAKE OFF
14
22
15
18
29
7
17
22
28
28
5
25
1
4
9
11
26
27
31
26
32
2
28
26
3
6
21
13
12
30
27
16
10
24
20
25
19
8
26
27
26
23
FIT
1:1
100%

Артикул

Название

Примечание

Количество

1

86635659

GEARBOX

Main Drive, Refer to Fig. 013

1шт.

2

413-832

BOLT,Hex, 1/2" - 13 x 2", Gr 5

2шт.

3

495-21044

WASHER,3/8"

4шт.

4

232-4148

NUT,1/2"-13, GC

2шт.

5

86629498

BOLT

5/8" x 1-1/2"

1шт.

6

130358

WASHER,16.28mm ID x 38.35mm OD x 4.11mm Thk

Hardened, 5/8"

2шт.

7

413-820

BOLT,Hex, 1/2" - 13 x 1-1/4", Gr 5

2шт.

8

86513238

LOCK WASHER,.515” ID x 1.070” OD x .120” TK

Belleville, 1/2"

2шт.

9

9823888

PLATE

1шт.

10

9823900

CRANKSHAFT

1шт.

413-1080

BOLT,Hex, 5/8" - 11 x 5", Gr 5

2шт.

140048

BELLEVILLE WASHER,M16 Bolt Size x 32mm OD x 2.8mm Thk

2шт.

425-1010

NUT,5/8"-11, G5

2шт.

11

86525588

BEARING ASSY,44.44mm ID

Select Fit, Includes Ref. 12

1шт.

Bearing Allowed To Have Play, Information From The Bearing Supplier Reveals Allowable Movement Can Be 0.015" To 0.040".

1шт.

Components are N.S.S.

1шт.

12

46537

ROLLER BEARING,44.44mm ID x 85mm OD x 28.57mm W

1шт.

Bearing Allowed To Have Play, Information From The Bearing Supplier Reveals Allowable Movement Can Be 0.015" To 0.040".

1шт.

Components are N.S.S.

1шт.

13

413-840

BOLT,Hex, 1/2" - 13 x 2-1/2", Gr 5

1шт.

14

86629511

WASHER,13.49mm ID x 63.5mm OD x 6.35mm Thk

17/32" ID x 2-1/2" OD x 1/4" Thick

1шт.

15

232-4148

NUT,1/2"-13, GC

1шт.

16

286948

CUSHION

Tire Carcass

2шт.

17

286947

PLATE

Face, Cushion

1шт.

413-640

BOLT,Hex, 3/8" - 16 x 2-1/2", Gr 5

2шт.

232-4146

NUT,3/8"-16, GC

2шт.

18

86641572

DRIVING SPROCKET

13T

1шт.

19

86626100

FLYWHEEL

Includes: Ref. 20 & 21

1шт.

219-87

LUBE NIPPLE,1/4" - 28 NPTF

1шт.

20

9823887

BUSHING,69.44mm ID x 74.33mm OD x 46mm L

2шт.

21

449052

BUSHING,10.2mm ID x 31.8mm OD x 26mm L

Bolt, Shear

1шт.

22

9806603

SHEAR BOLT,M10-1.5 x 62mm L

W/ Nut

1шт.

23

86626114

HUB

Bolt, Shear

1шт.

24

9808850

WASHER

Sq., 82.6 x 9.5

1шт.

25

413-1052

BOLT,Hex, 5/8" - 11 x 3-1/4", Gr 5

3шт.

26

130358

WASHER,16.28mm ID x 38.35mm OD x 4.11mm Thk

Hardened, 5/8"

1шт.

27

47407

WASHER,16.7mm ID x 33.3mm OD x 0.75mm Thk

1шт.

28

86640836

SPACER

6шт.

29

425-1010

NUT,5/8"-11, G5

7шт.

30

413-1056

BOLT,Hex, 5/8" - 11 x 3-1/2", Gr 5

3шт.

31

27697

WASHER,16.66mm ID x 27mm OD x 1.52mm Thk

5/8", 1/16" Thick

1шт.

32

27367

WASHER,16.67mm ID x 31.75mm OD x 3.43mm Thk

5/8", 1/8" Thick

1шт.

Выбрано товаров: 42