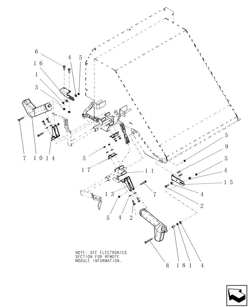
Запчасти Case IH ADX2230 (L.10.E[12]) - FAN AIR OPTION - AIR CONTROL L - Field Processing

Схема запчастей Case IH ADX2230 - (L.10.E[12]) - FAN AIR OPTION - AIR CONTROL L - Field Processing
4
4
13
5
15
7
1
2
6
5
14
18
4
11
5
4
10
3
4
1
9
17
8
2
7
5
5
16
FIT
1:1
100%

Артикул

Название

Примечание

Количество

1

7770

NUT,Hex, 1/4 - 20, Cl 5

2шт.

2

86505867

BOLT,Hex, 1/4" - 20 x 1", Gr 5

5шт.

3

281010

LOCK NUT,7/8"-14, GC

2шт.

4

95-21031

WASHER,1/4"

13шт.

5

280129

NUT,1/4"-20

9шт.

6

9635884

BOLT,Hex, 5/16" - 18 1", Full Thd, Gr 5

2шт.

7

280164

BOLT,Hex, 1/4" - 20 x 1 3/4", Gr 5

3шт.

8

9909

BOLT

1/4" x 2 1/2" GR5 all thread

1шт.

9

438-11616

LOCK PIN,1/4" x 1", Slotted

2шт.

10

51200089

ACTUATOR

linear with feedback

2шт.

11

CA-184

RUBBER SLEEVE

air control

8шт.

13

GI-964

ARM

actuater rear

1шт.

14

GI-965

ARM

actuater front

1шт.

15

GI-966

BRACKET

rear air control

1шт.

16

GI-967

BRACKET

front air control

1шт.

17

GL-688

STRAP

fan damper

2шт.

18

GL-693

SPACER

fan control actuator

1шт.

Выбрано товаров: 17