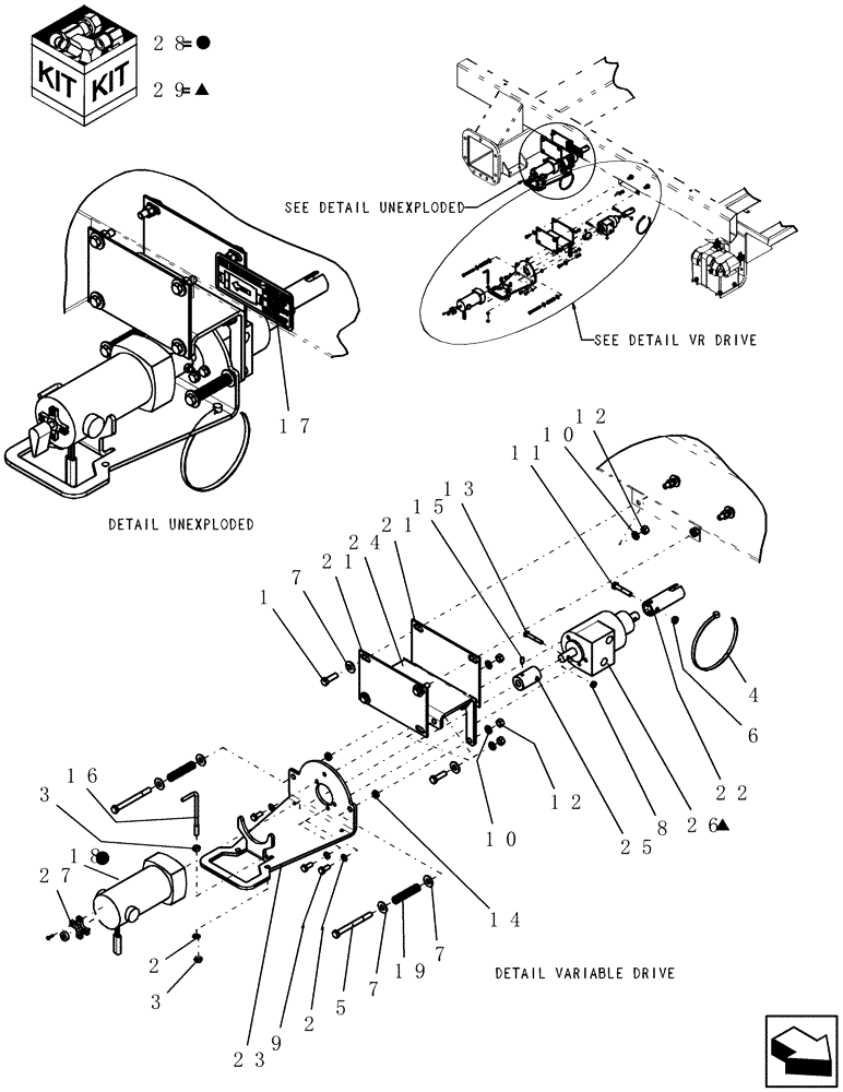
Запчасти Case IH ADX3260 (A.10.A[02]) - VR DRIVE COMPONENTS A - Distribution Systems

Схема запчастей Case IH ADX3260 - (A.10.A[02]) - VR DRIVE COMPONENTS A - Distribution Systems
11
6
9
29
2
3
21
12
16
15
23
7
21
25
18
7
14
5
12
24
13
3
7
8
28
10
4
22
26
1
19
2
27
10
17
FIT
1:1
100%

Артикул

Название

Примечание

Количество

1

88011

BOLT,Hex, 3/8" - 16 x 1 1/4", Gr 5

16шт.

2

80681

LOCK WASHER,5/16"

12шт.

3

9635082

NUT,5/16" - 18, Gr 5

8шт.

4

87557084

CABLE TIE,14"

CABLE STRAP 14" with stainless locking clip

2шт.

5

80012047

BOLT,Hex, 3/8" - 16 x 4", Grade 5

4шт.

6

281010

LOCK NUT,7/8"-14, GC

2шт.

7

80702

WASHER,0.44" ID x 1" OD x 0.08" Thk

24шт.

8

280129

NUT,1/4"-20

2шт.

9

87872

BOLT,Hex, 5/16" - 18 x 3/4", Gr 5

10шт.

10

80680

LOCK WASHER,3/8 0.381 CST ZND

20шт.

11

9707515

BOLT,Hex, 5/16 - 18" x 1 3/4", Gr 5

2шт.

12

9628503

NUT,3/8"-16, G5

20шт.

13

280164

BOLT,Hex, 1/4" - 20 x 1 3/4", Gr 5

2шт.

14

87016560

JAM NUT,Jam, 3/8"-16, G5

4шт.

15

6986

SET SCREW

1/4"-20 x 1/2"

2шт.

16

9456

BOLT

5/16"-18 x 4 1/4"l x 1 35/64"d 1 9/16" leg

2шт.

17

22408

DECAL

vr drive filter maintenance

1шт.

18

87445140

ELECTRIC MOTOR

121rpm @12v 1/15hp

1шт.

87445140R

REMAN-ELECTRIC MOTOR

ADX2180, ADX3260 both (6/01-11/06), ADX2230 (6/01-7/08)

1шт.

87445140C

CORE-ELECTRIC MOTOR

Return Number

1шт.

18

87504964

SEAL KIT

seals output sht vr motor

1шт.

19

87506229

COMPRESSION SPRING

1/16" Wire x 5/8" od x 2 3/4" long

4шт.

21

GI-176

MOUNTING PLATE

mechanical

4шт.

22

GI-182

COUPLING

interlink, vr drive

2шт.

23

GI-758

MOUNTING PLATE

vr motor

2шт.

24

GI-759

SPACER

vr bracket

2шт.

25

GL-484

COUPLING

2шт.

26

GM-363

HYDRAULIC MOTOR

torque generator 2 3/16" 3/rev

2шт.

27

GM-420K

SEAL KIT

shaft bison motor

1шт.

28

GM-399K

KIT

bearing replacement - bison motor

1шт.

Includes 23334, 23335, GM-420K and instruction sheet

1шт.

29

22396

SEAL KIT

torque generator

1шт.

Выбрано товаров: 32