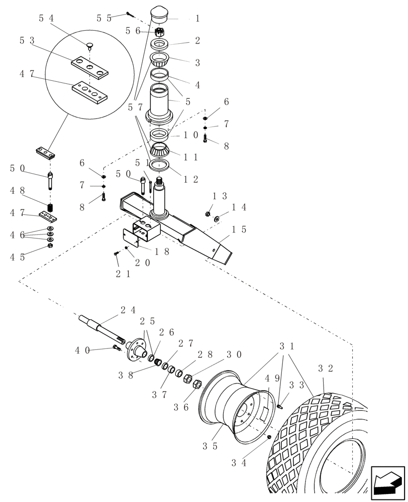
Запчасти Case IH ADX3260 (D.50.C[07]) - ROW CROP CASTER 120" SPACING - CASTER, HUB AND SPINDLE DETAILS D - Travel

Схема запчастей Case IH ADX3260 - (D.50.C[07]) - ROW CROP CASTER 120" SPACING - CASTER, HUB AND SPINDLE DETAILS D - Travel
28
6
54
8
56
50
7
33
7
15
12
30
24
27
45
5
20
32
47
3
49
13
25
55
8
4
26
11
38
40
53
1
10
34
31
51
36
6
57
48
46
50
47
18
2
21
35
14
37
FIT
1:1
100%

Артикул

Название

Примечание

Количество

1

300767A1

CAP

vacuum manifold end

1шт.

1

87561764

ADAPTER

ring caster

1шт.

2

CC-109

WASHER

flat 1 5/8" id 3 1/16" od

1шт.

3

510884

BEARING CONE,66.69mm ID x 30.05mm W

#3984

1шт.

4

3304

BEARING CUP

#3920

1шт.

5

GD-687A

PIVOT

assembly, caster fork

1шт.

Includes 3304 and 13303D

1шт.

6

80700

WASHER,0.56" ID x 1.38" OD x 0.11" Thk

1шт.

7

80679

LOCK WASHER,1/20.507 CST ZND

1шт.

8

9706716

BOLT,Hex, 1/2" - 13 x 2", Gr 5

1шт.

10

60751

BEARING ASSY,139.99mm OD x 28.57mm W

#572

1шт.

11

612200

ROLLER BEARING,82.55mm ID x 36.17mm W

#580

1шт.

12

5765

SEAL

4 3/8" id x 5 3/4" od x 7/16" thick

1шт.

13

280375

NUT,3/4"-10, GC

1шт.

14

86511191

WASHER,0.81" ID x 2" OD x 0.15" Thk

1шт.

15

GH-553

FORK

caster, single wheel

1шт.

18

GE-405

BRAKE PLATE

housing cover

1шт.

20

80680

LOCK WASHER,3/8 0.381 CST ZND

1шт.

21

88206

BOLT,Hex, 3/8" - 16 x 1", Gr 5

1шт.

24

GE-291

SPINDLE

caster wheel

1шт.

25

87505488

HUB

ida-820 c/w cups, studs and nuts

1шт.

25

6491

KIT

hub bearing completion - hda-820

1шт.

26

86900365

BEARING CUP,82.96mm OD x 19.05mm W

#25520

1шт.

27

6494

OIL SEAL

SE26 H-820 hub

1шт.

28

GE-284

SPACER

tube, wheel spindle

1шт.

30

6409

NUT

1 3/4"-5, G2

1шт.

31

87506205

WHEEL ASSY

16 1/2" x 16 3/32" 8h 6pr -1.5

1шт.

Includes 86989358, 2989, 22639 and 196033

1шт.

31

CC-146A

WHEEL ASSY

16.5L x 16.1SL 6 I3 RH

1шт.

Includes 86989358, 22638, 22644 and 196033

1шт.

31

87506264

WHEEL ASSY

16.1x14 8h with 16.5 6pr

1шт.

Includes 86989358, 21403, 22641 and 196033

1шт.

31

CC-148A

WHEEL ASSY

16.5lx16.1sl 6 i3 LH

1шт.

Includes 86989358, 22638, 22644 and 196033

1шт.

32

412760A1

TYRE/TIRE

16.5 x 16.1 - 6 ply

1шт.

Purchase Locally

1шт.

32

22638

TYRE/TIRE

16.5l x 16.1 sl 6 ply i3 tl

1шт.

Purchase Locally

1шт.

32

21403

TYRE/TIRE

16.5l x 16.1 softrac

1шт.

Purchase Locally

1шт.

33

196033

VALVE STEM

tr/415

1шт.

34

554480R1

WHEEL NUT

hub wheel 5/8"-18, GB

1шт.

35

87505457

RIM

16.1 x 14 - 8 hole

1шт.

36

6421

JAM NUT

jam 1 3/4"-5, G2

1шт.

37

6497

SPACER

ring, hda-820 hub

1шт.

38

13540

BEARING CONE,44.45mm ID x 25.4mm W

25580

1шт.

40

2739

STUD

5/8"-18 x 2 1/2" wb46

1шт.

45

280954

NUT,3/4"-10, G5

1шт.

46

3443

WASHER,0.75" ID x 1.25" OD x 0.07" Thk

3/4" id 14ga

1шт.

47

GE-406

BRAKE PAD

backing plate

1шт.

48

87506208

COMPRESSION SPRING

5/16" wire 7/8" id x 3l

1шт.

48

87506208

COMPRESSION SPRING

5/16" wire 7/8" id x 3l

1шт.

49

51200071

DECAL

attention wheel 16.5 x 16.1 6 ply, Years: -01-APR-07

1шт.

49

51200069

DECAL

attention wheel 16.5 x 16.1 8 6 i2

1шт.

49

22639

DECAL

attention, wheel 16.5 x 16.1 6 ply i2

1шт.

50

GE-407A

SPRING

rod assembly

1шт.

51

88959

BOLT,Hex, 3/8" - 16 x 3 1/2", Gr 5

1шт.

52

GE-406

BRAKE PAD

backing plate

1шт.

53

GE-408

BRAKE PAD

seeder dual caster

1шт.

54

5921

SCREW

cap 3/8"-16 x 3/4" fh hx-skt

1шт.

55

80752

COTTER PIN,1/4" x 2 1/2"

1шт.

56

25-1324

SLOTTED NUT,1 1/2"-12, G5

1шт.

57

6752

BEARING SET

c/w cones, seals, and dust cap

1шт.

Includes 435536A1, 80752, 5765, 67190R91, CC-109 and 412741A1

1шт.

Выбрано товаров: 64