Запчасти Case IH ADX3260 (L.10.B[07]) - ADX3260 TANK INTERNAL DETAIL L - Field Processing

Схема запчастей Case IH ADX3260 - (L.10.B[07]) - ADX3260 TANK INTERNAL DETAIL L - Field Processing
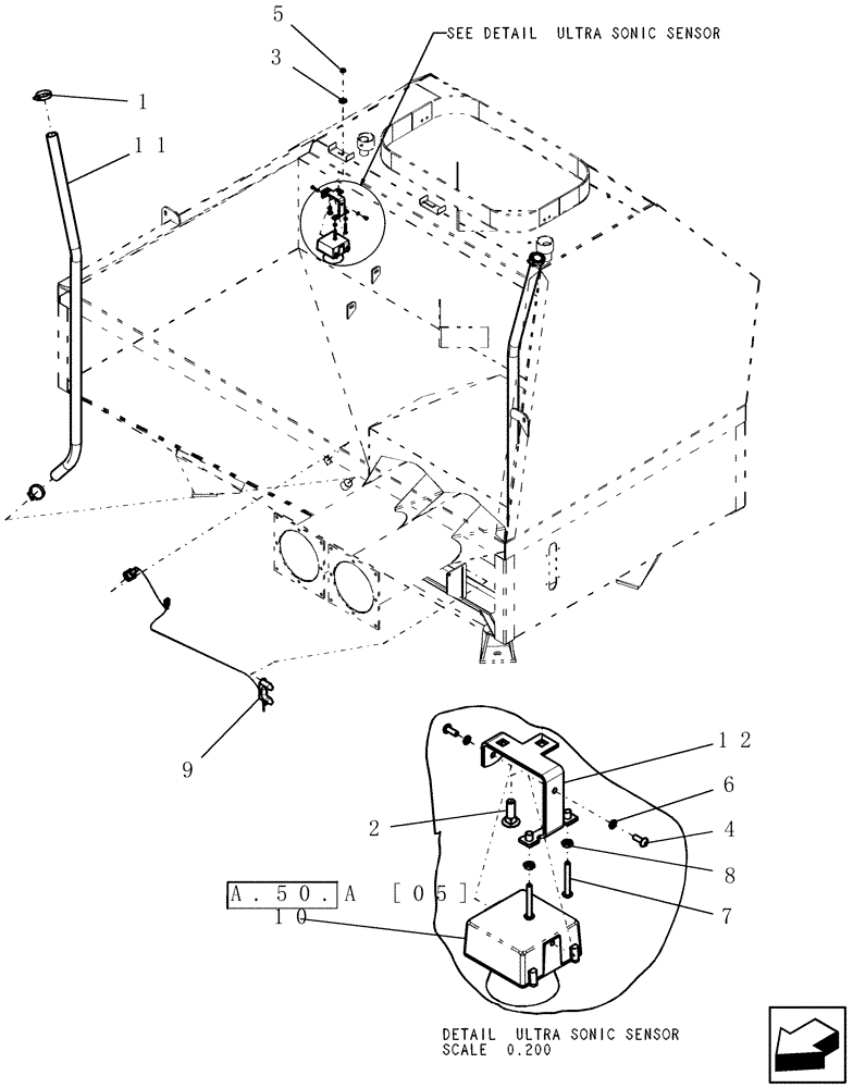
7
12
2
5
9
10
4
3
6
11
8
1
FIT
1:1
100%

Артикул

Название

Примечание

Количество

1

507586

HOSE CLAMP,20.6mm - 44.4mm, Worm Gear

4шт.

2

88992

CARRIAGE BOLT,Short Sq Nk, 5/16" - 18 x 1", Gr 5

1шт.

3

8633

WASHER

7/16" id x 1" od x 5/64" thick, ss

1шт.

4

9528

HEX SOC SCREW,Sl Rnd Hd, #10 - 32 x 0.50", SST

machine #10-32 x 1/2" rh skt-slt ss

2шт.

5

9586

FLANGE NUT

flange 5/16" serrated

1шт.

6

9587

LOCK WASHER

#10 ss

2шт.

7

9588

SCREW,Sl Sq, #10 - 32 x 1.50"

mch #10-32 x 1 1/2" rh sq-slt ss

2шт.

8

9589

NUT

#10-32 ss

2шт.

9

15557

SENSOR

optical bin level c/w hardware

1шт.

10

14868V2

SENSOR

sonar bin level 0.3m cable

1шт.

Refer to A.50.A [05]

1шт.

11

GI-719

HOSE,60.75"

Tank Pressurizing

2шт.

Cut 60 3/4" from bulk hose 412786A1

1шт.

11

412786A1

HOSE

1 1/4" pvc clear spiral 1/8" wall must be ordered in multiples of 100

2шт.

12

GL-349

BRACKET

mount, bin level sensor - ultrasonic

1шт.

Выбрано товаров: 15