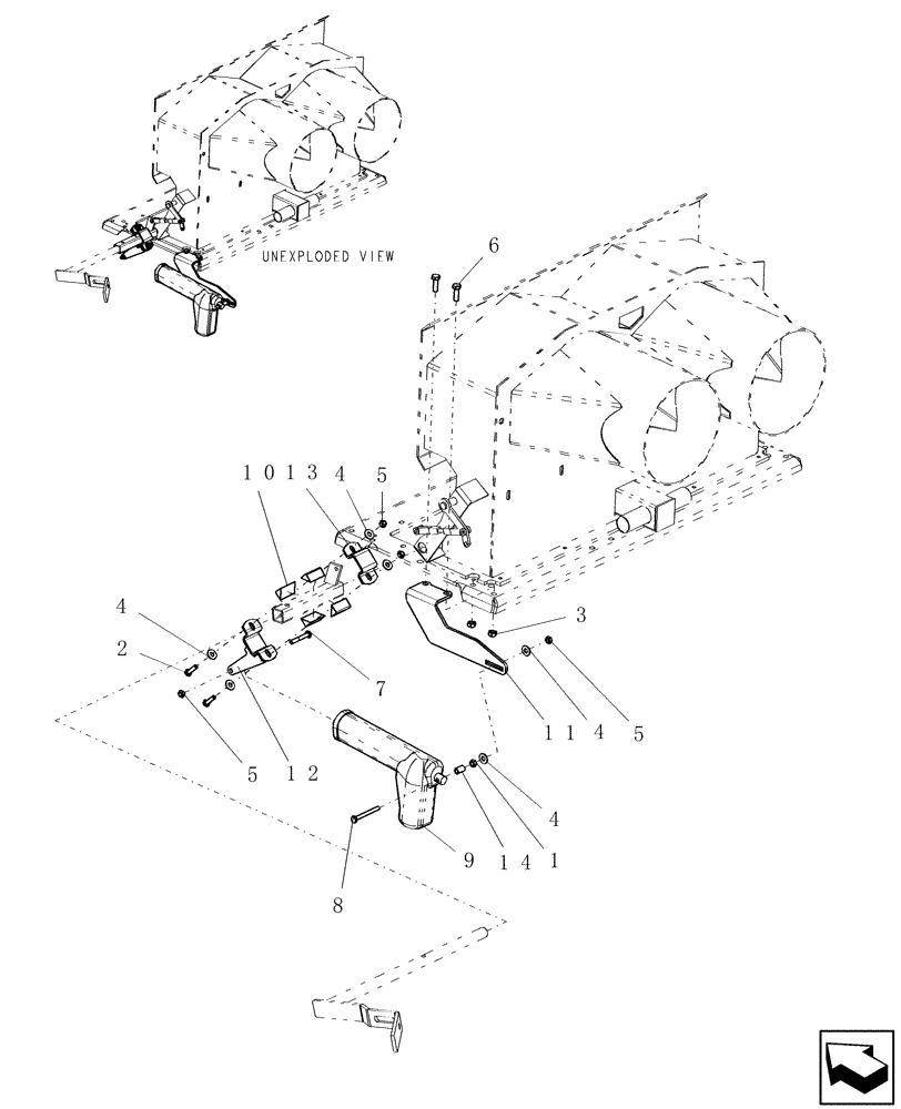
Запчасти Case IH ADX3260 (L.10.F[35]) - ADX3260 AIR CONTROL OPTION - 3RD TANK L - Field Processing

Схема запчастей Case IH ADX3260 - (L.10.F[35]) - ADX3260 AIR CONTROL OPTION - 3RD TANK L - Field Processing
3
6
5
5
8
11
13
9
2
10
4
5
12
4
14
4
4
7
1
FIT
1:1
100%

Артикул

Название

Примечание

Количество

1

7770

NUT,Hex, 1/4 - 20, Cl 5

1шт.

2

86505867

BOLT,Hex, 1/4" - 20 x 1", Gr 5

2шт.

3

281010

LOCK NUT,7/8"-14, GC

2шт.

4

95-21031

WASHER,1/4"

6шт.

5

280129

NUT,1/4"-20

4шт.

6

9635884

BOLT,Hex, 5/16" - 18 1", Full Thd, Gr 5

2шт.

7

280164

BOLT,Hex, 1/4" - 20 x 1 3/4", Gr 5

1шт.

8

9909

BOLT

1/4" x 2 1/2" GR5 all thread

1шт.

9

51200089

ACTUATOR

linear with feedback

1шт.

10

CA-184

RUBBER SLEEVE

air control

4шт.

11

GI-714

BRACKET

air control

1шт.

12

GI-964

ARM

actuater rear

1шт.

13

GL-688

STRAP

fan damper

1шт.

14

GL-693

SPACER

fan control actuator

1шт.

Выбрано товаров: 14