Запчасти Case IH ADX3260 (B.90.A[05]) - PTO OPTION - TBH COMPLETION B - Power Production

Схема запчастей Case IH ADX3260 - (B.90.A[05]) - PTO OPTION - TBH COMPLETION B - Power Production
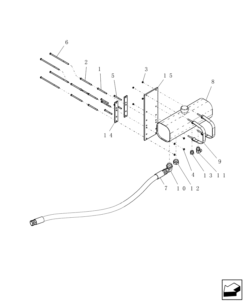
11
6
3
8
14
12
13
7
9
2
10
15
5
1
4
FIT
1:1
100%

Артикул

Название

Примечание

Количество

1

86505980

BOLT,Hex, 3/8" - 16 x 4 1/2", Gr 5

4шт.

2

20304

BOLT,Hex, 3/8" - 16 x 5 1/2", Gr 5

4шт.

3

281010

LOCK NUT,7/8"-14, GC

4шт.

4

88902

NUT,3/8"-16

4шт.

5

88959

BOLT,Hex, 3/8" - 16 x 3 1/2", Gr 5

4шт.

6

86624953

BOLT

3/8"-16 x 9 1/2" GR5

4шт.

7

51200882

HYDRAULIC HOSE,1.25" ID x 64.00", SAE 100R4, SAE J517, SAE J516, SAE 100R17, ASTM B633 Class 2 Type 2

1 1/4" x 64" fl, 1 1/4" fjic x 1 1/4" fjic

1шт.

8

115872A1

RESERVOIR, HYDRAULIC

4.5 us gal

1шт.

8

87439695

RESERVOIR, HYDRAULIC

4.5 us gal

1шт.

8

129575A1

CAP

breather with dipstick

1шт.

Not Shown

1шт.

8

87435908

SCREEN

reservoir

1шт.

Not Shown

1шт.

9

116093A1

STRAP

oil reservoir tank

2шт.

10

84530

ELBOW,90 Degree, 1 5/8"-12, 37 Degree x 1 5/8"-12, O-Ring

1шт.

11

322894

90 ELBOW,1-1/16" - 12 JIC x 1-1/16" - 12 ORB

1шт.

Includes two of 6494 and two of 6492

1шт.

12

86624101

PLUG,Hex Hd, 1 5/8"-12 ORB

1шт.

13

163410

PLUG,1-1/16" - 12 ORB

1шт.

14

GK-208

PLATE

bolt

2шт.

15

GK-238

BRACKET

mount, pto reservoir

1шт.

Выбрано товаров: 21