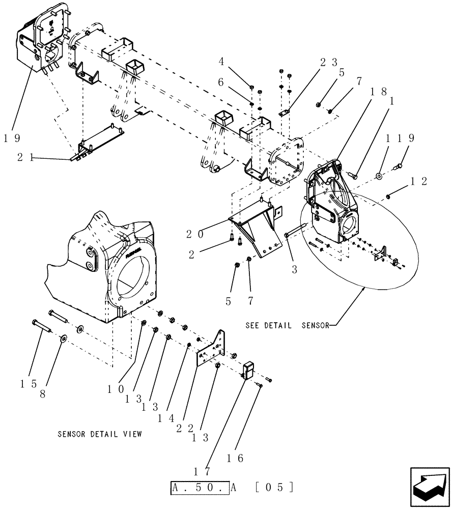
Запчасти Case IH ADX3260 (D.13.B[03]) - CAST REAR AXLE HOUSING - HEAVY BSN CBJ0004380 D - Travel

Схема запчастей Case IH ADX3260 - (D.13.B[03]) - CAST REAR AXLE HOUSING - HEAVY BSN CBJ0004380 D - Travel
10
18
13
12
13
5
22
21
4
2
5
14
7
6
15
1
8
20
23
3
19
17
13
16
7
11
9
FIT
1:1
100%

Артикул

Название

Примечание

Количество

1

9706701

BOLT,Hex, 3/4" - 10 x 2 1/2", Gr 5

18шт.

2

9627896

BOLT,Hex, 5/8" - 11 x 1 3/4", Gr 5

8шт.

3

88945

BOLT,Hex, 3/4" - 10 x 8", Gr 5

2шт.

4

280374

NUT,Hex, 5/8" - 11, Gr 5

8шт.

5

280954

NUT,3/4"-10, G5

24шт.

6

12034871

WASHER

5/8"

8шт.

7

87340

LOCK WASHER,Helical Spring, 0.759" ID, CST, ZND

24шт.

8

80702

WASHER,0.44" ID x 1" OD x 0.08" Thk

2шт.

9

87337

BOLT,Hex, 3/4" - 10 x 3", Gr 5

6шт.

10

80680

LOCK WASHER,3/8 0.381 CST ZND

2шт.

11

86511191

WASHER,0.81" ID x 2" OD x 0.15" Thk

6шт.

12

280375

NUT,3/4"-10, GC

2шт.

13

87016560

JAM NUT,Jam, 3/8"-16, G5

6шт.

14

9148

LOCK NUT

#10-32, stainless steel

2шт.

15

113-250

BOLT,Hex, 3/8" - 16 x 2-1/2", Gr 5, Full Thd

2шт.

16

9809

SCREW,Hex, #10 - 32 x 5/8", SST

mch #10-32 x 5/8" hh ss

2шт.

17

13919

SENSOR

shaft

1шт.

Refer to A.50.A [05]

1шт.

18

9776\C

HOUSING

wheel RH

1шт.

19

9777\C

HOUSING

wheel LH

1шт.

20

GL-382

BRACKET

Axle Housing RH for 32' & 38" Wheels

1шт.

21

GL-388

BRACKET

Axle Housing LH for 32" & 38" Wheels

1шт.

22

GL-734

SENSOR

scraper

1шт.

23

GL-954

CABLE RETAINER

harness

1шт.

Выбрано товаров: 0