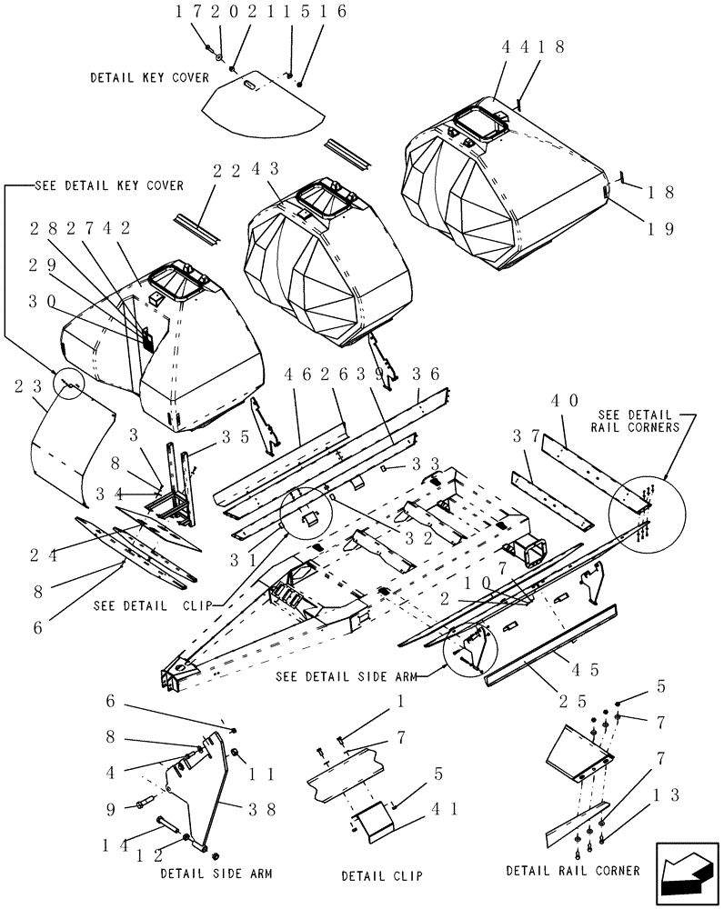
Запчасти Case IH ADX3360 (L.10.B[02]) - TANKS, SUPPORTS, KEY COVER (1ST PIN RANGE) L - Field Processing

Схема запчастей Case IH ADX3360 - (L.10.B[02]) - TANKS, SUPPORTS, KEY COVER (1ST PIN RANGE) L - Field Processing
18
6
36
46
30
28
43
24
41
39
4
22
23
9
29
8
17
8
18
1
6
34
25
42
16
40
20
31
7
38
15
14
12
33
7
7
3
13
37
10
27
32
19
45
8
26
44
7
11
5
35
5
2
21
FIT
1:1
100%

Артикул

Название

Примечание

Количество

1

9706729

BOLT,Hex, 7/16" - 14 x 1", Gr 5, Full Thd

8шт.

2

88206

BOLT,Hex, 3/8" - 16 x 1", Gr 5

6шт.

3

87670

BOLT,1/2" - 13 x 1-1/4", Full Thd, Gr 5

4шт.

4

87689

BOLT,1/2"-13 x 1.813" OAL, Gr 5

8шт.

5

280980

NUT,7/16"-14, GC

28шт.

6

86992215

LOCK NUT,1/2"-13, GC

12шт.

7

80702

WASHER,0.44" ID x 1" OD x 0.08" Thk

54шт.

8

80700

WASHER,0.56" ID x 1.38" OD x 0.11" Thk

16шт.

9

87337

BOLT,Hex, 3/4" - 10 x 3", Gr 5

4шт.

10

80680

LOCK WASHER,3/8 0.381 CST ZND

6шт.

11

280375

NUT,3/4"-10, GC

4шт.

12

86632557

JAM NUT,Jam, 3/4"-10, G5

8шт.

13

9637916

BOLT,Hex, 7/16" - 14 x 1 1/2", Gr 5

20шт.

14

6717

BOLT,Hex, 3/4" - 10 x 5", Gr 5, Full Thd

4шт.

15

88612

WASHER,0.22mm ID x 0.5mm OD x 0.05mm Thk

5шт.

16

20332

LOCK NUT,#10-32, GB

5шт.

17

7777

SCREW,Pan Hd, #10 - 32 x 1"

mch #10-32 x 1" ph Phillips ss

5шт.

18

311863A1

REFLECTOR

reflector red 1 3/8" x 7 1/4"

2шт.

19

311864A1

REFLECTOR

Retroreflective Amber 1.375" x 7.25"

6шт.

20

9977

WASHER

1/64" id 5/8" 1/16" ss

5шт.

21

9978

SPACER

3/16" id x 3/8" od x 1/4"

5шт.

22

51200060

SEAL

wide tank interface

2шт.

23

51200112

COVER

upper abs front tank key

1шт.

24

51200113

COVER

lower abs front tank key

1шт.

25

351904A1

DECAL

adx 3360 LH

1шт.

25

425570A1

DECAL

adx3360 LH concord

1шт.

26

351905A1

DECAL

adx3360 RH

1шт.

26

425571A1

DECAL

adx3360 RH concord

1шт.

27

GD-500.71

WARNING DECAL

Do Not Ride

1шт.

28

GD-500.79

WARNING DECAL

Stop Fan

1шт.

29

GL-294

PLATE

decal tank safety

1шт.

30

GL-700.08

DECAL

attention before filling

1шт.

31

GL-700.15

DECAL

tank 1

2шт.

32

GL-700.16

DECAL

tank 2

2шт.

33

GL-700.17

DECAL

tank 3

2шт.

34

GL-804

RETAINER

lower key cover

2шт.

35

GL-819

SUPPORT

key

1шт.

36

GL-130FR

SUPPORT

tank side rail top

2шт.

37

GL-131FR

SUPPORT

tank end rail bottom

2шт.

38

GL-140FR

SUPPORT

tank rail

4шт.

39

GL-153FR

SUPPORT

tank side btm

2шт.

40

GL-156FR

SUPPORT

tank end top

2шт.

41

GL-607FR

STRAP

anchor tank seal

4шт.

42

GM-621

TANK

-97 bushel keyed ms40-10

1шт.

42

87420890

TANK

116 bushel female

1шт.

43

GM-622

TANK

89 bushel center

1шт.

44

GM-623

TANK

154 bushel male

1шт.

45

GM-480FR

PLATE

decal 360bu LH, Years: -01-JUN-06

1шт.

46

GM-481FR

DECAL

plate right 360bu, Years: -01-JUN-06

1шт.

100

GM-304K

KIT

tank pull down

1шт.

Not Shown

1шт.

Includes four 88011, four 9637692, two GM-307, two GM-308, four GM-309 and GM-310

1шт.

Выбрано товаров: 52