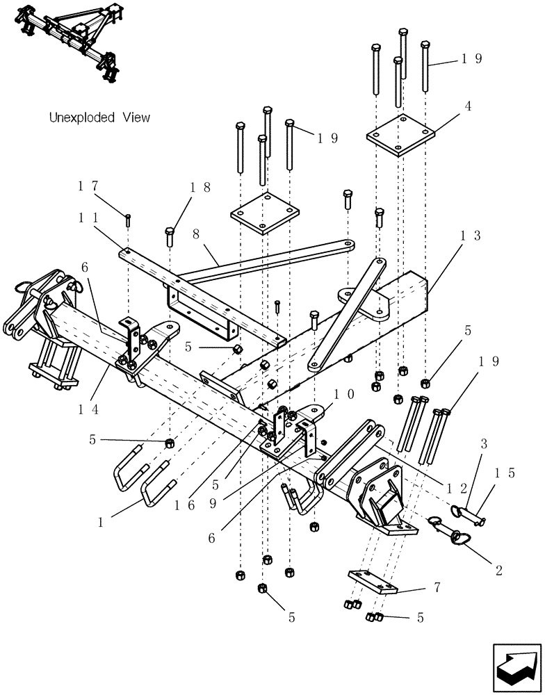
Запчасти Case IH ADX3380 (F.10.D[23]) - ATX FIELD HITCH - 12 INCH SPACING F - Frame Positioning

Схема запчастей Case IH ADX3380 - (F.10.D[23]) - ATX FIELD HITCH - 12 INCH SPACING F - Frame Positioning
16
19
5
15
19
5
6
2
6
19
17
5
12
3
1
5
4
11
14
5
5
7
18
8
10
13
9
FIT
1:1
100%

Артикул

Название

Примечание

Количество

1

7818

U-BOLT

us 3/4"-10 4 1/32" w 5 5/8" d GR5

6шт.

2

412769A1

HITCH PIN

1" x 3 1/2" usable

2шт.

Includes 6425

1шт.

3

6425

LINCH PIN

7/16" x 1 3/8"

2шт.

4

1014919

PLATE

PLATE, LARGE bolt 3/4"-10 tk

2шт.

5

86754

NUT,3/4"-10, GB

32шт.

6

231-1446

NUT,3/8" - 16, Gr 5

6шт.

7

351421A1

PLATE

bolting

2шт.

8

351429A1

BAR

link

2шт.

9

351432A1

BRACKET

mounting

2шт.

10

351433A1

PLATE

bolting

2шт.

11

351435A1

TUBE

coupler

1шт.

12

351439A1

PIVOT,Uses 2 - 1" pins

link

2шт.

For TBH Cart and Disc Drills

1шт.

12

GE-197

LINKAGE,Uses 1 each of 1" and 3/4" pins

mount, pivot link

2шт.

For TBH Cart and Hoe Drills

1шт.

13

351454A1

TUBE

drawbar

1шт.

14

351465A1

TUBE,1828.8 mm Length

12" hitch

1шт.

15

351935A1

PIN

draw, 1" x 3 1/2"

2шт.

Includes 6425

1шт.

16

88206

BOLT,Hex, 3/8" - 16 x 1", Gr 5

4шт.

17

9706689

BOLT,Hex, 3/8" - 16 x 1 3/4", Gr 5

2шт.

18

9706701

BOLT,Hex, 3/4" - 10 x 2 1/2", Gr 5

4шт.

19

426-12136

BOLT,Hex, 3/4" - 10 x 8-1/2", Gr 8

16шт.

Выбрано товаров: 24