Запчасти Case IH 8100 (9A-04) - MAIN FRAME, HOPPER (09) - CHASSIS/ATTACHMENTS

Схема запчастей Case IH 8100 - (9A-04) - MAIN FRAME, HOPPER (09) - CHASSIS/ATTACHMENTS
1
29
39
28
5
20
9
11
31
32
47
29
15
4
41
25
38
34
19
18
17
8
20
32
26
43
36
37
13
27
10
30
33
22
24
14
30
7
35
31
42
2
8
6
23
46
18
31
45
12
40
28
31
18
3
14
28
9
16
17
30
44
21
42
32
38
FIT
1:1
100%

Артикул

Название

Примечание

Количество

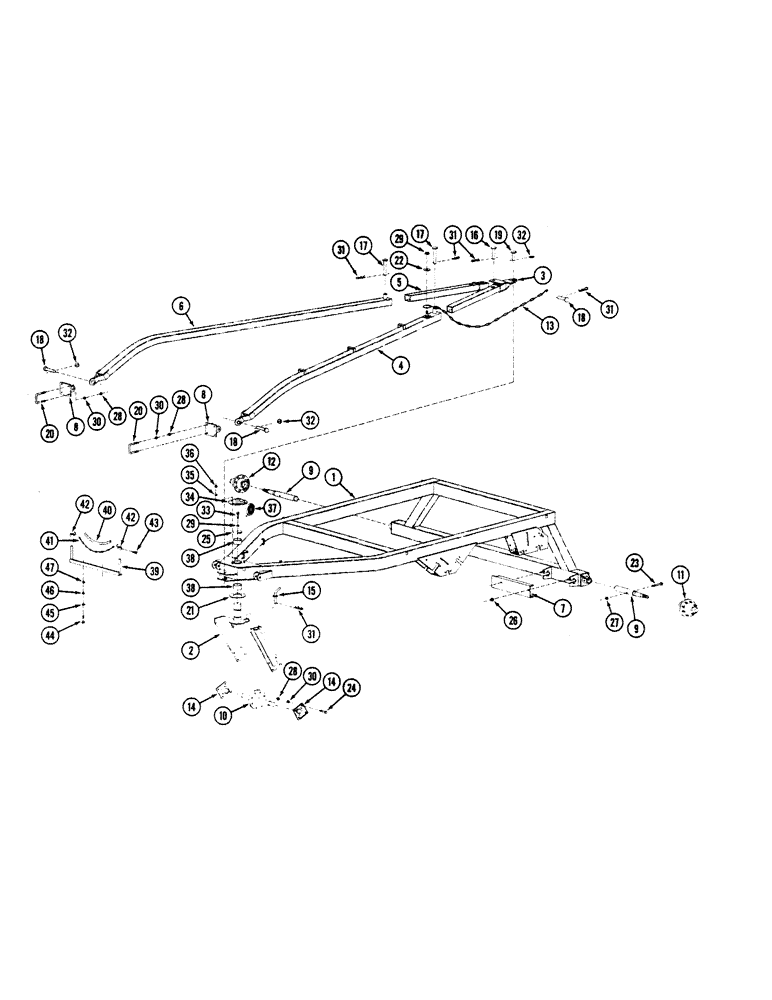
1

1543928C1

FRAME

- main

1шт.

2

1543929C1

FORK

- castor (130 bushel machines)

1шт.

2

1547601C1

FORK

- castor (180 bushel machines)

1шт.

3

1543913C1

TUBE

- hitch, left inner

1шт.

4

1543933C1

TUBE

- hitch, left outer

1шт.

5

1543914C1

TUBE

- hitch, right inner

1шт.

6

1543915C1

TUBE

- hitch, right outer

1шт.

7

1544052C1

GUARD

- frame

2шт.

8

1543934C1

BRACKET

- mounting

2шт.

9

1544043C1

SPINDLE

- rear

1шт.

10

1543964C1

AXLE

- 8100 Air Seeder (130 bushel machines)

1шт.

10

1547600C1

AXLE

- 8100 Air Seeder (180 bushel machines)

1шт.

11

REF

INSTRUCTION

HUB ASSEMBLY - drive (See Page 9A-7)

1шт.

12

REF

INSTRUCTION

HUB ASSEMBLY - non drive (See Page 9A-7)

1шт.

13

63506C3

CHAIN (AG)

CHAIN - safety

2шт.

14

1544351C1

FLANGE

BEARING ASSEMBLY

1шт.

15

1543859C1

PIN

- lock, castor

1шт.

16

439-51672

HEADED PIN,25.4mm OD x 114.3mm L

PIN - 1 x 3-3/4 inch

2шт.

17

1544336C1

PIN

- 1 x 5-13/32 inch

3шт.

18

1544337C1

PIN

- 1-1/8 x 3-11/16 inch

1шт.

19

1544335C1

PIN

- 1-1/4 x 3-7/8 inch

4шт.

20

608294R1

U-BOLT,U, 5/8" - 11 x 134mm

- 5/8 inch NC, plated

1шт.

21

1544058C1

WASHER

WASHER - wear

1шт.

22

1544345C1

WASHER

- flat, 1-1/16 inch ID

2шт.

23

413-860

BOLT,Hex, 1/2" - 13 x 3-3/4", Gr 5

8шт.

24

113-2659

BOLT,Hex, 5/8" - 11 x 2", Gr 5, Full Thd

- hex, 5/8 NC x 2 inch

1шт.

25

1544075C1

WASHER

- dirt shield

2шт.

26

231-5146

FLANGE NUT,3/8"-16

2шт.

27

231-4118

LOCK NUT,1/2"-13, GB

NUT - lock, 1/2 inch

16шт.

28

425-1010

NUT,5/8"-11, G5

1шт.

29

231-41116

NUT,1"-8, GB

NUT - lock, 1 inch

17шт.

30

492-11062

BEARING WASHER,5/8"

WASHER, LOCK, 5/8"

5шт.

31

407210R1

CLIP

PIN - cotter, (Package of 10)

3шт.

32

A30338

PIN

- self locking, 1/4 x 1-3/4 inch

1шт.

33

413-1024

BOLT,Hex, 5/8" - 11 x 1-1/2", Gr 5

1шт.

34

1544074C1

SHIELD

- dirt

3шт.

35

492-11025

LOCK WASHER,1/4"

WASHER, LOCK, 1/4"

3шт.

36

425-105

NUT,5/16"-18, G5

- hex, 5/16 inch NC, Grade 8

2шт.

37

1544208C1

SEAL

- strip, 1/8 x 1/2 inch, Serial Range: (Cut-length)

1шт.

38

1544073C1

BUSHING

- dirt shield

1шт.

39

1543977C1

BRACKET

- mounting

1шт.

40

1544212C1

HOSE

- 1-1/16 inch OD, Serial Range: (Cut-length)

1шт.

41

NSS

NOT SOLD SEPARAT

CHAIN - 80 links (Procure locally)

1шт.

42

1543965C1

HOOK

CHAIN - hook

2шт.

43

485-12512

SET SCREW,Sq Hd, 1/4"-20 x 3/4"

SCREW - set, square head cup point, 1/4 NC x 3/4 inch

2шт.

44

413-636

BOLT,Hex, 3/8" - 16 x 2-1/4", Gr 5

- hex, 3/8 NC x 2-1/4 inch

2шт.

45

495-11041

WASHER,0.406" ID x 0.812" OD x 0.065" W

(Flat, 13/32 x 13/16 x 1/16") 3/8", SAE

2шт.

46

492-11038

LOCK WASHER,3/8"

2шт.

47

425-106

NUT,3/8"-16, Cl 5

2шт.

Note - Std. Eq. Mud Scrapers are for 180 Bushel, 1544439C1. Optional Eq. 130 Bushel 1544438C1 11/22/95

1шт.

Выбрано товаров: 0