Запчасти Case IH 8100 (9A-24) - SINGLE SHOOT, RUNS 21 THRU 30, 31 THRU 40, 41 THRU 50, 51 THRU 60, 61 THRU 70, 71 THRU 80 (09) - CHASSIS/ATTACHMENTS

Схема запчастей Case IH 8100 - (9A-24) - SINGLE SHOOT, RUNS 21 THRU 30, 31 THRU 40, 41 THRU 50, 51 THRU 60, 61 THRU 70, 71 THRU 80 (09) - CHASSIS/ATTACHMENTS
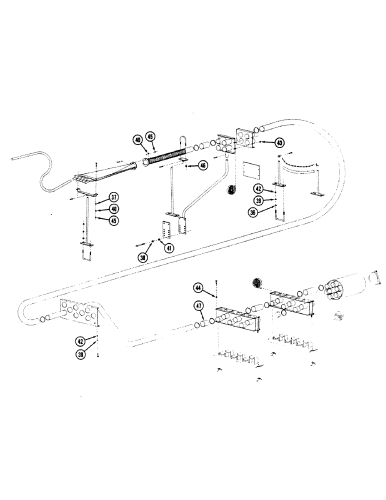
39
38
43
45
44
36
40
40
42
39
42
45
46
41
37
47
FIT
1:1
100%

Артикул

Название

Примечание

Количество

36

495-61041

WASHER,10.31mm ID x 25.4mm OD x 1.6mm Thk

(21-30 Runs) (31-40 Runs, use 20) (41-50 Runs, use 24) (51-60 Runs, use 28) (61-70 Runs, use 32) (71-80 Runs, use 36) 3/8" x 1" x .063"

16шт.

37

495-21031

WASHER,1/4"

- flat, 5/16 x 47/64 x 1/16 inch (21-30 Runs) (31-40 Runs, use 8) (41-50 Runs, use 10) (51-60 Runs, use 12) (61-70 Runs, use 14) (71-80 Runs, use 16)

6шт.

38

80679

LOCK WASHER,1/20.507 CST ZND

WASHER, LOCK, (21-30 Runs, 31-40 Runs) (41-50 Runs, 51-60 Runs, 61-70 Runs use quantity of 8) 1/2"

4шт.

39

492-11038

LOCK WASHER,3/8"

(21-30 Runs) (31-40 Runs, use 22) (41-50 Runs, use 26) (51-60 Runs, use 30) (61-70 Runs, use 34) (71-80 Runs, use 38) 3/8"

18шт.

40

492-11025

LOCK WASHER,1/4"

WASHER, LOCK, (21-30 Runs) (31-40 Runs, use 20) (41-50 Runs, use 25) (51-60 Runs, use 30) (61-70 Runs, use 35) (71-80 Runs, use 40) 1/4"

15шт.

41

425-108

NUT,1/2" - 13, Gr 5

NUT, , Hex (21-30, 31-40 Runs) (41-50, 51-60, 61-70, 71-80 Runs use quantity of 8) 1/2"-13, G5

4шт.

42

425-106

NUT,3/8"-16, Cl 5

(21-30 Runs) (31-40 Runs, use 22) (41-50 Runs, use 26) (51-60 Runs, use 30) (61-70 Runs, use 34) (71-80 Runs, use 38) 3/8"-16, G5

18шт.

43

231-5146

FLANGE NUT,3/8"-16

(21-30, 31-40 Runs) (41-50 Runs, 51-60 Runs, 61-70 Runs use quantity of 8) Flg, USR, 3/8"-16

4шт.

44

231-5145

SERRATED NUT,Flg, USR, 5/16"-18

NUT - hex, flange, self-locking, 5/16 inch NC

16шт.

45

425-104

NUT,1/4"-20, Cl 5

- hex, 1/4 inch (21-30 Runs) (31-40 Runs, use 20) (41-50 Runs, use 25) (51-60 Runs, use 30) (61-70 Runs, use 35) (71-80 Runs, use 40)

15шт.

46

231-5144

SERRATED NUT,Flg, USR, 1/4"-20

(21-30 Runs) (31-40 Runs, use 8) (41-50 Runs, use 10) (51-60 Runs, use 12) (61-70 Runs, use 14) (71-80 Runs, use 16) Flg, USR, 1/4"-20

6шт.

47

86993497

HOSE,2.50" ID

1978964C1 Sold by the Foot 2.50" ID

1шт.

Выбрано товаров: 0