Запчасти Case IH 1002 (28) - WALK BEAM AND CASTOR WHEEL

Схема запчастей Case IH 1002 - (28) - WALK BEAM AND CASTOR WHEEL
25
33
17
5
20
13
31
16
32
5
21
20
38
8
6
11
18
14
10
27
4
19
1
9
22
3
34
18
29
15
36
28
23
30
37
26
12
35
7
7
2
19
24
1
FIT
1:1
100%

Артикул

Название

Примечание

Количество

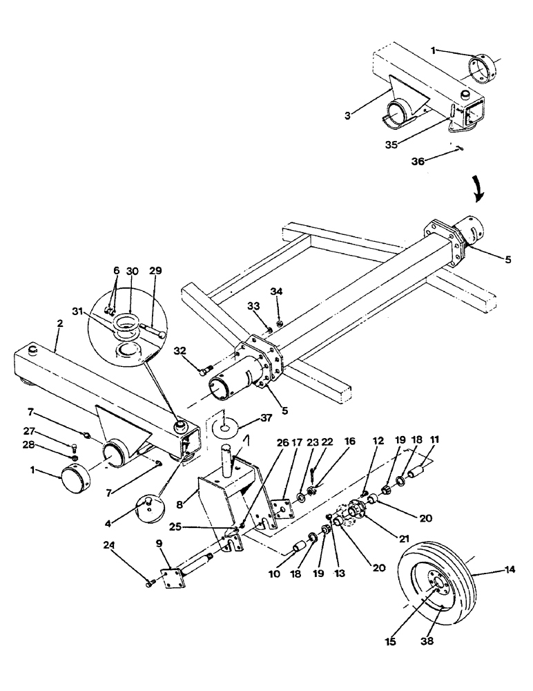
1

054-001

AXLE CAP ASSEMBLY

2шт.

2

016-001

WALK BEAM, left

1шт.

3

017-001

WALK BEAM, right

1шт.

4

267-002

PLUG, .125 NPT

4шт.

5

111-001

AXLE ASSEMBLY

2шт.

6

900-285

NUT, hexagon .37

8шт.

7

016-010

GREASE ZERK .125 NPT

8шт.

8

018-001

FORK ASSEMBLY

4шт.

9

019-001

AXLE

4шт.

10

019-004

SPACER, short 2.0 O.D. x 1.54 I.D. x 2-27/32 c/w cone 019-013

4шт.

10

019-021

SPACER, short 2.25 O.D. x 1.51 I.D. x 3-1/8 c/w cone 019-023

4шт.

11

019-005

SPACER, long 2.0 O.D. x 1.54 I.D. x 3-11/32 c/w cone 019-013

4шт.

11

019-022

SPACER, long 2.25 O.D. x 1.51 I.D. x 3-5/8 c/w cone 019-023

4шт.

12

012-004

BOLT, wheel

24шт.

13

012-006

NUT, wheel

24шт.

14

019-009

TIRE 11L x 15 - 8 ply

4шт.

15

019-010

WHEEL, 6 hole 15 x 8

4шт.

16

088-016

NUT, slotted 1-14 UNC

4шт.

17

019-006

PLATE, retaining

4шт.

18

019-012

SEAL (Lip outward)

8шт.

19

019-013

CONE, bearing (Matched set to spacers 019-004 & 019-005)

8шт.

19

019-023

CONE, bearing (Matched set to spacers 019-021 & 019-022)

8шт.

20

019-024

CUP, bearing

8шт.

21

019-015

HUB, c/w bolts and cups

4шт.

22

019-008

COTTER PIN .18 x 3.0"

4шт.

23

019-016

FLATWASHER, S.A.E. 1.0 (For shimming only)

4шт.

24

900-107

CAPSCREW, hexagon .31 x 1.50"

32шт.

25

900-192

LOCKWASHER .31"

32шт.

26

900-185

NUT, hexagon .31"

32шт.

27

900-607

CAPSCREW, hexagon .62 x 1.50"

8шт.

28

900-692

LOCKWASHER .62"

8шт.

29

900-218

CAPSCREW .37 x 4.50"

4шт.

30

018-009

SHIM, 10 Ga.

1шт.

31

018-008

SHIM, 14 Ga.

1шт.

32

900-711

CAPSCREW, hexagon .75 x 2.50"

16шт.

33

900-792

LOCKWASHER .75

16шт.

34

900-785

NUT, hexagon .75

16шт.

35

018-006

PIN, fork lock

4шт.

36

018-007

SPRING PIN

8шт.

37

265-001

BEARING, thrust 7.88" O.D.

4шт.

38

019-101

DILL VALVE

4шт.

Выбрано товаров: 41