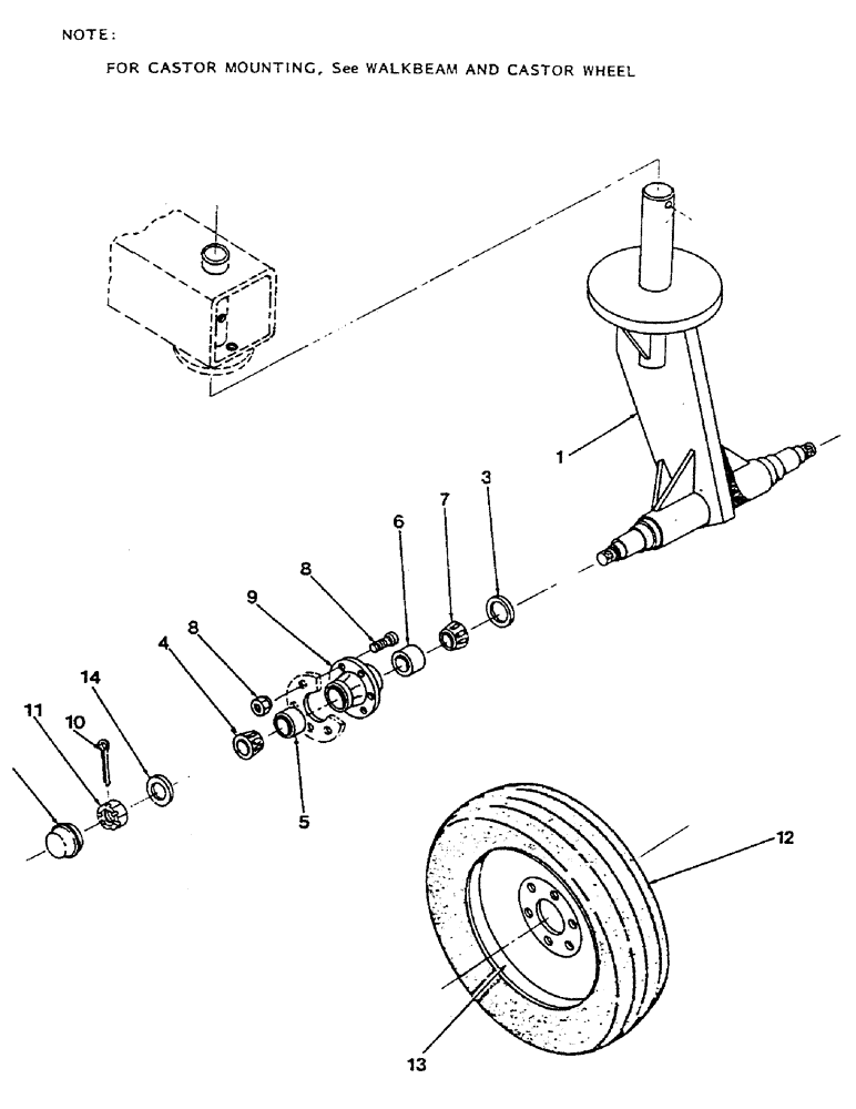
Запчасти Case IH 1002 (30) - DUAL CASTOR WHEEL

Схема запчастей Case IH 1002 - (30) - DUAL CASTOR WHEEL
9
6
12
10
5
4
11
8
1
14
13
3
7
8
FIT
1:1
100%

Артикул

Название

Примечание

Количество

1

088-001

DUAL CASTOR

4шт.

088-007

HUB ASSEMBLY (Items 2 through 9)

8шт.

2

088-015

CAP, hub

1шт.

3

088-011

SEAL

1шт.

4

088-010

CONE, outer

1шт.

5

088-013

CUP, outer

1шт.

6

088-012

CUP, inner

1шт.

7

088-009

CONE, inner

1шт.

8

088-014

BOLT, wheel c/w nuts

6шт.

9

NSS

NOT SOLD SEPARAT

HUB - not sold separately

1шт.

10

019-008

COTTER PIN .18 x 3.0

8шт.

11

088-016

NUT, slotted hexagon 1.0"

8шт.

12

019-009

TIRE, tubeless 11 L x 15 - 8 ply

8шт.

13

019-010

WHEEL - 15 x 8 LB - 6 bolt

8шт.

14

019-016

FLATWASHER, S.A.E.

8шт.

Выбрано товаров: 0