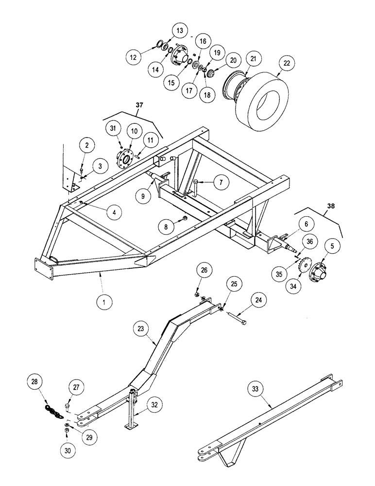
Запчасти Case IH 1100 (E22) - TRIKE FRAME INCLUDING DRAWPOLE

Схема запчастей Case IH 1100 - (E22) - TRIKE FRAME INCLUDING DRAWPOLE
23
14
25
36
38
10
26
24
2
15
33
34
29
8
1
27
6
18
11
37
17
35
7
31
4
20
19
30
9
5
21
22
12
3
16
28
13
32
FIT
1:1
100%

Артикул

Название

Примечание

Количество

1

1025353

FRAME ASSY

WLDMT - frame

1шт.

2

1014349

BOLT

BOLT - hex: .63 x 1.50 NC GR5 ZP

4шт.

3

1013024

WASHER

- flat: .63 ZP

4шт.

4

231-14410

NUT,5/8"-11, GB

NUT, LOCK, 5/8"-11, GB

4шт.

5

1024633

HUB

- machined

1шт.

6

1024997

AXLE

WLDMT - axle LH

1шт.

7

1024673

BOLT

BOLT - drilled

4шт.

8

425-1216

SLOTTED NUT,Hex, 1"-8, G5

4шт.

9

1024748

AXLE

WLDMT - axle RH

1шт.

10

1023734

HUB

COMPLETE HA811-8 PNT

1шт.

11

1016176

STEP BOLT

BOLT STUD .563 UNF GR5 WB41

8шт.

12

1674

OIL SEAL

HUB OIL SE16

1шт.

13

1020703

ROLLER BEARING

BEARING CONE #25877

1шт.

14

1020699

CUP

- race: CT&D # 25520

1шт.

15

1020700

CUP

- race: CT&D # 25821

1шт.

16

1020702

ROLLER BEARING

BEARING CONE #25590

1шт.

17

1013475

WASHER

- flat: F&H #106247

1шт.

18

425-1316

NUT,1"-14, G5

NUT - hex: slot 1-14 NS GR2 ZP

1шт.

19

1013473

ANGLE BAR

PIN - cotter: .19 x 2.00 NP

2шт.

20

419963A1

HUB CAP

DUST DC17 YZD

1шт.

21

1013464

RIM

- W11C 16.1 8-Hole F&H106987

2шт.

21

1012383

VALVE STEM

VALVE - stem

2шт.

22

1026882

TYRE/TIRE

TIRE - MNTD: 16.5 x 16 6ply I2

2шт.

22

1025684

TYRE/TIRE

TIRE - MNTD: 16.5 x 16 6ply I3 (Option)

2шт.

22

1016043

TYRE/TIRE

TIRE 16.5L - 16.1 6 ply I-2

2шт.

22

1025530

TIRE 16.5L - 16.1 6 ply I-3 (Option)

2шт.

23

1033305

POLE

WLDMT - draw pole (Replaces 1024610)

1шт.

24

1015897

BOLT

BOLT - hex: 1.00 x 10.00 NC GR5 ZP

1шт.

25

1016663

WASHER

- flat: SAE 1.00 ZP

3шт.

26

1013430

LOCK NUT

NUT - centerlock: 1.00 NC GR2 ZP

1шт.

27

1023331

BOLT

BOLT - hex: 1.00 x 2.50 NC GR5 ZP

1шт.

28

1032161

CHAIN (AG)

CHAIN - safety 10.1K PC #8601553

1шт.

29

1032169

WASHER

- heavy duty

1шт.

30

232-14416

NUT,1"-8, GC

NUT - nylock: 1.00 NC GR6 ZP

1шт.

31

1016177

WHEEL NUT

- lug: CT&D # WB40

8шт.

32

1016961

JACK

STAND 450TT215

1шт.

33

1024610

DRAWBAR

WLDMT DRAWPOLE - discontinued replaced by 1033305

1шт.

34

1024631

FLANGE

WLDMT - flange and sprocket

1шт.

35

1013297

LOCK WASHER

- lock: .25 NP

8шт.

36

1013940

BOLT

BOLT - hex: .25 x 1.25 NC GR5 ZP

8шт.

37

1033256

ASSY - spindle: RH 1100

1шт.

38

1033257

ASSY - spindle: LH 1100

1шт.

Выбрано товаров: 42