Запчасти Case IH 1600 (15) - ELECTRICAL SYSTEM, HYDRAULIC

Схема запчастей Case IH 1600 - (15) - ELECTRICAL SYSTEM, HYDRAULIC
12
9
21
7
18
14
7
13
17
2
8
10
4
19
20
1
5
11
16
9
3
15
10
8
22
6
17
FIT
1:1
100%

Артикул

Название

Примечание

Количество

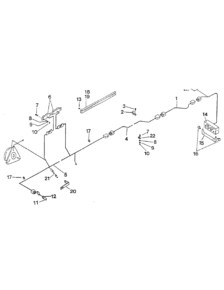
1

1024929

HARNESS

WIRING HARNESS, tractor, 20 ft.

1шт.

2

1016352

CLAMP

harness

15шт.

3

100802

ELECTRICAL GAUGE

SCREW

15шт.

4

1024928

HARNESS

WIRING HARNESS, tillage, 40 ft.

1шт.

5

1024927

HARNESS

WIRING HARNESS, 2000

1шт.

6

1016121

SENSOR

BIN LEVEL SENSOR

2шт.

7

1014728

SCREW

8шт.

8

1016237

WASHER

FLAT WASHER

8шт.

9

1013389

THRUST WASHER

LOCKWASHER

8шт.

10

1011588

NUT,#10-24

hex, #10

8шт.

11

1016300

SENSOR

MAGNETIC PICKUP

1шт.

12

1016492

LOCK NUT

JAM NUT

2шт.

13

1011575

NUT,5/16"-18, G5

hex, 5/16"

7шт.

14

1024891

CONTROL

MONITOR BOX (Model 100)

1шт.

15

1024940

BRACKET

MONITOR BOX MOUNT BRACKET

1шт.

16

1024941

KNOB

2шт.

17

1016235

GROMMET

2шт.

18

1016247

CHANNEL

wire protector, 32" long

2шт.

19

1016249

CHANNEL

wire protector, 96" long

1шт.

20

1024936

BRACKET

1шт.

21

1024930

SENDER UNIT

SENDING UNIT

1шт.

22

1016234

CLAMP

harness

3шт.

Выбрано товаров: 22