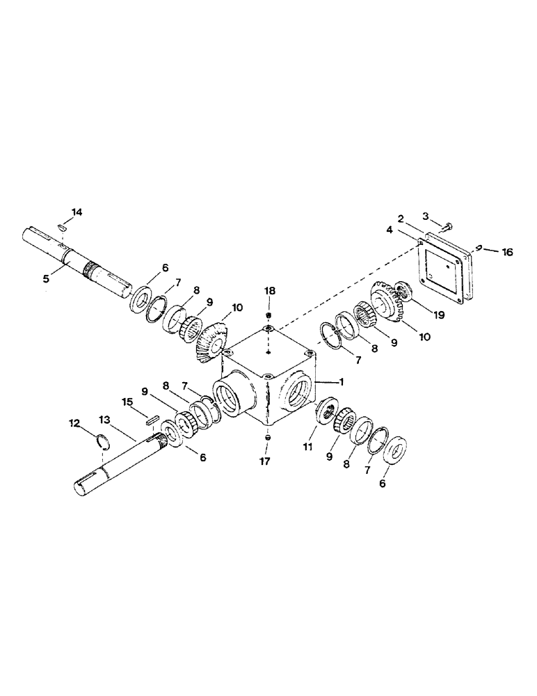
Запчасти Case IH 1802 (35) - GEARBOX ASSEMBLY

Схема запчастей Case IH 1802 - (35) - GEARBOX ASSEMBLY
6
4
9
13
9
8
7
7
18
5
3
16
11
7
9
15
1
7
12
2
9
18
6
14
8
17
19
8
6
10
8
FIT
1:1
100%

Артикул

Название

Примечание

Количество

1

1015681

HOUSING

1шт.

2

1015682

COVER

1шт.

3

1015690

CAPSCREW, 5/16" x 5/8"

4шт.

4

1015696

GASKET

1шт.

5

1015692

SHAFT - output

1шт.

6

1015697

SEAL

3шт.

7

1015687

SNAPRING

4шт.

8

1015685

CUP, bearing

4шт.

9

1015684

CONE, bearing

4шт.

10

1015683

GEAR

2шт.

11

1015686

STAKENUT - output

1шт.

12

1015689

SNAPRING - input

1шт.

13

1015691

SHAFT - input

1шт.

14

1015693

WOODRUFF KEY

1шт.

15

1015694

DATA PLAQUE

KEY, square 1/4" x 15/16" lg.

1шт.

16

1015695

PLUG, level, 1/8" NPT

1шт.

17

1013113

PLUG

drain, 3/8" NPT

1шт.

18

1015698

PLUG, vent, 3/8" NPT

1шт.

Выбрано товаров: 18