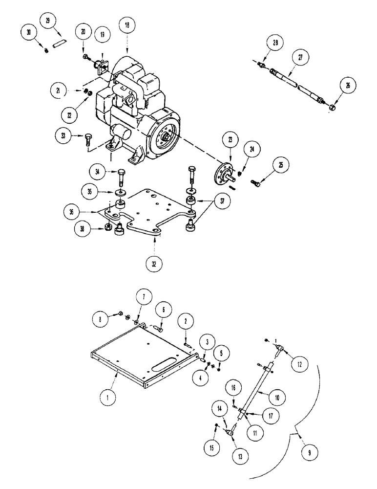
Запчасти Case IH 3400 (E38) - ENGINE MOUNTING

Схема запчастей Case IH 3400 - (E38) - ENGINE MOUNTING
26
2
15
28
36
7
24
38
22
16
34
30
13
12
35
11
23
17
20
21
4
19
27
8
1
25
32
37
5
6
33
14
29
10
3
18
9
FIT
1:1
100%

Артикул

Название

Примечание

Количество

1

1016354

PLATFORM

WLDMT - engine platform

1шт.

2

1011610

BOLT

BOLT - hex: .50 x 2.50 NC GR5 ZP

1шт.

3

1015994

BUSHING

1шт.

4

1011584

WASHER

- flat: SAE .50 ZP

2шт.

5

232-4248

LOCK NUT,1/2"-13, GC

NUT - centerlock: .50 NC GR2 ZP

1шт.

6

1016598

BOLT

- hex: .75 x 2.50 NC GR5 ZP

1шт.

7

1012634

WASHER

- flat: SAE .75 ZP

2шт.

8

231-42412

NUT,3/4"-10, GB

NUT - centerlock: .75 NC GR5 ZP

1шт.

9

1018672

ROD

ASSY - tie rod #L-14-VT-742-A-11

2шт.

10

1018561

TUBE,15.9 mm ID, 28.6 mm OD

ROD - tie tube

2шт.

11

1026302

CLAMP

WLDMT - clamp

4шт.

12

1012196

END

ROD - tie end LH

2шт.

13

1012197

END

ROD - tie end RH

2шт.

14

1013626

SPLIT PIN/SAFETY PIN

PIN - cotter: .16 x 1.25 ZP

4шт.

16

1011602

BOLT

BOLT - hex: .38 x 1.50 NC GR5 ZP

4шт.

17

232-1446

NUT,3/8"-16, GC

NUT - nylock: .38 NC GR6 ZP

6шт.

18

1033042

SKELETON ENGINE

ENGINE - 9LD-625-2

1шт.

18

1033272

ENGINE ASSEMBLY

ASSY - engine: 28 HP

1шт.

19

1033337

FLANGE ASSY

WLDMT - flange

1шт.

Ref: 19 The 3 bolt Flange is illustrated incorrectly it should appear as a semi circle with a straight piece attached. The gasket for this area is p/n 312492A1 and is not in the catalog. Per Concord Eng. MV

1шт.

20

1014786

BOLT

BOLT - hex: .31 x 1.25 NC GR5 ZP

2шт.

21

1014125

LOCK WASHER

WASHER - lock: .31 ZP

3шт.

22

1011575

NUT,5/16"-18, G5

- hex: .31 NC GR2 ZP

3шт.

23

1012363

SHAFT

STUBSHAFT - drive

1шт.

24

892-11010

LOCK WASHER,M10

8шт.

25

1012384

BOLT

- metric: M10 x 30 MM G10.9 P

8шт.

26

1017738

FITTING

FTG - cap TMK#304-C-6

1шт.

27

1017737

HOSE ASSY.

HOSE .38 x 012-6JICM/-6JICFSW

1шт.

28

CAS1018143

FITTING

FTG - adapter: AQ#15.063-8-6

1шт.

29

1014929

HOSE,0.38" ID x 8.50"

- Crankcase breather 0.38" ID x 8.50"

1шт.

30

1012406

CLAMP

- hose: S.S.#04 .22-.63

1шт.

32

1014736

LARGE PLATE

PLATE - engine mount

1шт.

33

1017526

BOLT

- hex: .63 x 2.25 NC GR5 ZP

4шт.

34

1016726

BOLT

- hex: .63 x 4.00 NC GR5 ZP

4шт.

35

1014741

WASHER

- snubbing

4шт.

36

1014738

ISOLATOR

- 90#

2шт.

37

1014739

ISOLATOR

- 150#

2шт.

38

231-14410

NUT,5/8"-11, GB

NUT, LOCK, 5/8"-11, GB

8шт.

Выбрано товаров: 38