Запчасти Case IH 3400 (E67) - ELECTRICAL HYDRAULIC M100 - DISCONTINUED

Схема запчастей Case IH 3400 - (E67) - ELECTRICAL HYDRAULIC M100 - DISCONTINUED
10
1
17
8
4
15
11
6
12
16
2
5
19
9
18
14
13
3
7
6
13
FIT
1:1
100%

Артикул

Название

Примечание

Количество

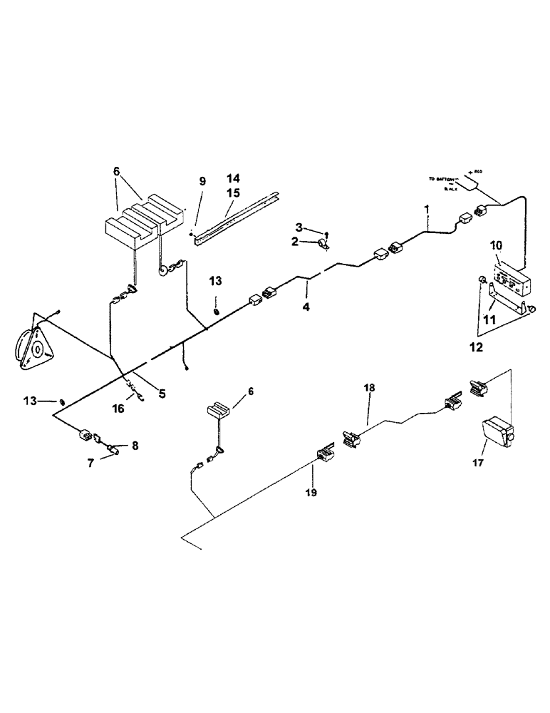
1

1024929

HARNESS

WIRING HARNESS, tractor, 20 Ft.

1шт.

2

1016352

CLAMP

harness

5шт.

3

100862

GASKET

SCREW, S-Tap, 3/16" x 1/2"

5шт.

4

1024928

HARNESS

WIRING HARNESS, tillage, 40 Ft.

1шт.

5

1024927

HARNESS

WIRING HARNESS, air system

1шт.

6

1027706

SENSOR

BIN LEVEL SENSOR

3шт.

7

1016300

SENSOR

MAGNETIC PICKUP

1шт.

8

1016492

LOCK NUT

JAM NUT (Order 425-1512)

1шт.

9

231-1445

NUT,5/16"-18, GB

NUT, nylock, 5/16"

7шт.

10

1024891

CONTROL

MONITOR BOX (Model 100)

1шт.

11

1024940

BRACKET

MONITOR BOX MOUNT BRACKET

1шт.

12

1024941

KNOB

2шт.

13

1016235

GROMMET

2шт.

14

1033311

CHANNEL

wire protector

2шт.

15

1029654

CHANNEL

wire protector

1шт.

16

1024930

SENDER UNIT

SENDING UNIT

1шт.

Ref#16 if you need the magnet for this sending unit it's 1024937 LLB 4-29-99

1шт.

17

1027488

BOX

- monitor, Vansco 3503 only

1шт.

18

1027491

HARNESS

- tillage 3503 only

1шт.

19

1027490

HARNESS

- tank 3503 only

1шт.

306973A1 M100 to M200 for 3503 Hydraulics.

1шт.

306977A1 M100 to M200 for 3503 Diesel.

1шт.

To convert M100 to M200 order the following:

1шт.

306972A1 M100 to M200 for 2000, 2300, 3400 Hydraulics.

1шт.

306976A1 M100 to M200 for 2000, 2300, 3400 Diesel.

1шт.

Выбрано товаров: 25