Качественные детали и логистика
Оригинальные и аналоговые запчасти с доставкой по России, Казахстану и Беларуси
©2022 PartSell ООО "Система" ИНН 2463123282 ОГРН 1212400004838
Центральный офис: г. Красноярск, Академика Киренского, д.87, пом.4
Телефон: 8 (800) 777-65-74 Email: zakaz@partsell.ru
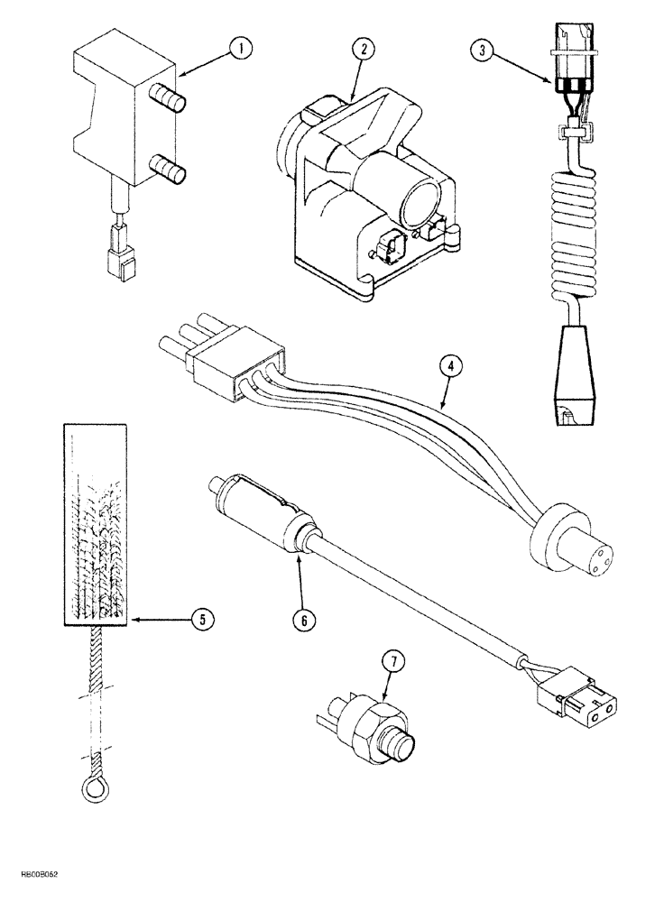
(02-48) - MISCELLANEOUS AFS COMPONENTS
№
Артикул
Название
Примечание
Количество
1
334917A1
SENSOR
bin level
1шт.
2
323597A1
MULTIPOLE CONNECTOR
implement, electrical
3
1983416C2
SWITCH
remote tether
4
1032920
capacitive, material presence
5
128817C1
BRUSH, COMMUTATOR
BRUSH sensor cleaning
6
385699A1
PACKAGE
SWITCH, AFS end of row
7
326373A1
IGNITION SWITCH
oil pressure
Выбрано товаров: 0