Запчасти Case IH AFS (03-22) - HARNESS, OUTSIDE CAB (55) - ELECTRICAL SYSTEMS

Схема запчастей Case IH AFS - (03-22) - HARNESS, OUTSIDE CAB (55) - ELECTRICAL SYSTEMS
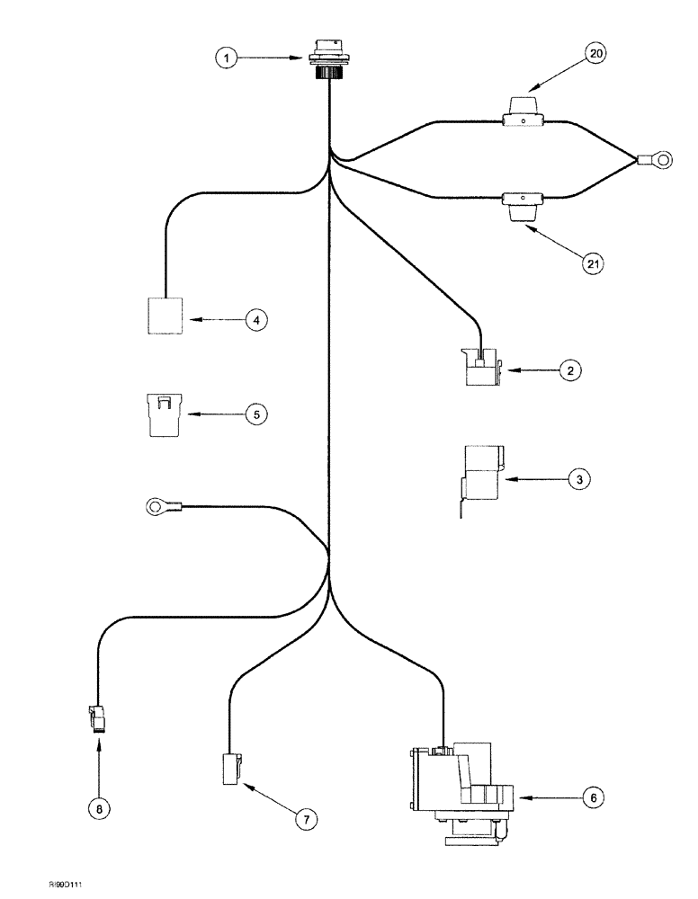
20
2
1
6
21
5
4
3
8
7
FIT
1:1
100%

Артикул

Название

Примечание

Количество

347955A1

HARNESS

outside cab, MX Magnum

1шт.

1

305677A1

CONNECTOR, ELEC

CONNECTOR AFS

1шт.

2

225368C1

CONNECTOR, ELEC

CONNECTOR

1шт.

3

296541A1

RELAY

80 amp.

1шт.

4

297910A1

ELEC CONNECTOR,Female, 5 Pin

5-way

1шт.

5

293256A2

RELAY,12V

weatherproof, 12 volt, 40 amp.

1шт.

6

323597A1

MULTIPOLE CONNECTOR

implement, electrical

1шт.

7

239451A1

MULTIPOLE CONNECTOR,Female, 4 Pin

4-cav plug DT series

1шт.

8

225316C1

ELEC CONNECTOR,Female, 2 Pin

electrical, 2 cavity

1шт.

20

338055A1

FUSE,30A, Maxival, Green

1шт.

21

338054A1

FUSE,20A, Maxival, Yellow

1шт.

Выбрано товаров: 11