Запчасти Case IH AS1002 (36) - MODEL AS1002 ENGINE MOUNTING (10) - ENGINE

Схема запчастей Case IH AS1002 - (36) - MODEL AS1002 ENGINE MOUNTING (10) - ENGINE
27
23
38
20
1
33
16
42
32
6
34
32
19
40
15
2
13
10
15
4
29
39
9
36
18
8
45
22
14
28
44
7
3
26
2
31
27
3
43
11
24
37
5
3
41
21
38
12
16
35
17
25
33
30
44
FIT
1:1
100%

Артикул

Название

Примечание

Количество

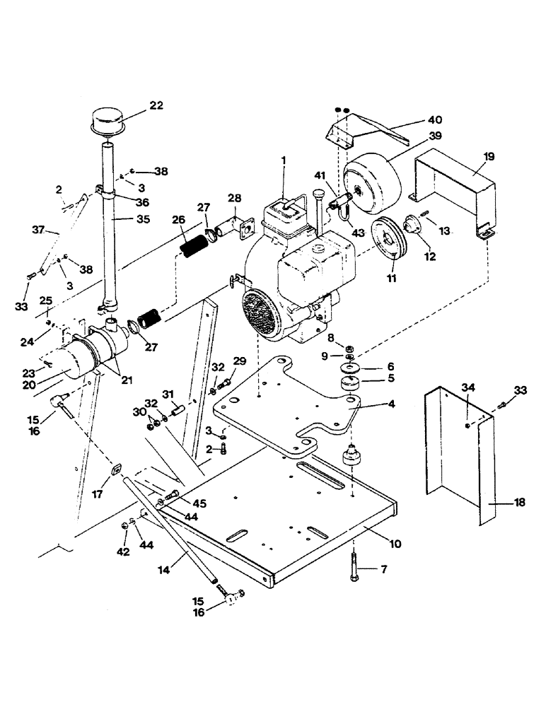
1

1015113

ENGINE (Telumselt Model OH180)

1шт.

2

1011602

BOLT

BOLT, hex, 3/8" x 1 1/2"

6шт.

3

1011586

LOCK WASHER

LOCKWASHER, 3/8"

6шт.

4

1014736

LARGE PLATE

PLATE, engine mounting

1шт.

5

1014739

ISOLATOR

150 lbs.

4шт.

6

1014741

WASHER

snubbing

4шт.

7

1015117

BOLT, hex, 5/8" x 4"

4шт.

8

1011578

NUT,5/8"-11, G5

hex, 5/8"

4шт.

9

1011813

LOCK WASHER

LOCKWASHER, 5/8"

4шт.

10

1016354

PLATFORM

PLATE, platform

1шт.

11

1015076

SHEAVE

driver, 5.6" O.D.

1шт.

1014863

SHEAVE

driver - 6.90" O.D.

1шт.

12

1015077

HUB, taper lock

1шт.

13

1012975

KEY

1/4" x 1/4" x 1 1/4"

1шт.

14

1012200

ROD

TIE ROD

2шт.

15

1012196

END

TIE ROD END, LH

2шт.

16

1012197

END

TIE ROD END, RH

2шт.

17

CON1013289

NUT,Sq, Jam, 11/16"-18

jam, RH

2шт.

18

1014879

BELT

GUARD, belt (lower)

1шт.

19

1015116

GUARD, belt (upper)

1шт.

20

1015093

AIR CLEANER (w/element)

1шт.

1015664

FILTER

ELEMENT, air

1шт.

21

1015092

BAND, mounting

2шт.

22

1015096

CAP

air inlet

1шт.

23

1011595

BOLT,Hex, 1/4" - 20 x 3/4", Gr 5, Full Thd

BOLT, hex, 1/4" x 3/4"

4шт.

24

100979

SELECTOR

4шт.

25

1011587

NUT,1/4"-20, G5

hex, 1/4"

4шт.

26

1015045

HOSE

1 3/4" I.D. x 18 3/4"

1шт.

27

1013134

CLAMP

hose

2шт.

28

1015109

FLANGE, elbow

1шт.

29

1015995

BOLT

BOLT, hex, 1/2" x 2 1/2"

2шт.

30

231-4248

NUT,1/2"-13, GB

NUT, hex, 1/2"

1шт.

31

1015994

BUSHING

1шт.

32

1011584

WASHER

2шт.

33

1011600

BOLT,Hex, 3/8" - 16 x 1", Gr 5

BOLT, hex, 3/8" x 1"

2шт.

34

1013428

NUT, hex, 3/8"

2шт.

35

1015952

EXTENSION

AIR STACK EXTENSION

1шт.

36

1016190

CLAMP

2шт.

37

1016192

STRAP BRACE

1шт.

38

280136

NUT,3/8"-16, G8

2шт.

39

1017753

MUFFLER

1шт.

40

1017745

HEAT SHIELD ASSEMBLY

1шт.

41

107754

NIPPLE

1шт.

42

1011620

NUT,3/4"-10, G5

hex, 3/4"

1шт.

43

1017752

CLAMP

1шт.

44

1012634

WASHER

2шт.

45

1016598

BOLT

hex, 3/4" x 2 1/2"

1шт.

Выбрано товаров: 47