Запчасти Case IH AS1002 (57) - ELECTRICAL SYSTEM - DIESEL (55) - ELECTRICAL SYSTEMS

Схема запчастей Case IH AS1002 - (57) - ELECTRICAL SYSTEM - DIESEL (55) - ELECTRICAL SYSTEMS
18
20
24
22
11
10
23
5
19
2
1
9
4
13
15
8
7
10
20
14
6
25
17
3
9
8
7
12
21
16
FIT
1:1
100%

Артикул

Название

Примечание

Количество

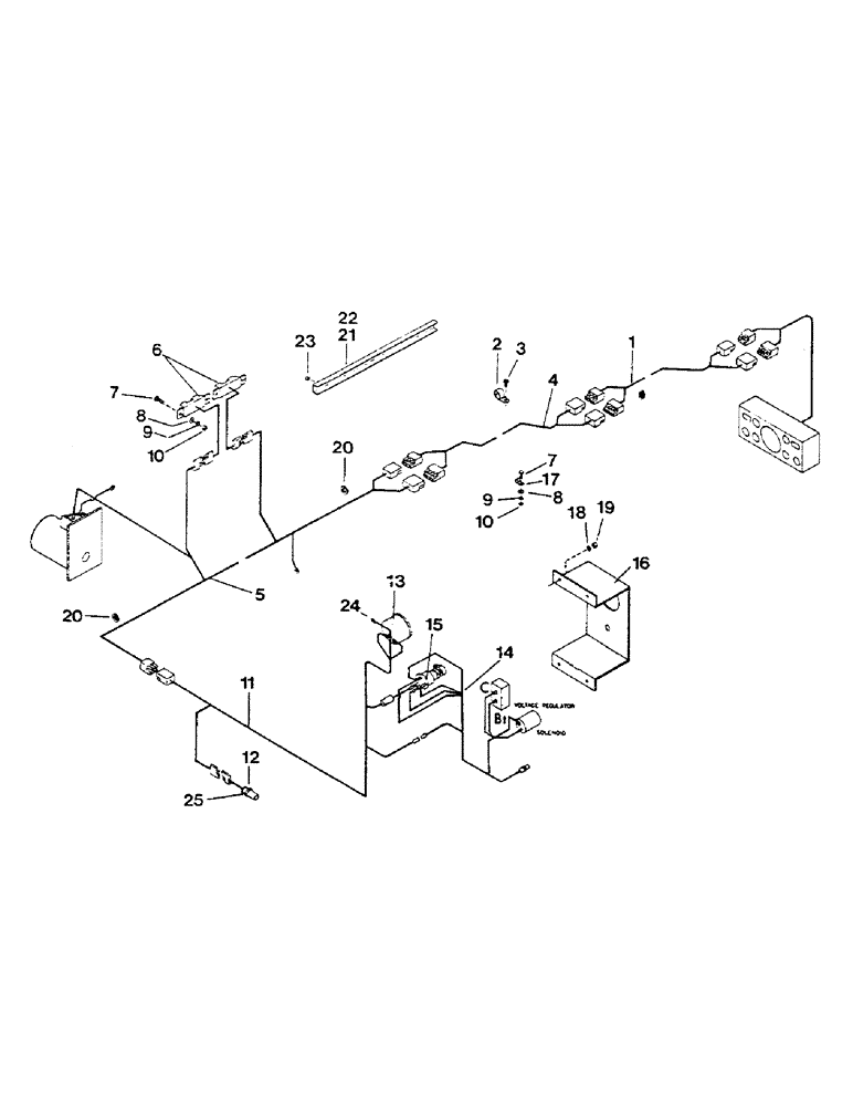
1

1016276

HARNESS

WIRING HARNESS, tractor

1шт.

2

1016352

CLAMP

harness

15шт.

3

100862

GASKET

SCREW

15шт.

4

1016277

HARNESS

WIRING HARNESS, tillage system

1шт.

5

1016279

HARNESS

WIRING HARNESS, air system 1502

1шт.

1016278

ASSEMBLY

WIRING HARNESS, air system 1002

1шт.

6

1016121

SENSOR

bin level

2шт.

7

1014728

SCREW

#10 x .75, full thread

8шт.

8

1016237

WASHER

flat

8шт.

9

1013389

THRUST WASHER

LOCKWASHER, star

8шт.

10

1011588

NUT,#10-24

hex, #10

8шт.

11

1016280

HARNESS

WIRING HARNESS, tach & engine

1шт.

12

1016300

SENSOR

PICK-UP, magnetic

1шт.

13

1016068

METER

TACHOMETER

1шт.

14

1016281

HARNESS

WIRING HARNESS, ignition & oil pressure

1шт.

15

1016194

IGNITION SWITCH

SWITCH, starter & ignition

1шт.

16

1016193

PANEL, INSTRUMENTS

INSTRUMENT PANEL

1шт.

17

1016234

CLAMP

harness

3шт.

18

1014125

LOCK WASHER

LOCKWASHER

4шт.

19

1011575

NUT,5/16"-18, G5

hex

4шт.

20

1016235

GROMMET

2шт.

21

1016247

CHANNEL

wire protector, 32" long

2шт.

22

1016249

CHANNEL

harness protector, 96" long

1шт.

23

1011575

NUT,5/16"-18, G5

hex, 5/16"

7шт.

24

1016466

ELECTRICAL WIRE

WIRE, tachometer ground

1шт.

25

1016492

LOCK NUT

NUT, jam

2шт.

Выбрано товаров: 26