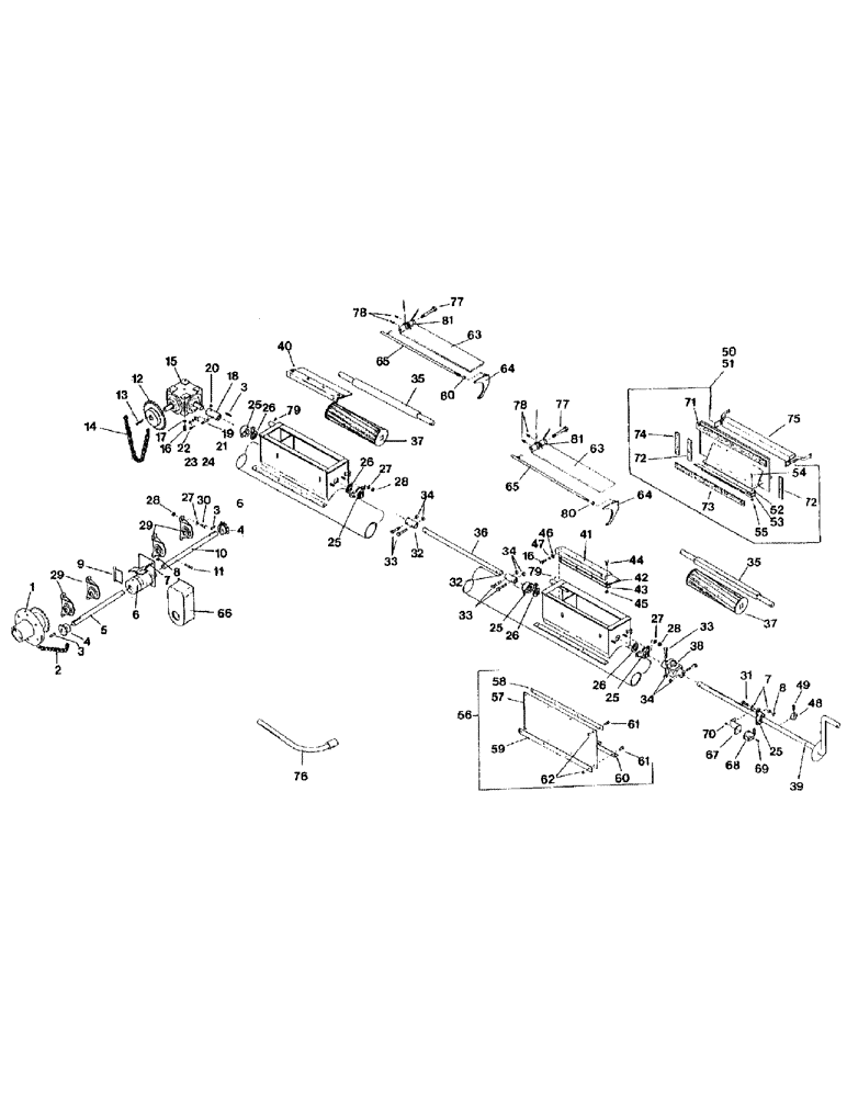
Запчасти Case IH AS1002 (52) - MODEL AS1502 DRIVE TRAIN ASSEMBLY (77) - SEEDING/PLANTING

Схема запчастей Case IH AS1002 - (52) - MODEL AS1502 DRIVE TRAIN ASSEMBLY (77) - SEEDING/PLANTING
28
66
26
52
58
81
33
6
73
78
55
20
60
17
29
3
15
8
74
70
78
68
31
12
40
43
49
23
81
27
85
34
14
21
32
4
25
33
11
69
45
13
24
25
67
34
54
76
35
75
16
2
39
79
53
9
37
72
38
35
77
37
71
56
59
28
46
41
26
6
3
64
36
51
1
29
42
47
65
61
50
22
10
32
57
63
61
4
7
62
48
80
25
25
19
64
28
27
16
25
30
7
3
63
72
27
79
26
33
18
6
26
8
77
44
80
34
FIT
1:1
100%

Артикул

Название

Примечание

Количество

1

1013712

HUB ASSY.

HUB & SPROCKET ASSEMBLY (Refer to page 46-47)

1шт.

2

1012555

CHAIN (AG)

CHAIN, #60 - 32 links

1шт.

1012557

LINK

CONNECTING LINK, #60

1шт.

3

1012975

KEY

1/4" x 1/4" x 1 1/4"

3шт.

4

1012976

DRIVE SPROCKET

SPROCKET, 10 tooth

2шт.

5

1012933

BAR

SHAFT, Serial Range: wheel-clutch

1шт.

6

1013285

CLUTCH

ASSEMBLY

1шт.

7

1013045

BOLT

shoulder, 5/16" x 1/2"

1шт.

8

1011575

NUT,5/16"-18, G5

hex, 5/16"

1шт.

9

1013225

PIN

lynch

1шт.

10

1013559

SHAFT, Serial Range: clutch-gearbox

1шт.

11

1012930

PIN

ROLL PIN, 5/16" dia. x 2"

1шт.

12

1012977

SPROCKET ASSY.

SPROCKET, gearbox, 26 tooth

1шт.

13

1013082

KEY

1шт.

14

1012556

CHAIN (AG)

CHAIN, #60 - 48 links

1шт.

1012557

LINK

CONNECTING LINK #60

1шт.

15

100908

GEARBOX ASSY

GEARBOX (See breakdown page 56)

1шт.

16

1011599

BOLT

BOLT, hex, 3/8" x 3/4", Gr. 5

8шт.

17

1013043

WASHER

flat

4шт.

18

1013042

TUBE,1.017" ID, 1.5" OD

COUPLER, gear box to cup

1шт.

19

1013218

PIN

Shear

1шт.

20

1013044

SET SCREW

1/4" x 1/4"

1шт.

21

1013221

STRIP

CLIP, shearpin hold

1шт.

22

1013243

BOLT

BOLT

1шт.

23

100979

SELECTOR

1шт.

24

1013297

LOCK WASHER

LOCK WASHER, 1/4"

1шт.

25

1012986

BEARING ASSY,25.4mm ID

BEARING, flange

4шт.

26

1012978

SEAL

WASHER, rubber

4шт.

27

1011583

WASHER

flat

20шт.

28

280136

NUT,3/8"-16, G8

hex, 5/8"

18шт.

29

1012559

HOUSING ASSY.

BEARING, pillow block

4шт.

30

1011600

BOLT,Hex, 3/8" - 16 x 1", Gr 5

BOLT, hex, 3/8" x 1"

8шт.

31

1011601

BOLT

BOLT, hex, 3/8" x 1 1/4"

2шт.

32

1012996

TUBE,1.03" ID, 1.5" OD

COUPLER, cup to shaft

2шт.

33

1011725

BOLT

BOLT, hex, 3/8" x 2"

6шт.

34

231-4246

LOCK NUT,3/8"-16, GB

NUT, LOCK, 3/8"-16, GB

6шт.

35

1013920

SHAFT

roll drive

2шт.

36

1012995

BAR

SHAFT, Serial Range: cup-cup

1шт.

37

1012608

ROLL

DRIVE ASSEMBLY

2шт.

38

1013301

JOINT

UNIVERSAL JOINT

1шт.

39

1013292

CRANK

ASSEMBLY

1шт.

40

1013310

DEFLECTOR

ASSEMBLY (Includes 41, 42, 43, 44, 45)

2шт.

41

1012955

DEFLECTOR

PLATE ASSEMBLY, deflector

1шт.

42

1013128

DEFLECTOR

RUBBER, deflector

1шт.

43

1013127

STRIP

PLATE, hold

1шт.

44

1011595

BOLT,Hex, 1/4" - 20 x 3/4", Gr 5, Full Thd

BOLT, hex, 1/4" x 3/4", Gr. 5

8шт.

45

1013240

LOCK NUT,1/4"-20, GB

LOCKNUT, 1/4"

8шт.

46

1011828

WASHER

8шт.

47

1011586

LOCK WASHER

LOCK WASHER, 3/8"

4шт.

48

1013924

COLLAR

1шт.

49

1013395

BOLT

BOLT

1шт.

50

1016218

COVER ASSY

COVER AND WIPER ASSEMBLY (Includes 51, 52, 53, 54, 55)

2шт.

51

1016215

COVER

ASSEMBLY

2шт.

52

1013129

WINDSHIELD WIPER

WIPER, rubber

2шт.

53

1013126

ANGLE

hole

2шт.

54

1013244

SCREW

8шт.

55

1011588

NUT,#10-24

8шт.

56

1013283

DOOR ASSY.

CLEANOUT DOOR ASSEMBLY (Includes 57, 58, 59, 60, 61, 62)

1шт.

57

1013176

COVER

DOOR

1шт.

58

1013177

SUPPORT

STRIP, narrow

1шт.

59

1013178

STRIP

wide

1шт.

60

1013284

ANGLE

LATCH ANGLE ASSEMBLY

1шт.

61

1011595

BOLT,Hex, 1/4" - 20 x 3/4", Gr 5, Full Thd

BOLT, hex, 1/4" x 3/4"

16шт.

62

1013240

LOCK NUT,1/4"-20, GB

NUT, hex, 1/4"

16шт.

63

1015082

DOOR ASSY.

METERING DOOR ASSEMBLY (Includes 78 & 81)

2шт.

64

1015678

PLATE

FLOW CONTROL ASSEMBLY

2шт.

65

1015419

TIE-ROD

ROD ASSEMBLY

2шт.

66

1014236

DUST COVER

1шт.

67

1013922

BRACKET

counter

1шт.

68

1012475

COUNTER

- acre

1шт.

69

1013926

SCREW

2шт.

70

280597

NUT,#5-40

2шт.

71

1016221

GASKET

2шт.

72

1016223

GASKET

GASKET

2шт.

73

1016222

GASKET

2шт.

74

1016224

GASKET

2шт.

75

1016213

TOGGLE

ASSEMBLY

2шт.

76

1013281

TOOL

WRENCH

1шт.

77

1013097

GUSSET

BOLT

2шт.

78

86636814

LUBE NIPPLE,1/4"-28 x .52" lg

NIPPLE, LUBE, 1/4"-28 x .52" lg

4шт.

79

1013895

THUMB SCREW

THUMBSCREW

2шт.

80

1011591

NUT,Jam, 1/2"-13, G5

hex, 1/2" jam

2шт.

81

1013346

PINION

meter door

2шт.

Выбрано товаров: 83