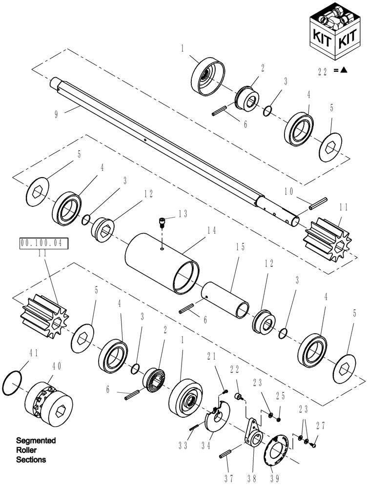
Запчасти Case IH 2230 (75.100.18) - METER ROLLERS (75) - SOIL PREPARATION

Схема запчастей Case IH 2230 - (75.100.18) - METER ROLLERS (75) - SOIL PREPARATION
40
22
4
27
4
00.100.04
5
21
3
1
5
4
6
6
13
12
33
22
12
38
5
39
41
37
11
15
34
3
5
6
25
23
2
23
11
4
2
3
1
3
14
9
10
FIT
1:1
100%

Артикул

Название

Примечание

Количество

1

CA-133

SEAL

meter roller ends

2шт.

2

425281A1

BUSHING

puck, meter roller outer

2шт.

3

51200142

O-RING,2.375" ID x 2.5" OD x 0.63"

1 1/8" id x 1 1/4" od x 1/16" thick

4шт.

4

51200149

BEARING

6010LLC/2AQT with Steel Seals (NTN)

1шт.

5

GH-891

BEARING COVER

bearing - steel

4шт.

6

87578

LOCK PIN,3/16" x 1 3/4", Slotted

3шт.

9

GL-562

SHAFT

meter roller - 2 to 8 run

1шт.

10

70921559

ROLL PIN,7.94mm OD x 41.27mm L

1шт.

9" required

1шт.

11

9825

ROLLER

meter section, xfine low clearance

1шт.

Refer to 00.100.04

1шт.

11

8043

ROLLER

meter section x-fine 3.17" wide

1шт.

Refer to 00.100.04

1шт.

11

7245

ROLLER

meter section, fine

1шт.

Refer to 00.100.04

1шт.

11

7246

ROLLER

meter section, coarse

1шт.

Refer to 00.100.04

1шт.

11

51200058

ROLLER

meter section, x-coarse

1шт.

Refer to 00.100.04

1шт.

12

8826

RUBBER PAD

meter roller inner bushing plastic

2шт.

13

7247

HEX SOC SCREW

hex socket nylon 5/16" x 1/2" hx-skt

1шт.

14

GL-580

SPACER

outer meter roller blanks center of 8 run rlr (2.5" long)

1шт.

14

GL-581

SPACER

outer meter roller blanks 1 run (5.649" long)

1шт.

14

GL-582

SPACER

outer meter roller blanks 2 runs (8.797" long)

1шт.

14

GL-583

SPACER

outer meter roller blanks 3 runs (11.945" long)

1шт.

14

GL-584

SPACER

outer meter roller blanks 4 runs (15.094" long)

1шт.

14

GL-585

SPACER

outer meter roller blanks 5 runs (18.242" long)

1шт.

14

GL-586

SPACER

outer meter roller blanks 6 runs (21.391" long)

1шт.

14

GL-570

SPACER

inner meter roller blanks center of 8 run rlr (3/4" long)

1шт.

15

GL-571

SPACER

inner meter roller blanks 1 run (3.899" long)

1шт.

15

GL-572

SPACER

inner meter roller blanks 2 runs (7.047" long)

1шт.

15

GL-573

SPACER

inner meter roller blanks 3 runs (10.195" long)

1шт.

15

GL-574

SPACER

inner meter roller blanks 4 runs (13.343" long)

1шт.

15

GL-575

SPACER

inner meter roller blanks 5 runs (16.492" long)

1шт.

15

GL-576

SPACER

inner meter roller blanks 6 runs (19.64" long)

1шт.

21

9722

SCREW,#6 - 32 x 0.50", SST

mch #6-32 x 1/2" rh pi ss

1шт.

22

6893K

KIT

cam follower stud

1шт.

23

88612

WASHER,0.22mm ID x 0.5mm OD x 0.05mm Thk

3шт.

25

20332

LOCK NUT,#10-32, GB

1шт.

27

9773

SCREW,#12 x 0.50"

sms #12 x 1/2" plt rh sq

1шт.

33

425294A1

ROLL PIN

1/8" x 1 1/4"

1шт.

34

87506452

ACTUATOR

meter roller shaft

1шт.

37

87406

LOCK PIN,6.35mm OD x 38.1mm L, Slotted

1шт.

38

CA-123

AGITATOR

cam

1шт.

39

9826

DISC

meter roller id x-fine low clearance

1шт.

39

412783A1

DISC

meter roller id fine

1шт.

39

8096

DISC

meter roller id coarse

1шт.

39

22435

DISC

meter roller id x-coarse

1шт.

40

51200067

ROLLER

meter section, fine segmented

1шт.

Includes 8830

1шт.

40

22737

ROLLER

Meter Section, X-Fine Segmented, Years: -01-MAR-12

1шт.

Includes 8830

1шт.

41

238-5036

O-RING,0.07" Thk x 2.364" ID, -36, Cl 5, 75 Duro

2шт.

Выбрано товаров: 0