Запчасти Case IH 2230 (75.100.21[01]) - CENTER MANIFOLD LIFT TBT (PART 1 OF 2) (75) - SOIL PREPARATION

Схема запчастей Case IH 2230 - (75.100.21[01]) - CENTER MANIFOLD LIFT TBT (PART 1 OF 2) (75) - SOIL PREPARATION
7
18
6
5
10
6
17
24
20
14
3
1
11
2
8
19
9
22
27
7
15
2
9
21
9
8
4
25
13
12
6
26
16
23
28
6
FIT
1:1
100%

Артикул

Название

Примечание

Количество

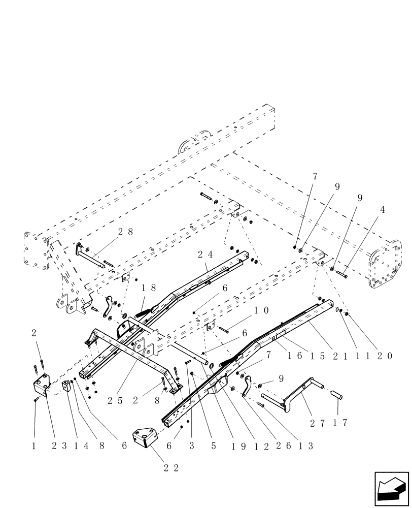
1

88011

BOLT,Hex, 3/8" - 16 x 1 1/4", Gr 5

2шт.

2

88444

BOLT,Hex, 3/8" - 16 x 2 3/4", Gr 5

8шт.

3

9706689

BOLT,Hex, 3/8" - 16 x 1 3/4", Gr 5

2шт.

4

86505993

BOLT,Hex, 1/2" - 13 x 4", Gr 5

2шт.

5

280431

NUT,1/2"-13, G5

2шт.

6

88902

NUT,3/8"-16

14шт.

7

86992215

LOCK NUT,1/2"-13, GC

4шт.

8

80702

WASHER,0.44" ID x 1" OD x 0.08" Thk

10шт.

9

80700

WASHER,0.56" ID x 1.38" OD x 0.11" Thk

10шт.

10

88959

BOLT,Hex, 3/8" - 16 x 3 1/2", Gr 5

2шт.

11

5868

WASHER,0.5" ID x 1" OD x 0.06" Thk

1/2" id 1" 16ga

4шт.

12

6669

WASHER,1.06" ID x 1.75" OD x 0.13" Thk

2шт.

13

22466

BOLT

1/2"-13 x 2" GR5

2шт.

14

51200092

PAD

bumper d shape

2шт.

15

51200103

CAUTION DECAL

manifold heavy

1шт.

16

51200110

DECAL

sheet - A B C

1шт.

Note one sheet includes 'A", 'B' and 'C'

1шт.

17

51200111

HANDLE

61/64" x 4 3/8" yellow

2шт.

18

87505478

TENSION SPRING

7/32" wire 1 1/4" od x 6" long

2шт.

19

GI-391

TUBE,35.375" L

torsion, manifold lift

1шт.

20

87609207

BUSHING

1/2" id x 7/8" od x 5/16"

4шт.

21

GI-868

RACK

lift, center manifold

1шт.

22

GI-870

BRACKET

bumper center manifold RH

1шт.

23

GI-871

BRACKET

bumper center manifold LH

1шт.

24

GI-872

RACK

center manifold LH

1шт.

25

GI-873

SUPPORT

cross center manifold

1шт.

26

GI-874

LIFT LINK

center manifold

2шт.

27

GI-876

LIFT ARM

center manifold

1шт.

Tow Behind

1шт.

27

GI-877

LIFT ARM

center manifold

1шт.

Tow Between Only

1шт.

28

GI-878

LEVER

lift, actuater

1шт.

Выбрано товаров: 32