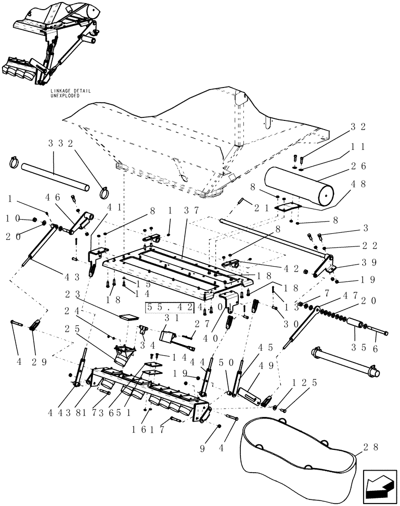
Запчасти Case IH 2230 (88.100.06) - THIRD TANK OPTION - METER MOUNT PLATE (88) - ACCESSORIES

Схема запчастей Case IH 2230 - (88.100.06) - THIRD TANK OPTION - METER MOUNT PLATE (88) - ACCESSORIES
8
20
46
26
15
51
22
30
48
4
14
2
11
16
37
8
39
14
6
17
23
40
45
44
13
43
36
21
18
32
18
55.424.01
33
18
3
41
12
34
28
44
10
27
9
42
35
31
25
49
19
38
50
5
29
1
20
17
47
24
8
7
1
19
8
4
FIT
1:1
100%

Артикул

Название

Примечание

Количество

1

87414

LUBE NIPPLE,1/4" - 28

3шт.

2

507586

HOSE CLAMP,20.6mm - 44.4mm, Worm Gear

4шт.

3

88011

BOLT,Hex, 3/8" - 16 x 1 1/4", Gr 5

3шт.

4

280161

BOLT,Hex, 3/8" - 16 x 3", Gr 5

2шт.

5

88206

BOLT,Hex, 3/8" - 16 x 1", Gr 5

1шт.

6

88576

BOLT,Hex, 1/2" - 13 x 5 1/2", Gr 5

1шт.

7

280431

NUT,1/2"-13, G5

2шт.

8

281010

LOCK NUT,7/8"-14, GC

12шт.

9

88902

NUT,3/8"-16

4шт.

10

86992215

LOCK NUT,1/2"-13, GC

1шт.

11

80664

WASHER,0.38" ID x 0.88" OD x 0.08" Thk

2шт.

12

80702

WASHER,0.44" ID x 1" OD x 0.08" Thk

1шт.

13

80755

COTTER PIN,1/8" OD x 1" L

3шт.

14

9707580

BOLT,Hex, 1/4" - 20 x 3/4", Gr 5, Full Thd

12шт.

15

80682

LOCK WASHER,1/4"

10шт.

16

280129

NUT,1/4"-20

2шт.

17

87936

BOLT,Hex, 3/8" - 16 x 2 1/2", Gr 5

2шт.

18

9635884

BOLT,Hex, 5/16" - 18 1", Full Thd, Gr 5

10шт.

19

9628503

NUT,3/8"-16, G5

4шт.

20

5868

WASHER,0.5" ID x 1" OD x 0.06" Thk

1/2" id 1" 16ga

12шт.

21

438-12024

LOCK PIN,5/16" x 1 1/2", Slotted

1шт.

22

87016560

JAM NUT,Jam, 3/8"-16, G5

3шт.

23

7187

PLUG

manifold transition

8шт.

24

9148

LOCK NUT

#10-32, stainless steel

2шт.

25

9475

TUBE

manifold transition, velocity sensor

8шт.

26

425043A1

TUBE

storage & cap, 17 3/16"

1шт.

25

425095A1

PLUG

manifold transition - velocity sensor

8шт.

27

7777

SCREW,Pan Hd, #10 - 32 x 1"

mch #10-32 x 1" ph Phillips ss

1шт.

28

425090A1

PLASTIC-BAG

collector with clasp

1шт.

29

51200897

LINKAGE YOKE

clevis 3/8" x 2 1/2" long

5шт.

30

9834

CLEVIS PIN

3/8" x 1 1/16"

3шт.

31

13637V2

SENSOR

air flow

1шт.

Refer to 55.424.01

1шт.

32

21319

BOLT

5/16"-18 x 1" ss hx-skt

2шт.

33

22187

HOSE,1.25" ID x 20.00"

1 1/4" x 20" flex-haust type cw-gp

2шт.

34

CA-142

SPACER

air velocity sensor

1шт.

35

GE-172

HANDLE

crank

1шт.

36

GI-221

SPACER

plate blank manifold

1шт.

37

GI-343

MOUNTING PLATE

meter box

1шт.

38

GI-455

PANEL

manifold, 3rd tank

1шт.

39

GI-465

ROCKSHAFT

3rd tank manifold lift

1шт.

40

GI-466

BRACKET

mount, front LH

1шт.

41

GI-467

BRACKET

mount, front RH

1шт.

42

GI-468

BRACKET

mount, pivot rod

2шт.

43

GI-469

PIVOTING ARM

manifold - 3rd tank

1шт.

44

GI-471

PIVOTING ARM

front - 3rd tank

2шт.

45

GI-472

GUIDE

arm, manifold - 3rd tank

1шт.

46

GI-675

ARM

auxiliary rockshaft 3rd tank manifold

1шт.

47

GI-676

ARM

control, handle

1шт.

48

GI-677

SUPPORT

plate calibration tube

1шт.

49

GI-707

LIFT ARM

lock, manifold

1шт.

50

GI-708

SPACER

manifold lift

1шт.

51

GL-116

SPACER

plate transition manifold rear

1шт.

Выбрано товаров: 53