Запчасти Case IH 2230 (35.525.01) - TBT THRU FRAME HYDRAULIC HOSES (35) - HYDRAULIC SYSTEMS

Схема запчастей Case IH 2230 - (35.525.01) - TBT THRU FRAME HYDRAULIC HOSES (35) - HYDRAULIC SYSTEMS
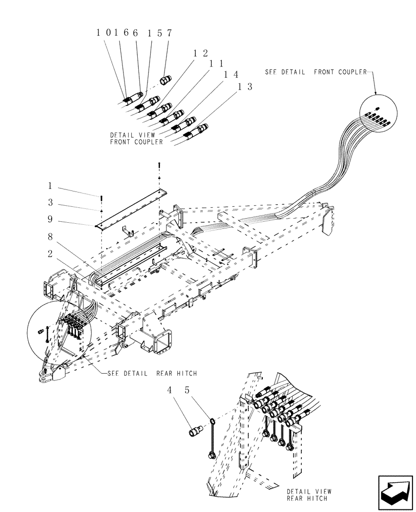
5
10
14
3
9
2
15
16
7
12
13
4
1
11
8
6
FIT
1:1
100%

Артикул

Название

Примечание

Количество

1

280161

BOLT,Hex, 3/8" - 16 x 3", Gr 5

2шт.

2

88902

NUT,3/8"-16

2шт.

3

80702

WASHER,0.44" ID x 1" OD x 0.08" Thk

2шт.

4

1994568C1

COUPLING, QUICK, FEM

1/2" fpt

6шт.

5

86592083

DUST CAP

pioneer coupler - 1/2"

6шт.

Not Shown

1шт.

6

7092

HYDRAULIC HOSE,0.50" ID x 292.00", SAE J517

1/2" x 292" fl, 1/2" mpt x 1/2" mpt

6шт.

7

9412

QUICK MALE COUPLING

1/2"

6шт.

Tow Between Only

1шт.

8

GE-258

SHIELD

front bottom hyd. hose

1шт.

9

GE-259

SHIELD

front top hydraulic hose

1шт.

10

GL-372

COVER

hydraulic hose label - 1"

12шт.

11

GL-700.36

DECAL

depth pressure

2шт.

12

GL-700.37

DECAL

depth return

2шт.

13

GL-700.38

DECAL

wing lift pressure

2шт.

14

GL-700.39

DECAL

wing lift return

2шт.

15

GL-700.40

DECAL

auxiliary pressure

2шт.

16

GL-700.41

DECAL

auxiliary return

2шт.

Выбрано товаров: 18