Качественные детали и логистика
Оригинальные и аналоговые запчасти с доставкой по России, Казахстану и Беларуси
©2022 PartSell ООО "Система" ИНН 2463123282 ОГРН 1212400004838
Центральный офис: г. Красноярск, Академика Киренского, д.87, пом.4
Телефон: 8 (800) 777-65-74 Email: zakaz@partsell.ru
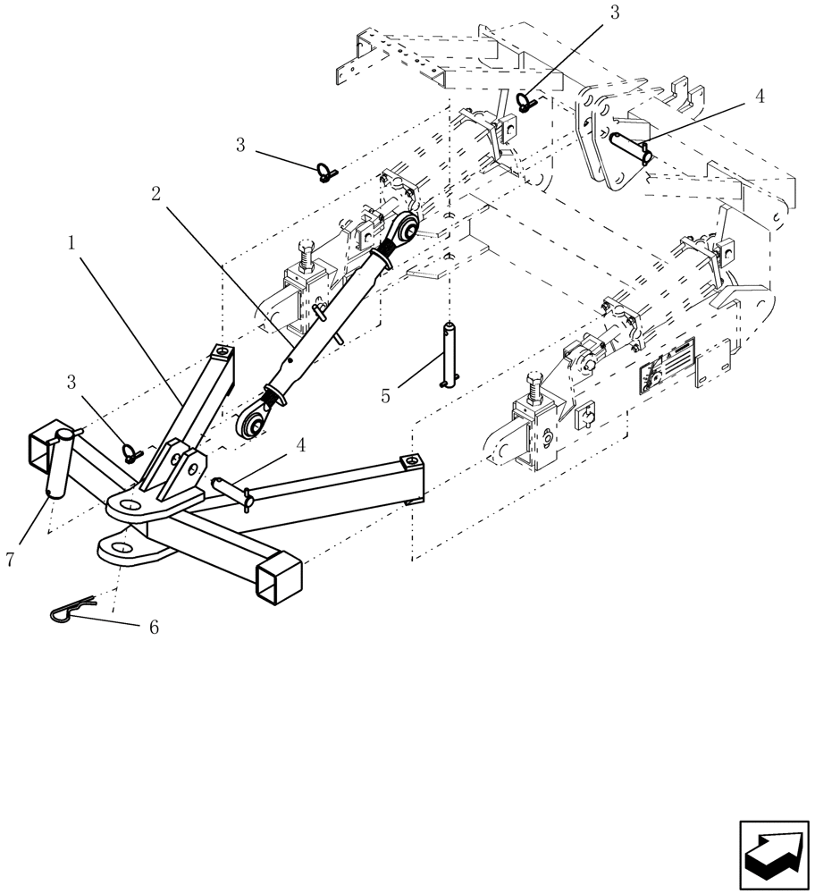
(39.110.09) - SINGLE POINT REAR HITCH OPTION
№
Артикул
Название
Примечание
Количество
1
RC-420
HITCH
single point
1шт.
2
8457
TOP LINK
category iii
3
6425
LINCH PIN
7/16" x 1 3/8"
4
GE-293A
HITCH PIN
draw assembly
2шт.
Includes linch pin and roll pin
5
RC-419A
PIN
assembly, single point
6
419985A1
HAIR PIN COTTER
1/4" x 5"
7
GH-997
Выбрано товаров: 0